Высококачественный ЦАП AH-D6 версия 2.х

Как показал опыт эксплуатации AH-D5, большинство тактовых генераторов, не реализуют полного гашения генерации в неактивном режиме (только Z-state выхода). Поэтому в новом устройстве было решено уделить особое внимание полному гашению генерации неактивного клока и возможности полного отключения обоих генераторов при работе в ведомом режиме.
Устройство совместимо с транспортами Bolero (DSD version) или Charleston от Energy Audio без каких-либо дополнительных переходных устройств.
Для использования всех возможностей AK4493EQ / AK4490EQ, в частности для реализации поддержки DSD, чип работает в soft mode под управлением микроконтроллера atmega88.
- ЦАП: Asahi Kasei AK4493SEQ / AK4493EQ / AK4490REQ / AK4490EQ
 - Разрешение звука: до 384 кГц/32 бит, DSD256
 - DSD512 для AK4493SEQ/EQ при передаче с транспорта информации о частоте дискретизации
 - Поддержка форматов декодирования: PCM, DSD
 - Выходы: RCA
 
По сравнению с предыдущей версией цап (v1.0) были внесены некоторые улучшения:
- Увеличены габаритные размеры под емкости в питании аналогового фильтра и в питании референса VrefhL/R AK4493EQ
 - Для всех стабилизаторов со структурой ИОН-ОУ-ФШ добавлены посадочные места под низкоомные резисторы, отвязывающие выходную емкость. Что позволяет применять различные емкости в широком диапазоне номиналов и совершенно не заботиться об их ESR.
 - Цепочка точной подстройки нуля сделана независимой от ОУ, что также значительно расширило возможный выбор ОУ в звене разностной обработки.
 - Кроме этого, по запросам трудящихся, добавил Т-фильтр на выходе ЦАП.
 - Еще для лучшей переносимости емкостной нагрузки на выходе фильтра, в звене вычитателя предусмотрена возможность реализации внутрипетлевой (in-the-loop) коррекции ОУ.
 - Референсное напряжение для стабилизаторов питания аналоговой части ЦАП и референса сделал с общим источником опорного напряжения, также увеличил порядок фильтра ФШ (фильтра шума от ИОН), причем для стабилизаторов референса получился вообще третий порядок. Таким образом, требования к шумам ИОН сведены до минимума.
 - В питании аналога и референса увеличены габаритные размеры для шунтирующих SMD конденсаторов c типоразмера 1206 до 1210. Что позволило применять здесь также пленочные емкости PPS серии типоразмера 1210.
 
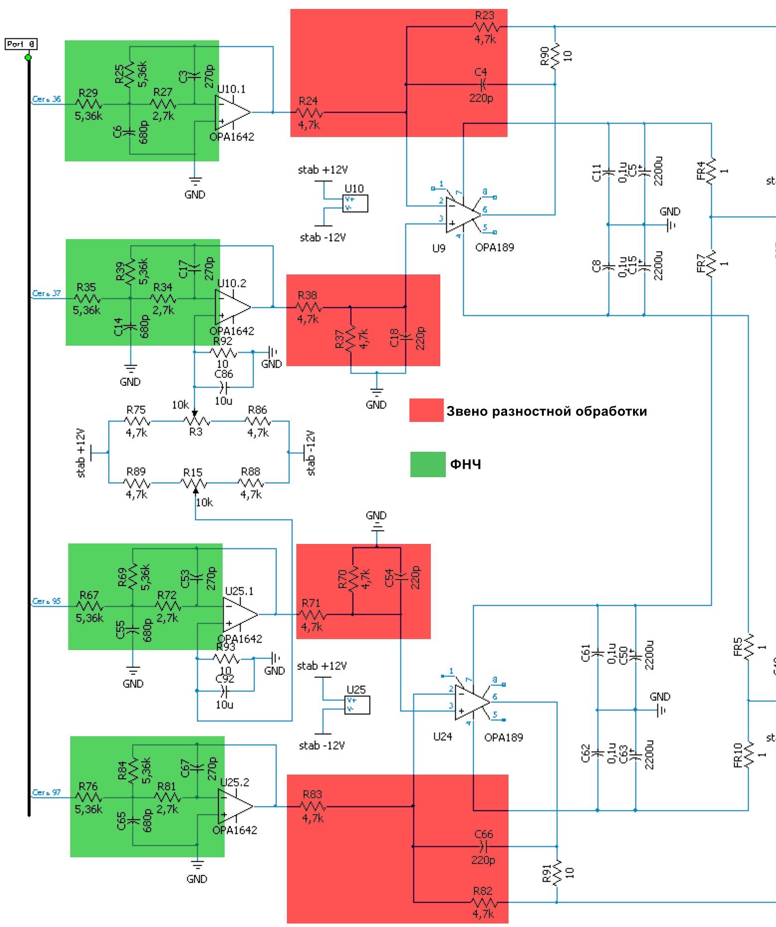
Схема ЦАП AH-D6 версия 2

Схема аналогового фильтра ЦАП AH-D6 v2

В ФНЧ предлагается использовать высококачественные стерео ОУ: OPA2810, OPA1656(OPA2156), OPA2189, OPA1642 (полные аналоги OPA2141 и прецизионный OPA2140), THS4062, LME49880 с несколько худшими результатами в порядке убывания AD8066, AD823, OPA1652, ADA4610-2, OPA2132, OPA2134. В звено вычитателя дифференциальных сигналов можно установить следующие ОУ: OPA828, OPA189, OPA1641, LT1122, OPA211, AD797, OPA627, OP42, ADA4627, OPA827, AD825, ADA4610-1, ADA4898-1, LT1468, OPA134.
При отсутствии возможности приобрести емкости номиналом 270pf, можно применить в фильтре номинал 220pf, с корректировкой номиналов резисторов ФНЧ 5,36k -> 6.8k и 2,7k -> 3k.
Еще пара возможных фильтров частотой среза пониже, проверенные в AH-D1:
ФНЧ5,36k ->6,8k и2,7k -> 2k емкости 680pf -> 1n и 270pf -> 330pf, в звене разностной обработки 3,3k и 330pf (или2k и 470pf).
ФНЧ5,36k ->4,7k и 2,7k -> 1k, емкости680pf -> 1,5n и 270pf -> 470p, в звене разностной обработки 2k и 470pf (или3,3k и 330pf).
Также возможна альтернативная, низкоомная версия фильтра - ФНЧ 5,36k ->2.2k / 2,7k -> 1.1k, емкости 680pf -> 1800pf / 270pf -> 680pf, в звене разностной обработки 1.8k и 680pf. В этой версии фильтра предпочтительнее использовать ОУ с достаточно мощным ВК, такие как: THS4062, LME49880, ADA4898-2, AD8066, в вычитателе: ADA4898-1, AD825, ADA4627, OPA827, LT1468, OPA211, AD797.
В качестве реле можно применить AXICOM IM03TS-5V, HFD4/5 или NEC UC2-5NU.
Дополнительные опции на плате
Если вы используете тактовые генераторы с полным гашением генерации (именно полное гашение генерации, а не просто z-state выхода), то вместо электронных ключей U11 / U12 рекомендуется установить дроссель-перемычки L1 / L2.
Также для удешевления конструкции можно подать 3.3в для питания микроконтроллера, взяв питание с цифровой части ak449х, установив дроссель-перемычку L4. При этому распаивать стабилизатор U21 не следует.
Вместо U21/U22 (LP2985) можно установить более качественные LP5907 / ADP150 / ADP151 (цена на них опустилась), для них распаивать С102 / С101 не следует. Обратное верно и в отношении U8.
На плате предусмотрен разъем J9 / R19, в текущей прошивке никак не используются (и не планируется), поэтому распаивать его не следует.
Печатная плата
Цап AH-D6 выполнен на двусторонней печатной плате размером ~100х69мм.

Замеры искажений

Спектр выходного сигнала 1кГц, -10Дб (24bit. 96кГц, 0Дб соответствует 2Vrms)
В фильтре измеряемого экземпляра установлены были ОУ: OPA1656 и OPA211.
Разъём I2S
Разъём i2s имеет распиновку Lynx Audio. Контакты 2, 4, 6, 8 — земля ЦАП-а. Контакт 9 — питание гальванической развязки Bolero / Charleston +3,3 со стороны ЦАП-а.
Контакты 1, 3, 5, 7 — сигналы шины i2s:
| Формат | Pin 1 | Pin 3 | Pin 5 | Pin 7 | 
| PCM | BCK IN | SDATA IN | LRCK IN | MCLK IN/OUT | 
| DSD | DSD BCK IN | DSD LEFT IN | DSD RIGHT IN | MCLK IN/OUT | 
Контакт 10 — сигнал сброса ЦАП-а при смене частоты дискретизации или PCM/DSD режима. Низкий логический уровень — нормальная работа, высокий логический уровень — сброс. Данный сигнал не является обязательным. Микроконтроллер сам отслеживает изменение режимов и подает необходимые сигналы сброса для AK4490, но для предотвращения щелчков при смене потока PCM->DSD или срыве DSD потока необходимо, чтобы транспорт заранее подавал соответствующие сигналы. По умолчанию контакт 10 подтянут к уровню «1».Таким образом по умолчанию ЦАП находится в режиме сброса, а замыкание пина 10 на землю переводит ЦАП в рабочий режим.
Разъем CONTROL
По умолчанию все сигнальные пины разъема CONTROL подтянуты к уровню «1».
Другими словами по всем разъемам управления имеет место инвертированная логика относительно наличия джампера. Его присутствие задает логический 0, а отсутствие — 1.
Контакт 1 — сигнал включения нужного генератора мастерклока (на частоту х44.1кГц либо х48.0кГц). Если в конфигурации выбран ведомый режим (см. CONFIG), то данный пин не используется.
Контакт 3 — сигнал Connect. ЦАП активен, если уровень «0». При подаче «1» ЦАП переходит в режим Mute.
Контакт 7 — сигнал PCM/DSD. Уровень «0» определяет наличие DSD потока на выходе. Для PCM потока — уровень «1».
Контакты 5, 9 — На них выдаются уровни в зависимости от текущей частоты дискретизации:
| Частота дискретизации | Pin 9 | Pin 5 | 
| 44.1кГц/48.0кГц/DSD64 | 0 | 0 | 
| 88.2кГц/96.0кГц/DSD128 | 0 | 1 | 
| 176.4кГц/192.0кГц/DSD256 | 1 | 0 | 
| 352.8кГц/384.0кГц/DSD512 | 1 | 1 | 
Если в CONFIG выбрана опция автоматического определения частоты дискретизации, значения контактов 5 и 9 игнорируются (в режиме PCM для AK4493 выставляется ACKS бит = “1” см. раздел CONFIG, а при воспроизведении DSD потока, выбирается сразу DSD256, в этом режиме DSD512 будет не доступен).
Разъем CONFIG
По умолчанию все сигнальные пины разъема CONFIG подтянуты к уровню «1». Установка джампера устанавливает уровень«0».
Контакты 1, 3 задают режим работы цифрового фильтра:
| Режим фильтра | Pin 1 (SLOW bit) | Pin 3 (SD bit) | 
| Sharp roll-off filter | 0 | 0 | 
| Slow roll-off filter | 1 | 0 | 
| Short delay Sharp roll-off filter | 0 | 1 | 
| Short delay Slow roll-off filter | 1 | 1 | 
Контакт 5 — режим тактования ЦАП-а. Уровень «1» (отсутствие джампера) задает ведущий режим (master mode). При подаче «0»(присутствие джампера) устройство переходит в ведомый режим (slave mode), другими словами цап должен тактироваться вешним клоком. При этом оба тактовых генератора на боту ЦАП-а полностью отключаются.
Контакт 7 — режим определения частоты дискретизации. Если уровень «1» (отсутствие джампера), то частота мастер клока и частота дискретизации определяются автоматически (AK4493 — Auto Setting Mode, ACKS bit = “1”). Если «0» (присутствие джампера), то частота MCLK определяется автоматически, а частота дискретизации передается с транспорта, задается пинами управления 5 и 9.
Для версии mk3 (на ak4493)
Контакт 9 — автоматическое определение DSD потока. Уровень «1» (отсутствие джампера) задает ручной режим определения потока, т.е. транспорт должен передавать ЦАП-у информацию о воспроизводимом формате (разъем Control контакт 7). При «0» (присутствие джампера) устройство переходит в автоматический режим определения входного потока. Благодаря функции автоматического определения DSD в AK4493 удалось значительно расширить универсальность устройства, теперь ЦАП можно использовать практически с любым транспортом. Но к сожалению в таком режиме наблюдаются заметные щелчки при переключении между DSD -> PCM треками.
Для версии mk0 (на ak4490)
Контакт 9 — включение аппаратного сброса (начиная с версии прошивки v2.0). При уровне «1» (отсутствие джампера) при смене сетки частот или смене формата отрабатывает софтовый сброс (reset by RSTN bit). При уровне 0 (присутствие джампера) сброс производится с помощью PDN пина ak4490.
Первый режим предпочтительнее, так как дает меньше щелчков в случае отсутствия реле / отсутствии сигнала rst / mute с транспорта. В случае возникновения проблем (встречались в ранних чипах), рекомендуется воспользоваться аппаратным сбросом с помощью PDN.
Питание ЦАП AH-D6
Для питания ЦАП-а AH-D6 требуется 4 или 5 (питание цифры и питание тактовых генераторов можно сделать общим п.4 и п.5) линий питания.
- +15...+18В, 30-50мА — питание ОУ аналогового фильтра (плюс);
 - -15...-18В, 30-50мА — питание ОУ аналогового фильтра (минус);
 - +9...+14В, 110-150мА — питание аналоговой части AK4493/AK4490 и реле
 - +5В, 15-50мА - питание цифровой части AH-D6 (стабилизированное)
 - +5В, 10-100мА — питание тактовых генераторов (стабилизированное)
 
Для питания ЦАП можно использовать предложенный ранее универсальный модуль питания для ЦАП-а AH-PW5.
Кроме этого, из-за необходимости встраивания одного из экземпляров AH-D6 в весьма компактный корпус, мной был разработан новый более компактный модуль питания AH-PW6.
F.A.Q
Как проверить, что микроконтроллер прошился успешно?
— После прошивки микроконтроллера все сигнальные пины разъемов CONTROL / CONFIG будут подтянуты к логической «1», т.е. при замерах тестером на них должно быть порядка 3.3В. Также еще можно проверить логику работы с реле - для этого надо сначала замкнуть пин rst (разъема I2S) на землю и далее при замыкании пина connect на разъеме CONTROL на землю должны щелкать реле.
Почему при воспроизведении наблюдается треск, а качество звука оставляет желать лучшего?
— Проверьте, что если цап работает в мастер режиме, то транспорт действительно переведен в слейв или наоборот.
Так модуль аманеро при воспроизведении в слейв режиме при отсутствии внешнего клока будет подвисать или же, например, в foobar ползунок seekbar будет быстро пролистываться по треку. Если после конфигурации модуля (согласноинструкции), он продолжает прекрасно работать без внешнего клока, то это значит, что на модуле установлена старая версия прошивки CPLD и конфигурация в oemtool, установкой Configuration bits попросту не работает.
Для чего предусмотрены посадочные места под конденсаторы типоразмера SMD 2220, что туда ставить?
Посадочные места предусмотрены под пленочныеSMD—PPSконденсаторы типоразмера 2220, например WIMASMD—PPSсерии. Для шунтирования основных электролитов предлагается устанавливать на выбор или пленку типоразмера 2220 или np0 керамику типоразмера 1206 номиналом 0.1-1мкф, посадочные места под которые тоже предусмотрены на плате. Дополнительная установка тантала или полимерных конденсаторов на посадочные места типоразмера 2220 не рекомендуется.
Нужны ли тактовые генераторы на плате в ведомом (slave) режиме работы AH-D6?
Если ЦАП планируется использовать только в ведомом режиме (slave), то можно не распаивать тактовые генераторы на плате AH-D6, более того можно вообще не запаивать всю цепочку начиная от стабилизатора и заканчивая самими клоками.
Какие конденсаторы рекомендуется применять в питании ЦАП?
Я рекомендую особое внимание уделять качеству электролитов C20, С46 в питании референса и С5, C15, C63, C50 в питании фильтра. Наилучшим будет использование аудио электролитов (серий elna cerafine, elna silmic ii, nichicon KZ/KT/FG, panasonic pxl, с чуть худшим результатом panasonic FM / FC / FK) с шунитрованием их SMD пленкой или NP0 керамикой.
Можно ли поднять напряжение питания аналогового фильтра?
Для корректной работы стабилизатора ИОН-ОУ-ФШ с NE5534 требуется запас по входному напряжению в 4В. В зависимости от входного напряжения и используемых ОУ можно скорректировать делитель обратной связи стабилизатора под свои потребности. Vout=5*(R51+R49)/R51, для отрицательного плеча аналогично Vout=-5*(R57+R54)/R54.
Отладка и первый запуск
Можно заметить, что все основные линии питания ak449х отделены от стабилизаторов низкоомными резисторам (FRх) и бусинами перемычками. Рекомендую их сразу не запаивать, т.е. сначала проверить корректность и наличие необходимых корректных напряжений на выходах линейных стабилизаторов на плате и только потом запаять их.
После сборки устройства, если возникли проблемы, в первую очередь проверяем монтаж и еще раз смотрим все питающие напряжения:
Проверка питания ЦАП-а
- С25 / С38 -> +5в
 - С20 / С46 -> +5в
 - С21 -> +3.3в
 - С47 -> +3.3в
 
Проверка питания на ОУ — замеры на емкостях
- С5 / С50 -> +11в
 - С15 / С63 -> -11в
 
Питание цифровых линий:
- С52 -> +3.3в
 - С51 -> +3.3в
 
Питание тактовых генераторов
- С2 -> +3.3в
 
Далее проверяем напряжение на С12 / С13 на одном из них должно быть +3.3в (в зависимости от замыкания на землю пина 1 разъема control должно сниматься питание с одного из тактовых генераторов и подаваться на второй).
После прошивки МК проверяем, что на всех входных (нечетных) пинах при подаче питания на МК присутствуют — 3.3В (CONTROL / CONFIG будут подтянуты к логической «1»). Если подтяжки нет разбираемся с микроконтроллером.
Проверяем, что на пине RST микроконтроллера присутствует логическая 1. Как-то у народа встречалась проблема с супервизоромMAX809, особенно у тех кто закупался в Чип-Дипе (продавали в место них что-то совсем не то). Хочу также отметить, что пороговое напряжение должно быть2.93в или 3.08в.
Далее проверяем работу МК для этого смотрим п.1 F.A.Q. Если микроконтроллер не подает признаков наличия прошивки, внимательно читаем статью. По результату прошивки не забываем сделать верификацию, если после прошивки МК верификацию не проходит, разбираемся с программатором или самим чипом МК (китайские фейки, могут прошиваться, но верификацию прошивки они не проходят, работать такие чипы не будут).
Также хочу отметить, что в последнее время в ЧИП-ДИП-е продаются микроконтроллеры Atmega88PA с конфигурацией фьюзов для работы с внешним тактовым генератором. Это противоречит документации производителя для значений по умолчанию. Если закупались в указанном магазине, пытаемся подцепить внешний клок и поменять конфигурацию фьюзов.
Результаты прослушивания
Много расписывать не буду, субъективно, звучание ЦАП на ak4493 по сравнению с ak4490 получилось немного более детальное. Хорошо заметна лучшая проработка НЧ диапазона. Подача материала стала более динамичной.
В комментариях к статье предлагаю обсуждать технические вопросы. А тем, кто уже собрал, предлагаю поделиться своими впечатлениями от прослушивания AH-D6 в отдельной теме «Результаты прослушивания AH-D6 mk0/mk3».
Примечание
Для корректной работы прошивки версии 2.0 и выше обязательно требуетсяустановить частоту работы микроконтроллера в 1Мгц.
Рекомендация тем, кто столкнулся со звоном ne5534 в стабилизаторах питания, рекомендую увеличить номинал емкости компенсации ne5535 до 150-220пФ. Кроме этого, рекомендую увеличить номинал входной керамики С24/C48, C71/C106 до 1мкф. Также, как вариант, одобряю замену ne5534, вариантов замены много, например op07, широко доступен, стоит копейки.
Прошивки доступны для скачивания во вложении для зарегистрированных пользователей.
Часть 2. Компактный модуль питания AH-PW6-mini
Часть 3. Результаты прослушивания AH-D6 mk0/mk3
Часть 4. Инструкция по прошивке микроконтроллера Atmega88
Часть 5. Плата адаптера для USB модуля Amanero (можно рассмотреть как дешевую альтернативу транспортам Bolero и Charleston)
Часть 6. Ветка форума для обсуждению вопросов по отладке своих сборок AH-D6.0
Часть 7. Обсуждение звучания различных связок ОУ тут (в комментариях к статье просьба эту тему не поднимать)
 
 
Рекомендации по изменению номиналов C3, C17, C53, C67 с 270пФ на 220пФ те же, что и для прошлой версии? Просто 270 гораздо труднее достать, чем 220. Плёночные, обозначенные как Wima FKP, с какой точностью брать? 2.5% достаточно или упираться в однопроцентные? Можно ли Виму ФКП менять на Panasonic (Polyphenylene Sulfide (PPS), Metallized — Stacked) в корпусе 0805?
У самого 270 на исходе, почти те же, только немного скорректировал - 3.3k->3k. В статье дописал о возможной замене. Я брал 5%, просто подбирал в пары близкие из кучки. Сложно сказать, их в основном в питании применяют, хотя надо послушать, применять в фильтре не пробовал.
Поздравляю с выходом новой версии!
В описании к предыдущей версии была рекомендация не увлекаться увеличением ёмкостей, в этой версии основные ёмкости, которые должны быть максимально качественными, увеличились довольно существенно, от силмиков с керафайнами придётся отказаться ибо в таких номиналах по размерам просто не влезут. Если сравнивать, к примеру 470uF силмик/керафайн против Панасоника FM 2200uF, что будет лучше?
Тут уже каждый может сделать так, как считает нужным, плата дает больше свободы для маневра, те же силмики и ничиконы можно большей емкости поставить, чем ранее. Все емкости отделены от стабов резисторами, так что в среднем повторяемость должна возрасти.
Питание референса можно ставить емкости от 220мкф и до 2200мкф. Мое личное здесь предпочтение это хорошая качественная емкость с прицелом на аудио применение с минимальным уровнем собственного шума.
В питание аналога ak4490/4493 рекомендую ставить LOW ESR типа Panasonic FR/FJ — 470-1500мкф.
В аналоге вопрос спорный, пусть каждый выбирает сам,
Думаю теперь, как бы заказать слимики большего номинала и на 16В
Можно
Добрый день! Ну почему же эта статья про 2.0 не в топе на главной странице?
Невнимательно посмотрел и заказал платы для первой версии. Но надеюсь, что и 1.0 не разочарует. Если что — потвикаю до 2.0 :) Буду как на 4490, так и на 4493 делать. Заказал обе.
Спасибо за конструкцию!
Из отслушанного OPA189 — лучший выбор по соотношению цена / качество. Звучит открыто, дает много воздуха. Из недостатка малый ток ВК и рост искажений на нагрузку менее 2кОм. А лучше так вообще использовать на нагрузку > 5кОм. В общем, если не грузить выход, то ОУ мне очень понравился.
Отлично себя показал и в AH-P2 (главное не забыть установить опцию на стандартный 6-выход).
Спасибо. Значит надо OPA189, много баса не надо. В Электронщике есть по 200р., но не продают.
А АК4490 по этой ссылке: https://ru.aliexpress.com/item/AK4490-AK4490EQ-AK4490EQ-L-AK4490EQ-32BIT-LQFP48-1/32844544729.html?spm=a2g0o.cart.99999999.305.6ff43c005tCs3N
можно брать? Там в отзывах пишут, что микросхему высылают просто приклееной скотчем на картонку. Весьма странно.
Сложно сказать, я c жалобами на фейки из Китая в отношении АК4490 пока не сталкивался. Сам их брал на ali только один раз, мои были в ленте — как обычно. Подозрения не вызвали. Тарился ими еще в диги-кей разницы никакой и меряются одинаково.
В терраэлектроника как раз на пробу взял парочку OPA189. Как собрался хорошенько затариться... так...и огорошили.
Да, и цена вроде была на OPA189 160р. Я отложил покупку «на потом» и вот и цена 200 и не купить.
А АК4490 значит буду брать на али.
Разброс большой, у меня бюджет на комплектующие колебался от 3тыс до 12 тыс в зависимости уровня комплектующих. Соответственно и в звуке получалась весьма значительная. Нормальным считаю бюджет на комплектующие в 5-7тыс.
Вообще если задаться целью максимально дешево собрать, то знаю, есть пример бюджета и менее 2тыс. на комплектующие для AH-D5. Ну а про лимит сверху, думаю, вообще нет смысла обсуждать.
NDK NZ2520SDA
https://www.diyinhk.com/shop/audio-kits/128-ndk-nz2520sda-33v-49152mhz-451584mhz-24576mhz-225792mhz-ultra-low-phase-noise-oscillator.html#/magnifier_option-null/frequency-22_5792mhz
Если нужен только слейв, то клоки / ключи / так и стабилизатор распаивать на борту D6 не надо.
Чип понравился, стаб хороший, но дорогой. Разводку под него надо делать с умом. Длинные дороги таскать от него по плате не рекоменую. О ESR очень даже придется подумать.
Согласно даташиту «Для стабильности используйте минимальный выходной конденсатор 4,7 мкФ с
ESR ниже 50 мОм и ESL ниже 2 нГ». Стоит помнить о сильном падении емкости керамики при увеличении приложенного напряжения напряжения. Керамика X7R в питании аналога, особенно больших номиналов, не есть хорошо. Как показывает практика даже переход от np0 к пленке хорошо слышно. Или придется экспериментировать с разными сочетаниями разных номиналов и типов емкостей. В общем надо пробовать и сравнивать.
В AH-D6 v2 в аналоге не надо думать о ESR емкостей. Они отделены от выхода стаба резисторами. Достаточно просто ставить хорошие электролиты и шунтировать их np0 керамикой или пленкой. Можно предположить, что такое отделение сводит на нет низкое выходное сопротивление стаба, но на мой слух приятнее слушается большой электролит, чем почти любой параметрический стаб (хотя LT3042 тут не пробовал). По параллельным стабам отдельный разговор.
Могу поделиться своим опытом:
Тоже подтверждаю, что последние партии ATmega88PA из Чип-Дипа сконфигурированы на внешний клок. Крайне неприятный подвох. Обычно такая конфигурация фьюзов идет только по спец заказу и в рознице встречаться не должна.
На 7-8 пины можно приколхозить внешний клок, а потом исправить фьюзы.
Такое увеличение не будет критичным, до 100 мкф обычно нормально переносится, написал чтобы сильно не усердствовали т.к. иногда идет превышение на прядок. Как раз из них ADP150/ADP151 — менее устойчивы.
Заказывал на Элитане и на Arrow.com через свои организации ИП и ООО.
Если нужна помощь в закупке с этих магазинов, помогу!
Есть вопрос по плате v2.1. На плате у электролита C52 есть место под перемычку, над которой написано option.
Я так понимаю ее распаивать не нужно?
Номиналы самого фильтра менять нельзя. Я привел несколько возможных вариаций кроме того что указаны в схеме.
«При отсутствии возможности приобрести емкости номиналом 270pf, можно применить в фильтре номинал 220pf, с корректировкой номиналов резисторов ФНЧ 5,36k -> 6.8k и 2,7k -> 3k.
Также возможна альтернативная, низкоомная версия фильтра - ФНЧ 5,36k ->2.2k / 2,7k -> 1.1k, емкости 680pf -> 1800pf / 270pf -> 680pf, в звене разностной обработки 1.8k и 680pf.»
NP0 керамику применить возможно, но с некоторым ухудшением.
Добрый день. К сожалению THS4061 не было в наличии, чтобы попробовать.
Пробовались THS4062 в ФНЧ. Мне понравились, очень ярко и прозрачно, сначала вау, но при прослушивании в моих наушниках, утомили. С акустикой спелись, любителям яркого звука могут очень понравится. На мой вкус все же уступают OPA2810, у них та же прозрачность, но с более мягкой подачей.
На выходе с ними отслушивал ОРА189, ОРА1611, OPA828 последнюю бы особо выделил, хорошо себя показала в паре с OPA2810 — звук прозрачный при этом не режет не утомляет, все ровно. Но ее тяжело купить и ценник кусается.
Дешевая ОРА189 ей уступает в прозрачности, но за свою цену очень хороша. Уступает ей и ОРА1611, нет той легкости и прозрачности на ВЧ, но выигрывает в проработке НЧ диапазона, в этом она пожалуй лучшая из отслушанных.
В общем я для себя выделил следующие пары:
1) OPA2141 / OPA1642 (чуть лучше OPA2198) + OPA189 — основная связка, лучшая пара по соотношению цена / качество.
2) OPA1656 (OPA2156) + OPA1611 (OPA211) — лучше, но заметно дороже, лучшая пара по измерениям с отличным S/N.
3) OPA2810 + OPA828 — максимальная
Андрей, а что скажешь по связке 2156+828. Просто 2810 реально тяжко достать, она везде от 250 штук продается, дижикей не вариант.
Такую связку не пробовали
OPA2810 неожиданно есть в Терраэлектронике (под заказ, но с нормальными более-менее условиями). И Терраэлектроника неожиданно начала (точнее, продолжила после перерыва) принимать заказы на подобные позиции от физических лиц (я час назад для пробы заказал пару корпусов от аналоговых устройств — оплатить, по крайней мере, удалось).
Опа, надо глянуть
Да, правда есть, от 3 шт. уже интересная цена и на 828.
Но засада с самим цапом — тоже от 4 шт.
Никому не нужно случайно 4493? :)
Новые техасовские чипы оказались весьма музыкальными. Их можно ставить в плате v2.х, где цепь подстроки 0 не зависит от ОУ. Если их ставить в старые версии, то придется отказываться от точной подстройки 0, обычно это не критично, но все же. Поэтому раньше не рассматривались многие хорошие ОУ, где такая цепь не предусмотрена.
Что касается звука, то мне понравилась OPA189 (если ее не перегружать по выходу) даже больше чем ADA4627, а если учесть разницу в цене, то становится выбор очевидным, поэтому в табеле о рангах она опустилась.
Пробую заказать комплекты генераторов вhttp://bmgplus.ru/Заказал, как частное лицо.
1. ГК-CPPL-C7L-A7BR-22,5792М-PD 2. ГК-CPPL-C7L-A7BR-24,576М-PD
до 10штук 320р/шт + НДС, срок 1-2 недели.
Есть еще вариант ГК1008-П, джиттер до 1 пс, до 10 штук 2350р/шт + НДС. Это для «золотоухих» :)
На заявку ответили:
К сожалению, мы не можем сейчас выставлять счета на ЧЛ, новые изменения в бухгалтерской отчетности, с июля 2018г. Как вариант можем предложить приобрести через магазин http://www.quartz1.com, они купят у нас, а Вы у них. Наценка 20%
Их контакты: quartz1@quartz1.ru Галина Самойлова тел.(495) 963-4994, доб 217
Есть вариант оплаты как ИП, но обязательно с банковского счета, а не с карточного.
В итоге:
жду счет на реквизиты ИП друга. Наценка выйдет 6%, те обойдется в ~410р/генератор.
Ввиду отсутствия 270пф набросал немного другой фильтр.
Решил повторить цап. Потихоньку паяю.
Появляются вопросы.
1.Блок питания AH PW6-mini v1.0
С какой целью стабилизаторы «обжаты» со всех сторон конденсаторами ? Для подогрева кондеров с целью получения «более теплого звука»? 2200 можно было отодвинуть к краю, место есть.
2. С какой целью детали на схеме цапа пронумерованы ХЗ как? С целью запутать «врагов»?
Всю жизнь детали нумеровались слева-направо и сверху вниз.
Первая деталь на схеме J8 потом идут D5, R79...атас просто...Кстати, где J1 ?
Б-ть, обматеришься, пока найдешь нужную детальку. Где R50, R55 ?
90 процентов времени тратится не на пайку, а на поиск где что стоит.
Уже хочется бросить нах это барахло...Извините, накипело...
«С целью запутать «врагов»?» — если Вы читали такую замечательную книгу «Имя Розы» великого итальянского писателя Умберто Эко, то знаете, что её первые 40 страниц читаются очень тяжело. На вопрос критиков «зачем Вы со своим талантом так сделали» автор ответил «а чтобы отсеять сразу не своего читателя». Чувствуете аналогию?
Сначала кода начинал паять, каждую деталь искал куда же поставить.
Потом понял, что что-то делаю не так, немного подумал и стал собирать комплектацию блоками по схеме. Например, берем фильтр, набираю все детали для его комплектации по схеме. Далее их располагаю на плате и запаиваю, плата разведена очень понятно и схема легко в ней просматривается.
К концу пайки на нумерацию практически не обращал никакого внимания. Паять 6-ку на мой взгляд было даже легче и быстрее, чем предыдущего моего китайца.
1) Радиаторы холодные, проблемы никакой не вижу. В AH-PW5 греется сильно стаб по линии питания amanero, а тут этой линии вообще нет.
2) Никак с нумерацией не задумывался, вот как DipTrace пронумеровал так и получилось. "Всю жизнь детали нумеровались слева-направо и сверху вниз." — так и пронумеровано на 90% только вот нумерация идет от платы. Только те детали, которые добавлялись потом в новой v2 выбиваются из этой нумерации.
Далее постараюсь учесть пожелания. Свои платы наизусть знаю, поэтому метки с удовольствием бы вообще не использовал. Добавлены были только по просьбе повторяющих.
Уже хочется бросить нах это барахло...
Бросайте, собирать ЦАПы явно не ваше...
Я материться начал когда собрал, но у меня отдельная история. А вам желаю терпения, ведь мы все тут собрались исключительно из-за получения удовольствия. Иначе проще было бы купить готовое все.
Здравствуйте!
Получилось запустить мой экземпляр ЦАПа совместно с платой гальванической развязки и аппаратно доработанным модулем Аманеро.
Сложности было две: нерабочая по каким-то причинам ADUM1401C (заменил на такую же), и не отконфигугировал в OEMTOOL пины 1 и 11 Аманеро после аппаратной доработки.
Большое спасибо Андрею admin и Владимиру Pushok62 за их разработки и помощь!
ЗЫ: нет ли у кого лишней платки индикации? F0...F3 работают нормально, надо сделать украшательство к ЦАПику.
Поздравляю с запуском проекта!
На счет ADUM1401C подскажите где покупали. Вы уже третий человек, который сталкивается с нерабочими ADUM1401C. У первого товарища была покупка в ЧИП-ДИП в Беларуси, второй заказывал из Москвы.
На вид сильно зашлифованные, вероятно перемаркировка непонятно чего в таком же корпусе.
Спасибо!
ADUM1401C из Чип-Дипа, покупал летом. На замену- брал там же неделю назад (хотел купить в другом месте, но лень взяла свое, мне там удобно). Явных дефектов внешнего вида не заметил.
Здравствуйте! Попробовал снять спектры со своего ЦАПа:
По шумам- лучше снять не смогу, предел измериловки… А вот по гармоникам- почему могло получиться похуже, чем у автора проекта?
В выхлопе применены AD8066 и АD825. Может быть это связано с тем, что в фильтре в одном канале в качестве R25,29,35,39 -применены тонкопленочные резисторы, разброс у которых оказался примерно 5%,
а во втором- толстопленочные, но подобранные с точностью примерно 0.5%? Остальные компоненты ЦАП- по рекомендациям Андрея.
Разброс в 5% слишком много для фильтра. У меня в измеряемом образце стояли тонкопленочные 0.1% и емкости к слову тоже подбирались.
Также для замеров специально оставил самые лучшие ОУ по замерам, у меня это казались OPA1656 и OPA211 (из тех что пробовал).
Вот AD825 и у меня тоже намерялись не самым лучшим образом (до 0.0005% стояли в экземпляре с ak4490, не любят они как оказалось постоянное смещение на входе), но по звуку они звучали неплохо, только сибилянты на ВЧ из минусов.
Кроме этого, если внимательно посмотреть, то уровень измерений у меня -10Дб и -6Дб. Минимум искажений у многих АЦП достигается при снижении уровня. Для сопоставления результатов предлагаю при этих уровнях глянуть.
Андрей, спасибо за ответ!
Предполагаю, вопрос с перегрузкой АЦП слишком большим уровнем не стоит, с примерно таким же напряжением на АЦП (источник-генератор) удавалось получить 2-ю ниже -120 и около 0.0002% THD. А ноль дБ на графиках- зависит от калибровки Спектры.
Подскажите, есть ли смысл в увеличении точности резисторов при не подобранных 5% конденсаторах фильтра?
И вообще, стоит ли гнаться за цифрами, может быть, счесть это удовлетворительным результатом? Тем более, что побольше 2-я и 4-я гармоники...
Если быть честным- слушал ЦАП пока мало и не вдумчиво, не хватает времени...
Наверное, я невнятно объясняю… Речь шла о резисторах и конденсаторах ФНЧ выхлопа ЦАПа. Осмелился предположить, что если в спектрах выходного сигнала повышены 2-я и 4-я гармоники (что говорит о несимметрии полуволн)— это может быть связано разбросом параметров пассивных элементов в ФНЧ для положительного и отрицательного выходов в канале.
ОФФ: Олег, генератор упомянул, чтобы было понятно, что вопрос не в АЦП. Ваш генератор я еще не включал (Кстати, качество сборки вашего генератора -великолепное, я так не умею).
Добрый день!
Андрей, можно уточнить форматы/конфигурации интерфейсов I2S/DSD, которые устанавливаются контроллером для AK4493?
Откуда вопрос — пробую совместить ЦАП с платой на основе rk3308 и опытным путем обнаружил, что I2S 16 бит ЦАП не поддерживает, только 32 бита на канал (понятно, что там значащих может быть 16-24). Экспериментирую с DSD и тоже не совсем понятно какие режимы прописаны в регистрах AK4493, сейчас звук есть, но с щелчками, как на заезженном виниле.
В регистре CONTROL_1 зашито значение B{acks_bit}0001111 это именно i2s формат / 32-bit 64fs, 64 импульса BCK на фрейм,
для 16 бит и 24 просто 0-ми должны забиваться младшие биты, что 99% свистков успешно и отдают.
Для DSD — по дефолту зашито - DSD256, DSDSEL1-0 bits = “10”, если хочется dsd512, то надо выставить 0 на Контакт 7 (конфига) и на пины/CONTROL-а (5пин / 7пин.) управления передавать информацию о ЧД с транспорта.
Спасибо! Т.е. бит DCKB тоже по умолчанию, т.е. = 0? И еще, один момент, может знаете, для DSD MCLK может быть равным DCLK или должен быть выше? Вроде как по даташиту для DSD512 они могут быть равны, если DCKS=0, но терзают меня сомнения.
DCKB по дефолту = 0, DCKS тоже =0, для DSD512 MCLK равен DCLK - 22.5792MHz (512fs), при этом необходимо установить DSDSEL [1:0] bit = “11”, при всех прочих настройках ЦФ будут артефакты
активный фильтр нижних частот 2-го порядка частота среза 97,6 кГц по формуле fc= 1 / 2π√(C3*C6*R25*R29)
И тут сразу 2 вопроса
1. Почему именно 97,6 кГц ?
2. Почему так важна точность резисторов и конденсаторов, которые судя по обсуждению пересчитывали/подбирали?
Итоговая частота среза аналогового фильтра ~ 85кГц.
1) просто на слух это вариант понравился
2) очевидно, цап имеет дифференциальный выход, коэффициенты передачи для ФНЧ надо обеспечить одинаковыми, как и уровни сигналов и на входах звена разностной обработка, если вы хотите обеспечить максимальное подавление синфазных помех с выхода ЦАП которые прошли ФНЧ и также компенсацию искажений.
Из этого следует, что можно резисторы подобрать парами.
Список элементов BOM. Может кому пригодиться во время монтажа.
https://drive.google.com/open?id=1EAWjZqt-sJvzeH0n_3Hfw06j0To9DQSU
Здравствуйте. Не прошло и пол года, запустил «на столе» свой AH-D6.
Хотелось бы поблагодарить автора за отличную, и что не менее важно открытую конструкцию. Запустился сразу, без каких либо вопросов. Отслушал несколько оу, из тех что были в наличии (ad8066, ad8620 + ada4627-1, ada4898-1, op827, opa1611), в итоге остановился на ad8066 + opa1611.
Дисплей решил прикрутить олед ssd1322 256x64, штука не дешевая, но смотрится супер. Пока в виде макета, да и прошивка индикации и управления в работе, хотелок много, надо думать что реализовать.
Здравствуйте,
Купил у китайцев atmega88. Сначала вообще не была видна. Припаял внешний кварц. Не получалось прошить или поменять фузы, включая локи, вообще. Оказалось, что в avrdude надо добавлять опцию -e (стирание EEPROM) при замене локов. Это такая защита от чтения кода прошивки. После этого всё прошилось и верифицировалось. По ходу, китайцы б/у шлют. Надеюсь, кому-то поможет. Сам выкинул микруху 8-ю из программатора с заменой на новую 328 при апгрейде firmware. Они залочили прошивку в usbasp )))
Здравствуйте! Спасибо пользователю Michael, с его подборкой треков потестил переключение режимов ЦАП на АК4490 и работу модуля индикации.
Прошивка mk0, v1.5. Щелчки в акустике при смене формата DSD: 256/128/64 и при переключении из DSD в PCM.
При переключении из PCM в DSD щелчка нет. Смена режима в PCM- нормально.
При щелчках в акустике реле ЦАПа тоже отрабатывает, но щелчок в акустике на доли секунды раньше щелчка реле.Также на индикаторе успевает промелькнуть надпись, что ДАК из МУТЕ.
Можно ли как-то побороться со щелчками в АС?
Немного не так — переделать можно с любой прошивкой, идея переделки в том, что аманеро работает мастером, но тактируется при этом от ЦАПа.
А версия прошивки влияет на поведение Аманеро, а откуда пришел такт эта зверушка не знает.
Опять плохо формулирую вопрос((... Аманеро у меня уже переделана аппаратно в слейв.(программно в слейв не смог перевести), тактируется от ЦАП. Все работает. Не устраивают щелчки в акустике на определенных сменах режимов. Хотел узнать, какая прошивка Аманеро актуальна для такой конфигурации и поможет ли актуальная прошивка убрать щелчки в АС при, например, переключении DSD на PCM?
Может, резистор-конденсатор параллельно катушке реле? Диод там уже есть. увеличим задержку срабатывания...?
Что то типа такого: avrdude.exe -p m88 -c usbasp -e -U lock:w:63:m
63 — это 3F, как в статье уважаемого Admin'a про программирование контроллера:http://audiohobby.ru/proshivka-mikrokontrollera-v-czap-akh-serii-ah-dkh.html
Потом поменял другие фузы и контроллер опять потерялся. Теперь уже из-за низкого клока. Поставил J3 на программаторе и опять заработало.
Спасибо!
Еще вопрос: вы делали себе модуль индикации к Аманеро? Если да, то сопоставляли ли надпись DAC is Muted со срабатыванием реле?
Наблюдал за работой ЦАПа, щелчками реле, индикатором при различных переключениях, убедился, что PCM щелчков в акустике нет в любых комбинациях, реле дважды щелкают при смене 44/48 сетки, с интервалом около 1 сек между щелчками.
В DSD есть щелчки в АС не только при смене формата 64/128/256, но и тогда, когда прерываешь воспроизведение одного трека и включаешь другой в том же DSD формате.
Всегда, когда есть щелчки в АС, реле тоже щелкают, но чуть позже щелчка в акустике, предполагаю, при этом два щелчка реле сливаются в один.
Все больше склоняюсь к тому, чтобы надо пробовать перепрошить Аманеро, Смущает только то, что в DSD режиме не соблюдается временной интервал между щелчками реле в 1 сек.
модуль индикации пока не делал, и скорее всего делать не буду.
Что касается щелчков картина аналогичная, но есть некоторые отличия в зависимости от того какой цап подключён к аманеро, повторяться не буду, всё описал раньше в соотв. ветках.
при переходе воспроизведения от DSD к РСМ на прошивке 1096 реле не щёлкают вообще на обоих цапах, но на 4495 щелчки в акустике есть, а на 4493 их нет.
интервал около секунды это интервал между отключением и повторным включением реле. Сами реле срабатывают одновременно.
Чтобы не было щелчка, аманеро должна подавать сигнал сброса (mute) заранее, до того как изменятся сами данные на входе мс ЦАП-а. Это реализовано в новых прошивках amanеro.
Те не менее можете попробовать ЦАП со строй прошивкой аманеро, но используя режим dsd auto detect в ak4493 (джампер в положении 9-10 конфига). Но по этому режиму были оптимизации, рекомендую обновить прошивку ЦАП.
AH-D6-mk3-firmware-atmega88-v2.0.hex.zip — в этой прошивке существенно был оптимизирован этот режим dsd auto detect и проверен при работе с XMOS модулем, где вообще не было сигнала mute / rst. и флага dsd.
«Может быть, в DSD после прекращения воспроизведения сразу замыкать выход на землю? Вне зависимости от того, будут дальше изменения формата или нет... Пусть лучше щёлкают реле, чем АС.»
МК не анализирует данные, которые приходят на вход ЦАП-а. Это я считаю и не его задача. Здесь транспорт должен посылать сигнал mute заранее, а не после изменения формата данных. Ну и в ak4493 есть подобный анализ и соотвественно «dsd auto detect», который мог бы помочь.
Как вариант можно заменить аппаратный сброс на софтовый при смене формата и сетки. Это уменьшит по времени продолжительность переходных процессов. Посмотрю, что там с тестами ak4495 скажут и тогда тут выложу для ak4490 (сейчас под рукой нет демо-цапа, который на ak4490).
Было бы замечательно попробовать такую прошивку.
А как вы думаете, может ли софтовый плеер влиять на своевременную подачу транспортом сигнала mute?
Автору разработки — ОГРОМНЕЙШАЯ благодарность!
Собрал ЦАП AH D6-2.1 на АК4490. На выходе ADA4627, в фильтре AD8066. На борту генераторы NDK, левая китайская аманера аппаратным слейвом (Владимиру Пушкову отдельный и такой же большой респект!). В питании референса и выходных ОУ решил поставить конденсаторы Panasonic FC и FM. Всё меряется более, чем отлично, но...
Придирчивая отслушка в нескольких «ушных» трактах показала, что при всех прочих топовых характеристиках, как на замерах, так и в реальном звуке, ЦАП даёт неожиданно вялый и сильно зажатый бас, а середина и верха звучат слишком ярко и навязчиво. Лазить осциллографом, смотреть, как работают стабилизаторы не очень хотелось. Для начала решил убрать слишком низкоимпедансные Panasonic FM в питании выдоных ОУ (С8,С11, С61, С62). Поставил вместо них то, что попалось под руку — очень маленькие и очень китайские elna silmic 100мкф/16В, сдутые с дешёвой алишной платки. И... тут же звук пришёл в норму.
Не знаю, в чём истинная причина — возможно, стабилизатор даже с развязывающими резисторами плохо работает на очень низкоимпедансные конденсаторы, возможно в моём стабилизаторе стоят кривые ОУ 5534 от чипдипа, которые не лечатся компенсационными конденсаторами. Возможно, правы некоторые авторитетные участники бесконечных аудиофильских споров, что низкоимпедансные конденсаторы дают плохой звук именно на НЧ и ярчат верх и середину.
Споры и дебаты разводить не собираюсь. Просто конкретный опыт показал, что в одном конкретном изделии конкретные Panasonic FM в аналоговом питании сильно портят звук.
Андрей, здравствуйте!
Попробовал новую версию прошивки.
К сожалению, проблема осталась- при смене формата DSD и переключении из DSD в PCM по прежнему щелчок в АС до срабатывания реле.
Похоже, остается только перепрошивка Аманеро.
По итогу предпочитаю nichikon KT/KA в аналоге, как хороший вариант по соотношение цена / качество.
«сильно зажатый бас, а середина и верха звучат слишком ярко и навязчиво» — Судя по описанию похоже на возбуд стаба.
Проводил эксперименты со своими экземплярами и исследовал этот вопрос, генережку при наличии коррекции у себя не наблюдал. Как и собственно отличий в звуке при замене ne5534 на op42 / op07 / opa1641. Но вполне допускаю, что другие партии могу вести себя не так.
Те не менее удалось заставить генерить свои, даже при наличии коррекции, убрав электролит и снизив номинал блокировочной керамики на входе стаба до 10нФ. Увеличение номинала коррекции до 1нф помогло побороть генерацию. Более подробное изучение схемотехники ne5534 показало, что к возбуду склонен сам выходной каскад этого ОУ из-за возникающей положительно ООС по питанию. Также уменьшение номинала выходной пленки / керамики (ниже рекомендованных 0.1u) тоже увеличивает шансы получить возбуд т.к. частота генерации смещается в более высокочастотную область.
Резюмируя это, тем, кто столкнулся с выше описанными проблемами, рекомендую увеличить номинал емкости компенсации ne5535 до 150-220пФ. Кроме этого, рекомендую увеличить номинал входной керамики С24/C48, C71/C106 до 1мкф. Также, как вариант, одобряю замену ne5535, вариантов замены много, например op07, широко доступен, стоит копейки.
Огромное спасибо за подробное разъяснение причин возбуда стабилизатора! Кстати, вполне могло случиться, что в чипдипе упаковщики засунули мне 0,01мкф вместо 0,1мкф. Подобное в чипдипе уже бывало. Обязательно перемеряю остатки купленной партии. Попробую заменить 5534 на OP07. Действительно, они есть в наличии и стоят копейки. Думаю, было бы неплохо пометить в основной статье возможность или даже необходимость подобной замены при появлении признаков генерации стабилизатора.
Ещё раз благодарю за рекомендации и все Ваши разработки!
Здравствуйте! Перепрошил Аманеро прошивкой CPLD_for_1080, СPU DSD 512*48*44.
Прошивка ЦАП (4490)-новая, 2.0. Пробовал с перемычкой на пин 9 конфига и без нее.
Щелчки при смене DSD формата в акустике остались. Подскажите, пожалуйста, какие версии прошивок для Аманеро можно попробовать (в списке Maintenance Tool 1.18- большое разнообразие).
Значит неправильно прошиваете… или в configurations bits (oemtool) забыли проставить Enable F1,F2,F3,F4 functions. Индикация прекрасно работает в обоих прошивках, щелчков нет в обоих.
Прошивка плис CPLD_for_1080 прошивки CPU — firmware_1099c / DSD512х48х44
Проверено на нескольких ПК, дрова в 10-ке последние с сайта amanero, в windows7 / windows 2008 server — используемый драйвер v1.59 (ибо тот что с сайта вообще не ставится, качаем тут/articles/nastroika-foobar2000-dlja-vosproizvedenija-dsd.html) Для поддержки DSD256/512 качаем драйвера согласно инструкции (https://www.amanero.com/drivers/combo384-D.pdf) — хотя в фубару это не поможет.
«The DSD over USB format is detected when PCM sample with an alternate sequence of 32 FA05 token in the MSB part is received. The DSD managed frequencies are 2.822 Mhz, 3.072 Mhz, 5.644 Mhz, 6.144 Mhz. With ASIO Driver http://www.amanero.com/asio it's possible to play native DSD extending the range to DSD256 and DSD512. »
Также работает и последняя новая прошивкаhttps://amanero.com/combo384_firmware.htm
Требует полного удаление старого драйвера, иначе будут вылеты в синий экран при отключении модуля. Но с ней выявлены проблемы с зависающим пином mute в DSD128 / DSD256 (пропадает звук). Пока этот виндовый драйвер не стабилен. Основная прошивка у меня под Linux.
Андрей, здравствуйте! С индикацией разобрался, видимо, да- забыл проставить галочку в битах конфигурации.
Что правильно прошиваю-уверенности нет. Есть какая либо возможность посмотреть версии прошивок CPU и СPLD, по факту установленных в Аманеро?
Драйвер у меня, скорее всего, именно с оф. сайта, версия 1.0.57. Установлен на 2 стац. ПК и ноутбук. система -везде Win 7.
Софтовый плеер — Аплеер, foobar ни разу не пробовал.
Успел попробовать прошивку CPLD_1090 + CPU DSD512х48х44. Щелчки при смене формата DSD остались, добавился треск на flac высокого разрешения.
Честно говоря, уже руки опускаются... С железом проще возиться...
Насколько я понимаю, надо начать с установки нового драйвера Аманеро?
Большое спасибо за помощь и внимание!
Попробуйте установить 1.59 + асио драйвер с сайта.
Последний вариант firmware_2006be11 новый драйвером под виндовс как мне показалось сырой.
Электролиты решают всё...
Даже если опреационники в стабе не возбуждаются, низкоимпедансные панасоники в фильтрах аналогового питания звучат откровенно плохо. Намного хуже Nichicon KZ и FG. По крайней мере в Sennheiser HD-650 с высоколинейным однокаскадным ламповым усилителем мои уши услышали это более, чем хорошо.
Поставил в питание референса Nichicon FG, в питание выходных ОУ Nichicon KZ вместо Panasonic FC и FM. И звук встал на свои правильные места. В общем, в ЦАПе такого уровня нет смысла ставить на выходы аналоговых стабилизаторов что-то ниже Nichicon KZ и FG (KA ещё не пробовал). Иначе копеечная экономия на конденсаторах перечеркнёт абсолютно всё.
Питание выходных ОУ — Nichicon KZ 220мкф/25В, диаметр 12,5 мм. Референс и аналог м/с цап — Nichicon FG 470мкф/16В, диаметр 10 мм (под соответствующие места на плате). Брал то, что было в наличии в аудиомании и подходило по диаметру. Nichicon FG 1000мкф/16В (диаметр 10мм), увы в продаже не было, но, как показало пристальное тестовое прослушивание, в этих цепях увеличение ёмкости выше 100 мкф уже практически мало чего прибавляет в звуке. Nichicon КА в аудиомании тоже не было, поэтому они в экспериментах не участвовали.
Здравствуйте,
Столкнулся с затруднением. При воспроизведении не срабатывают реле. Замыкал справа оптопару — включается. Проследил до 12 ноги МК — на ней ничего нет. Прошивка в целом работает, т.к. кварцы включаются и переключаются, входы конфига подтянуты к единице. Где покопать?
Логика mute реле завязана как-то на rst от amanero? Стоит там посмотреть?
Электролиты в референс как можно больше, заменить OPA1641 на OPA1611.
У меня в ЦАПе (от Сергея и Ильи) в референс поставил по 6800uF, в питание ОУ по 8200uF, ОУ стоят в фильтрах OPA828, в каскаде разностной обработки OPA827, проблема с басом одна, он соседям бывает не нравится ))).
А ещё возможно стоит просто послушать подольше, и выясниться что баса не мало а он просто нормальный не гудящий и не превалирующий над остальной частью спектра. Бывает что на нормальном источнике кажется что чего то не хватает в сравнении с предыдущим источником классом ниже а то и на порядок худшем.
Я бы поигрался с типом емкостей, в выхлоп какие-нибудь аудиоэлектролиты
у меня поначалу тоже были вопросы, решил подбором емкостей и дикого размера не потребовалось.
сейчас 470 мкФ референс, 220-330 мкФ аналог (у меня собрана не одна плата) и 1000 мкФ в выхлопе
Андрей, поделитесь, если не секрет, какие именно. Серафайн, kz? куда какие в итоге поставили
Не секрет конечно, в референсе Elna R2O (уменьшенная версия Tonerex), в аналоге Panasonic FC или Epcos, в выхлопе Elna RA2. Пробовал в одной версии AK4490 в выхлоп Nichicon FW — неплохо, если шунтировать керамикой NP0 + полипропилен (паял снизу на ножки элктролитов)
Вот тут человек в своем цапе исследовал проблему увеличения искажений на НЧ по сравнению с СЧ и ВЧ, в частности тест IMD 60Гц+7кГц не нравился, оказалась емкость в опоре. Ну хотя это и сразу было ясно. Вот с этого поста и дальше
http://forum.vegalab.ru/showthread.php?t=86369&p=2698010&viewfull=1#post2698010
полторы страницы примерно прочитать надо.
(странно почему то у меня с этой ссылки на первый пост переводит, надо с поста 56 читать на 3 странице)
Всем привет.
Сейчас смотрю BOM лист, и появились вопросы.
У 10й и 19й позиций нет размеров, у 25 не верное значение (что за номинал?), у 36й не понятной какой корпус (в одной колонке 0805, в другой 1206)..
Подскажите пожалуйста
C7, C64, C35 — D=6,3
C86, C92 — D=5
FR13, FR14 — 2,2 Ом
R2, R12, R21, R46, R52, R62, R63 — 0805
Спасибо.
FR это резистор? Почему он на схеме именно FR называется, а не как остальные резисторы?
Названы FR, поскольку «по совместительству» выполняют функцию перемычек-отсечек питания соответствующих каскадов схемы. Автор в теме рекомендует не запаивать их до первой подачи питания на плату, чтобы, в случае ошибок, не спалить дорогие ОУ и м/с ЦАП. Т.е. сначала, не запаивая FR, подаёте питание, проверяете ВСЕ напряжения и, если, всё в норме, запаиваете все перемычки.
Где-то так)))
Всем доброго здоровья,
Собрал ЦАП на АК4493. Пока в ведомом режиме. Емкости хорошие (Elna Silmic, Nichicon что-то там, в фильтрах пленки). Емкости пока НЕ зашунтированы np0. Amanero китайская без твиков.
PCM играет прекрасно. Тишина в паузах. Ясно, чисто. Звук нравится.
Скачал aplayer и включил в DoP моде (китаец Native не поддерживает). Так вот в паузах (да и на тихих участках) явно слышатся шумы дискретизации. Есть два альбома — Sting и ABBA. Шумы отличаются, но есть. Реле не срабатывают. Да и звук как-то не очень. При воспроизведении тех же dsf в PCM всё чисто и красиво.
Вопрос знатокам. Что это может быть? ЦАП отбракованный (покупал на али)? (уже встречался с таким с китайским ES9023, жужжит в одном канале и ничего не помогает).
1) Попробуйте старую версию прошивки 1.5 она более проверенная, в версии 2.0 я сильно уменьшил задержки может вашему чипу не хватает. Для версии 2.0 обязательно надо чтобы частота МК была не более 1Мгц.
2) Убедитесь, что сами записи нормальные, а то мало ли...
3) Если это не поможет далее, думаю, надо обновлять прошивку на аманерку.
Спасибо! Да я вроде 1.5 и использую. МК на 1Мгц. Жужжит именно когда на паузе, то есть реле не отщелкивает и слышно жужжание. То есть оно имеется, когда ЦАП в режим DSD переведен.
Записи и вправду могут быть не очень. Стинга слушал и на buffalo плеере с конвертацией в PCM — не очень понравилось. ABBA вроде неплохо.
А аманерку китайскую можно прошить для поддержки native dsd? ей не поплохеет? Там по железу всё тоже самое, что и в оригинале?
Не щелкает реле из-за аманерки, нет сигнала muste/rst. Обновлять можно, если клон с оригинала, http://audiohobby.ru/articles/proshivka-kitajskogo-klona-amanero.html там в комментариях есть ссылка на AmanroLoader, им и шить. Если версия с нестандартной плис, то нельзя.
Добрый день,
Перевел, наконец, в master mode и всё с DSD встало на свои места. На паузе реле не щёлкает, но ничего постороннего в колонках нет. Поставил все np0 на место. Играет чудесно DSD128.
Спасибо, еще раз, за отличный проект.
С уважением,
Владимир
Может быть, имело бы смысл завести отдельную ветку по конструктиву наших устройств, не обязательно только ЦАПов? Мне, как начинающему, было бы интересно посмотреть на компоновку плат в корпусах, раскладку проводов питания и шлейфов, да и просто дизайн лицевых панелей и в целом. Такие фортки иногда попадаются, но хотелось бы больше и подробнее...
Завел ветку на форуме Часть 6. Ветка форума для обсуждению вопросов по отладке своих сборок AH-D6.0
Предлагаю в нее выкладывать и фотографии готовых конструкций и там же обсуждать частные проблемы со сборкой своих плат.
Добрый день.
В питании аналога микросхемы ЦАП рекомендуется ставить LOW ESR типа Panasonic FR?
Вроде бы аналог, там могут быть высокочастотные наводки?
В аналоге АК, лезет основной тон в купе с ВЧ грязью частотами кратно частоте работы модуляторов (это десятки мГц). В первую очередь ставить надо np0 керамику 0.1мкф или пленку PPS (уменьшать этот номинал нельзя). И в дополнение к ней можно x7r керамику 1-4.7мкф. Электролит здесь не так заметен, я ставил у себя LOW ESRPanasonic FC/FM/FR, можно для успокоения и elna silmic / cerafine применить они и тут хороши.
Вот и я выбираю между Panasonic FR, Elna Silmic 2 1000 х 6.3в, а еще Nichicon FG (последние два есть в наличии, их и хотел ставить, Ваш пост сбил с толку :).
Кстати, что лучше будет в питании рефа и ОУ поставить Elna Silmic 2 или Elna cerafine? А может быть Nichicon KZ, они в 3 раза дешевле?
ОУ по питанию хорошо давит помехи, до -60Дб, так ли там важен дорогой электролит?
Извиняюсь за примитивный вопрос, но объясните, пожалуйста, что обозначает на схеме стабов сокращение ”n.c.” для R4, R16 иС77, С80? В BOM эти компоненты отсутствуют.
not connected, «не установлен» или «не устанавливать»
«не устанавливать» — так точнее
Хочу поблагодарить Андрея за отличный ЦАП AH-D6 mk2, выложенный в свободный доступ.
Собрал ещё в начале года, звук порадовал. По настоящему оценил когда в качестве транспорта вместо стационарного компа (Win7, Foobar), подключил к ноутбуку с аккумуляторным питанием (Win10, тот же Foobar). Играет очень прозрачно, с высоким разрешением, хорошей проработкой атаки, шикарной локализацией КИЗ.
ОУ поставил AD8066 в ФНЧ и OPA828 в сумматор. Желания пробовать другие не возникает.
Электролиты в аналоге везде ELNA Silmic II, в цифровых цепях полимерные производства KEMET вперемешку с осконами. Сравнил в питании аналога AK4493 полимерные электролиты с Silmic II. Последние явно лучше, несмотря на гораздо больший ESR.
Резисторы в ФНЧ 4.7к/2.4к, в сумматоре 4.7к. Аппроксимация фильтра остается близка к Бесселю, но в сумматор можно выбрать близкие номиналы из большего кол-ва.
Из небольших «багов» — был подвозбуд 79L05 опоры (производства UTC, ONsemi под рукой не оказалось) на частоте 70кГц размахом 0.3 вольта, впрочем на выход всего стаба питания ОУ не пролезающий. Вылечил увеличением емкости на выходе 79L05 (C95) до 1мкФ. И было не просто запаять генератор Crystek ССHD-575, т.к. его реальная длина 8.5, а не 7мм, а монтаж в этом месте очень плотный.
Ветка с отзывами похоже мертвая, поэтому пишу здесь. Если нужно туда, могу перенести.
Добавил фото. Плата с сетевыми трансами временная. Потом облагорожу.
Здравствуйте, а вы случайно не сравнивали звучание полимерных электролитов с Silmic II в в питании референса?
Не сравнивал. В референс сразу установил Silmic II
Понятно, я тоже с силмиков начал, на аналоге пробовал Panasonic FC, Nichicon KA, Nichicon KW, вернулся к силмикам. До референса руки не дошли. Теперь собираю улучшению версию...
Именно с силмиками не сравнивал, но с разными неполимерами сравнивал, среди которых Panasonic FC, Nichicon FW, Rubycon ZL, Philips 037, Cornell Dubilier DJ3 и ещё какие то. Лично мне в итоге больше всего понравилось сочетание большой ёмкости Nichicon VR 6800uF 6.3V и полимерного конденсатора 560uF 6.3V + около 200uF керамики номиналами от 10nF до 100uF с шагом x10, на этом и остановился. А вообще что касается звука надо самому слушать, чужие отзывы хорошо, но следовать им без собственных прослушиваний плохо.
Serzhant808, на ваш взгляд Nichicon FW лучше чем Panasonic FC? и если да то в чем?
На мой взгляд Nichicon FW самые заурядные конденсаторы и лично мне кажется что это те же самые Nichicon VR одетые в золотистую термоусадку, разницы между ними обнаружить не удалось никакой. Panasonic FC как по мне лучше, как и практически все LOW ESR конденсаторы. А вообще сообщением выше я написал главное на мой взгляд, для себя слушать надо самому, только это обычно никто не видит почему то.
На веге ответственные товарищи писали что FR- те же FM. В VDD стояли они, хорошо играли, середина просто the best. Прорисовска и бас на месте. Сейчас поменял на рекомендуемые в подобных местах lynx, панасоник fk. Как то звук протух слегка сразу. Вроде уже должны натренироваться за это время.Думаю на fm поменять их. Похоже производителям впору изготавливать тонкомпенсированные кондеры)))
«А вообще что касается звука надо самому слушать, чужие отзывы хорошо, но следовать им без собственных прослушиваний плохо.» вот полностью разделяю мнение, надо самому слушать. Тракты у всех разные, как и уши))
Отвечу за себя, пробовал много чего в референсе ak4493 и полимеры и керамику, но остановился на
ECPU1C105MA5 + nichicon KZ 100u 25в. Аналогичную комбинацию оставил и в питании аналогового фильтра ECPU1C105MA5 + nichicon KZ 220u 25в. Силмик 2 тоже слушал, красиво, на спокойной музыке нравится, но где надо прибавить, имхо сильно приглажено, динамики не хватает.
В VDDL/R предпочитаю низкоимпедансные: Nichicon PW, Panasonic FM, Sanyo WG + 1мкф pps + 0.1u np0 керамика
Почти также,Panasonic FM вывел для себя в высшую лигу по звуку, и к ним 1мкФ полипропилена.
Силмик 2 тоже слушал, красиво, на спокойной музыке нравится, но где надо прибавить, имхо сильно приглажено, динамики не хватает.
именно по этой причине предпочитаю Церафайны, дорого, но имхо, круче силмиков, хотя сама ЕLNA позиционирует их на ступеньку ниже, при том что стоят они дороже силмиков
измерил
Panasonic FC 1000uF 35V ESR 0.0285 Ohm
Nichicon FW 1000uF 35V ESR 0.0525 Ohm
Nichicon PW 1000uF 35V ESR 0.0315 Ohm
Тренировали сколько времени и одинаково? Подозреваю что тут зависимость сопротивления от частоты дает свой окрас.Как может например принципиально разные кондеры давать похожий звук )))
я не занимаюсь всякой х... тренировкой и без понятия, что и какой дает окрас, ставьте что хотите. Я либо ставлю что под рукой в неответственные места, либо Nichicon KA
https://www.dropbox.com/s/narrvg8mwndux2i/20200914...
https://www.dropbox.com/s/7sin0yegqzw08ho/20211121...
На счет неответственных мест аналогично, вплоть до китайских- «чанг» или дешевых ягео SH. Нихикон ка никогда не слышал, это элитные кондеры для звука)))
Здравствуйте! Вы указали ОУ AD828 в сумматоре, он же вроде как двухканальный… Как вы его распаяли на этой плате?
OPA828, конечно. Просто ошибся. Поправил пост.
Собираю детали, почти все нашел кроме самой микры цапа.Кто нибудь на алиэкспрессе брал ak4493?
практически все кто собрал на алике и берут. Я том числе. Отзывов о залипухах вроде не встречал.
При замене NE5534 на OP07 конденсаторы Ccomp убирать?
Да
Заранее прошу прощения, если этот вопрос тут уже озвучивался, но меня интересует, насколько можно завышать питание на 4493? Насколько я понял, что чем выше питание, тем лучше становится атака и детализация. На 4490 при 7 вольтах вообще чудеса происходят, но вот 4490 тянет эти 7 вольт, а что насчёт 4493? Какое максимально безопасное напряжение порекомендуете?
Да, на4490 это весьма полезная возможность, при этом замечу, что желательно еще делать питание референса на ~0.5 ниже, чем VDDL®, для минимизации искажений.
В случае 4493 даташит прямо говорит не подымать напряжение выше 5.25в, думаю, этого надо и придерживаться. Считаю, что можно приподнять питание VDDL® скажем до 5.1В. Разница в 0.05-0.1 с референсом позволяет получить небольшое снижение искажений. Увеличение же разницы более 0.1В в случае 4493 наоборот ведет опять к росту искажений.
Могу сказать точно, что при 4493 — 7.4В чип точно выходит из строя после непродолжительного времени работы. Один из посетителей сайта, которого пришлось консультировать в поиске его ошибок сборки, проверил это на своем горьком опыте. Поэтому еще раз повторю внимательно смотрите монтаж и проверяйте питающие напряжения до подачи питания на чип.
"Можно заметить, что все основные линии питания ak449х отделены от стабилизаторов низкоомными резисторам (FRх) и бусинами перемычками. Рекомендую их сразу не запаивать, т.е. сначала проверить корректность и наличие необходимых корректных напряжений на выходах линейных стабилизаторов на плате и только потом запаять их."
Диоды D6 D7 нужно ставить?
Реле буду использовать hfd4/5.
оба ставить не обязательно, но один должен стоять. От марки реле это не зависит.
Вы слушали схемы АКМ, запитанные не от внутреннего LDO? Уж очень интересно, зачем они сделали возможность отключения его с целью вручную нагородить туда стабилизацию. Может, можно сильно улучшить качество звука, если ЛДОЕ=0 и самому нагородить стабилизацию для VDD?
Ещё вопрос: заранее прошу прощения, если это уже здесь обсуждалось, но что скажете о сравнении звучания микросхем 4490 и 4493? Очень часто слышу, что 4490 банально лучше, чем 4493, но очень интересно услышать ваше мнение, если вы отслушивали и 4490 и 4493 на одном макете, например, по очереди.
От кого вы слышите что 4490 лучше 4493?! От «гуру» ютюба?)) Даа, там таких полно! Я вам скажу даже больше — распространённое мнение что 4490 лучше чем 4495 тоже утка, давным давно запущенная кем-то в интернет и многократно размноженная любителями поспорить о вкусе рыбы, которую никогда не пробовали. На замерах может и есть несущественная разница, но на слух я не могу сказать что 4495 уступает даже 4493 — едва заметные (на уровне самовнушения) отличия есть, но сказать что один лучше/хуже другого нельзя. 4493 лучше чем 4490, тут двух мнений быть не может.
Соглашусь с предыдущим мнением, на мой слух тоже как-то так получается: AK4497 > 4493 = 4495 > 4490. Отслушал их все на идентичных фильтрах, начиная от классики на ОУ, далее трансформаторного и заканчивая дискретом, 4493 и 4495 звучат немного по разному, но чему отдать предпочтение точно не знаю (первая звучит прозрачнее и аналитичнее, вторая теплее и лучше НЧ).
AK4493 чуть технологичнее: есть автоопределение dsd и она меньше щелкает сама по себе при переключении режимов, что позволяет ее использовать без реле.
«АКМ, запитанные не от внутреннего LDO» почему бы и нет, если собираете ТОП, то можете попробовать. Я пробовал с ak4497, разницы значимой на слух не заметил, но для успокоения можно сделать и с внешним, если в плату хорошо ложится.
4497 и 4495 это Audio 4Рro серия, 4493 и 4490 обычные. Имхо правильнее считать 4493 наследником 4490, а 4497 развитием 4495, хотя по дате рождения 4493 ближе к 4497.
попалась на глаза любопытная информация от АК :
Всем привет. Где лучше брать audio электролиты и резисторы thinfilm?
http://audiohobby.ru/articles/internet-magaziny-radiodetalei.html
Андрей, спасибо за проект. Прошу пояснить по схеме и комплектации для платы версии 2.0, т.к. не разобрался с несколькими вопросами:
впаял генераторы. хочу чтоб цап был мастером а аманеро слейвом.
— можно ли в этом случае выпаять генераторы с аманеро?
— какие перемычки нужно поставить на самом ЦАПе?
отвечу сам-себе :)
генераторы заменил, с аманеро удалил, саму аманеро перевел в режим слейва програмно, перемычку с цапа снял(разьем конфиг, 5-6). все работает отлично.
Так вроде выяснилось что не совсем корректно оно в слейве работает, даже специально целую тему создали о переводе аманеро в слейв аппаратно, но при этом оно думает что мастер. Как раз сообщение выше с ссылкой на эту тему.
audiohobby.ru/articles/hardvarnyi-sposob-perevoda-modulja-amanero-v-slave-rezhim.html
Там разжевано почему так а не иначе наиболее корректно работает.
так для информации — поставил стабилизаторы на TPS7A4700. три штуки. стало совсем чуток лучше качество звука. хз, то ли это чисто мое субьективное мнение, либо на самом деле стало лучше… как проверить? П.С. уши чистил :)
Что-то я не соображу куда TPS7A4700 тут поставить?
в блоке питания
В данном варианте особого смысла использовать A4700 в качестве первичных стабов нет, т.к. вторичные более низкого качества, да и длина соединительных проводов при использовании ультрамалошумящих стабов должна быть минимальной, иначе все преимущества этих стабов сводятся к нулю. Т.е. в данном случае единственный выигрыш это минимальное падение напряжения на выходе, можно использовать трансы с вторичкой на 6в, но для такого случая есть более подходящие и более дешёвые варианты замены 7805:
схему активной части для дискретных модулей стабилизатора подсмотрел тут:
audiomod.ru/projects/linear_power1/description.html
Кстати, зачем такие длинные шлейфы сделали? Это тоже не есть хорошо:)
это тестовый образец. я на нем провожу эксперименты :)
Стаб этот из журнала радио, хорош, тоже периодически использую. Правда в роли первичного стаба имхо совсем жирно)).
Маслом кашу не испортить, к тому же, стабик обходится не дорого, так почему бы и нет?) Помимо этого мне нужны были ЛДО стабы под вторичку на 6в, т.к. на моих платах БП помещаются трансы максимум на 2,5VA. С вторичкой на 9в максимального тока у таких трансов уже маловато для питания гальваноразвязки с аманеркой.
в той ссылке есть упоминание на статью из журнала Радио, но на том сайте схема уже адаптирована под более современную элементную базу.
подскажите, какой операционник можно поставить вместо NE5532 в корпусе soic-8 ???
Себе ставил opa1652/opa1642/opa2141 из бюджетного — JRC4558.
а есть смысл заменить все операционники, стабилизаторы на более качественные? собирал по BOM-у
на мой взгляд — нет, в позиции NE5532 я разницы вообще не заметил, вот в питании референса (5534) меняется звучание от ОУ, в конечном итоге вернулся к 5534. Здесь еще зависит от конденсаторов, например Nichicon FG немного ярчат середину и к ним в пару мне больше понравились OPA172, которые серединку немного «просаживают».
А так все это чистой воды вкусовщина — например, на форуме есть отзывы, где людям нравится OP07, а мне он в этой позиции совсем не понравился.
Все эксперименты я проводил на плате первой версии, на второй может быть все по другому, стабы все же немного различаются.
Точно за этот цап не скажу, но в своем цапе, который по мотивам Lynx D60 и с аналогичным питанием, наибольшее влияние заметил от смены ОУ в стабе фильтра, тут поставил op42, с ним как-то звук живее. А в питании референса применил AD797, но у меня в этом месте схема другая, с умощняющим транзистором. В питании аналога 4493 какой-то разницы от замены не уловил, но оставил LME49720 для самоуспокоения.
Добрый день!
Посоветуйте, пожалуйста, такой момент. Планирую подключать ЦАП к олдскульному автоусилителю Alpine 3558. Вход, соответственно, 2В максимум.
Возникают две опции: убрать пред в усилке (как тут halin-kvdam.blogspot.com/2014/04/blog-post.html )
или изменить напряжение на ЦАПе.
Так как дружу с паяльником, но не очень дружу (пока) с глубоким пониманием процессов, прошу совета по изменению. Просто воткнуть резистор как-то не очень красивое решение, возможно нужно изменить фильтр, чтобы получить 2В сигнал на выходе ЦАПа?
Регулятор громкости вам в помощь, или он вообще не планируется???
Ну вообще у цапа уровень вполне стандартный 2Vrms (с прошивкой 1.5), а с прошивками 2.х и того немного ниже. Что у вас значит «2В максимум» — это амплитудного или rms или от пика до пика ???
Комменты пришлось почистить, столько понаписали, что страница на мобильном открывается несколько минут.
Denis_KA — "Ох, ща в меня тапки полетят :)… Скажу больше — ЦАПов должно быть три, каждый на свою полосу и свои динамики, соответственно. Поэтому вариант крутилок в аналоге изначально даже и не рассматривается. ЦАП в любом случае будет преобразовывать уже коцаный сигнал цифрового кросса, с задержками. Отсюда задача максимально «облегчить» и улучшить аналоговую составляющую. Цифра — она и в Африке цифра, ее можно бесконечно кромсать, решать проблемы с цифрой будем по мере их появления."
Продолжение в ветке на форуме "Кроссовер для поканального усиления"
Я дико извиняюсь, странный номинал резисторов — 5,36к..? Нигде не нашел упоминаний. Может очепятка? Просветите зануду.
Спасибо...
Здравствуйте!
Подскажите, можно ли в данный ЦАП поставить ещё toslink?
можно. с помощью мультиплексора(74hc157) и модуля toslink 2 i2s. на алике есть.
https://www.aliexpress.com/item/32794262280.html?s...
https://www.aliexpress.com/item/32809504593.html?s...
но в ущерб качеству и при условии что цап работает мастером
Предыдущий ответ только наполовину верен, поэтому немного поправлю. Второе устройство в ответе не подойдёт, так как, если я верно его рассмотрел оно умеет из USB делать S/PDIF, а вам нужен «наоборот» — приемник S/PDIF и преобразователь его в I2S.
Вариантов приёмников много, как пример Spdif/оптические модули на AK4113(не реклама, сам когда-то один такой купил и пользуюсь), или Коаксиальное волокно SPDIF, плата приемника AK4113, цифровой вход I2S, выход 24/фотография 32 ~ 192 кГц, или SPDIF коаксиальный волокно WM8805 приемника, I2S выход в соответствии с выходной мощностью 5v-12v Частота дискретизации 32 кГц ~ 192 кГц. Можно купить любой дешёвый ЦАП вроде такого (указал первый попавшийся) Конвертер spdif/rca при условии что внутри есть masterclock и вывести оттуда сигналы S/PDIF.
Дальше зависит от того, в каком режиме у вас работает ЦАП с USB и, если в мастере, то с каким транспортом USB — I2S. Если ЦАП работает слэйвом, то достаточно купить коммутатор такой как указан уже в ответе (на логической микросхеме серии 157), или спаять его на макетной плате на чём-нибудь быстром, вроде 74ALS157 или 74LVC157). Не забудьте только еще про коммутацию сигналов флагов DSD, если используете соответствующий транспорт.
Если же ЦАП работает мастером в режиме USB c Аманеро, то Вам нужно будет ещё:
1. Устроить переключение ЦАПа в режим слэйва при работе с S/PDIF
2. Повесить где-то рядом «фейковый» генератор произвольного качества и при переключении на S/PDIF подавать с него masterclock на Аманеро (иначе тот зависнет).
(при обратном переключении, соотв., сделать обратные операции).
В принципе, такие переключения делаются несложно парой корпусов логики.
Есть еще варианты источника S/PDIF, умеющие тактоваться от внешнего masterclock, они — штука редкая (в основном профессиональное оборудование), но если у вас такой — напишите, подумаем как лучше сделать.
Дополню: чтобы улучшить качество при источнике S/PDIF и не «заморачиваться» с переключением masterclock, можно поставить реклокер вроде такого: FIFO Reclock Jitter Eliminator Давайте попросим Андрея (admin) чтобы он дал совет как побыстрее (хоть прямо на макетке) такой собрать, если это возможно.
К сожалению моих знаний не хватает переварить всю Вашу информацию, но всё-же не много понял ситуацию.
Данный ЦАП я заказал в виде КИТа, который будет уже собран и настроен, останется лишь установить в корпус и подключить.
В основном моя связка будет работать так: Аудио проигрыватель + ЦАП + Усилитель. Но хочется смотреть и кино, которое я проигрываю через встроенный проигрыватель телевизора, соответственно от ТВ есть выход оптический toslink, вот его бы к ЦАПу… Ещё получается необходимы будут кнопки переключения входов, USB/Toslink.
Не имея опыта, самый простой вариант это купить к ЦАП-у готовый интерфейсный модуль Charleston от Energy Audio, там предусмотрен весь набор интерфейсов, конечно, его возможности (Буфер FIFO) к toslink, тем более, для телевизора явно избыточны, ну и цена может показаться несоразмерной D6.
Здесь еще на сайте выкладывал свой проект Артем — audiohobby.ru/articles/selektor-vhodov-i2s-dlja-capa-ah-d5.html, можно попробовать проконсультироваться у него.
Свой же интерфейсный модуль стоит в планах, но только в отдаленных, так как мне пока подключения по USB достаточно.
Андрей, подскажите… Приобретая плату Charleston V3, получается она будет использоваться вместо "Плата адаптер для USB модуля Amanero для подключения к ЦАП AH-D5 / AH-D6"? В плане качества звука через USB, этот вариант не будет хуже?
И вопрос про модуль индикации,этот подружится с Charleston V3?
Приобретая плату Charleston V3, получается она будет использоваться вместо "Плата адаптер для USB модуля Amanero для подключения к ЦАП AH-D5 / AH-D6"?
— да
В плане качества звука через USB, этот вариант не будет хуже?
— должен быть не хуже, но новую, третью версию я не слышал.
«И вопрос про модуль индикации, этот подружится с Charleston V3? „
— нет, у Charleston свой модуль индикации.
Благодарю за информацию, скорее всего буду брать Charleston V3 с модулем индикации, заодно и сравню по звучанию.
Вроде бы у Артема (автора конструкции) были или платы, или готовые изделия. Но не имея опыта даже на готовой плате будет тяжеловато спаять.
Мне кажется,podelnikнужно ответить на главный вопрос — хочется и дальше разбираться со всем этим, или хочется один раз собрать и дальше наслаждаться/слушать и забыть слова «печатная плата» как страшный сон. В первом случае лучше как раз не покупать Chaleston, а собрать как Лего из отдельных устройств — во-первых, это не так сложно, а во-вторых, и опыт какой-никакой появится.
Кстати, если в Москве, то могу лично показать как что подключать (я сам очень рядом с Москвой, — в Химках, — и пары часов хватит, даже в любом кафе это можно сделать).
Извините мой непрошеный совет.
VKhrychikov, спасибо за Ваши советы. Тема мне очень нравится, стараюсь улучшать свои знания в этой области, останавливаться не планирую.
Я всё-таки куплю Chaleston, на вегалабе достаточно положительных отзывов. Но так-же постараюсь реализовать другие варианты, есть возможность поэксперементировать, так-как собираю 2 ЦАПа для себя и товарища, заодно и сравню это дело.
Буду признателен за советы и помощь в реализации.
Да, конечно, кнопка (как минимум одна) понадобится.
Ваша задача понятна, если идёт речь о цифре со встроенного проигрывателя телевизора, то, конечно, никакого реклокера не нужно (не того качества источник).
Не супер сложная задача — почитайте листы данных на микросхемы (как минимум на 157-ю), многое станет понятно. Главный пока вопрос — как Вам сконфигурировали ЦАП (мастером или слейвом).
Кстати, вот же готовая конструкция как раз для Вас (сорри, совсем забыл про неё): http://audiohobby.ru/articles/selektor-vhodov-i2s-dlja-capa-ah-d5.html
Кстати под данную конструкцию на авите платы мне попадались.
а где эту плату можно купить, или где герберы взять? в статье не нашел.
Напишите разработчику прямо здесь в личных сообщениях. Помню, что какое-то время назад лишние платы у него были.
а. спасибо.
Велика ли качественная разница между NDK NZ2520SDA, CCHD-957-25 и CCHD-575-25 (Crystek Corporation)? Можно ведь использовать последние, если припаять как-н на проводочках? А то целая проблема купить генераторы. NDK NZ2520SDA – доставка 35$, больше, чем сами генераторы. ГК-CPPL-C7L-A7BR – попробуй закажи. А SiTime – как-то подозрительно дешевы. Наверное, ими только звук этого Цапа портить.
лично я разницы не услышал между кристеками и НДК.(зато почувствовал что денег меньше стало в кошельке)
доставка, да, дорогой стала, писал в саппорт почты, почему не берут посылки — ответили что берут без проблем. похоже что это какой-то «маркетинговый ход» магазина.
SiTime — ставил — играют тоже не плохо, мне кажется что если не знать какие там генераторы, то разници не особо услышишь.(поправьте, если не прав)
SiTime по соотношению цена/качество очень хороший вариант, особенно если учесть сколько сейчас стали стоить NDK с учётом доставки. NDK теперь за такие деньги вообще нет смысла брать.
а какие еще можно брать вместо NDK, но в таком же размере?
я этим вопросом не интересовался, успел купить NDK ещё по старой цене.
Я просмотрел три темы про цап АН-D6 на этом сайте и мне повстречались упоминания про следующие генераторы:
FXO-HC73 XPRESSO
Golledge GXO-7551/A
epson SG-210STF
CCHD-575-25 размер: 5х7.5 mm SMD, 3.3V, HCMOS. (У CCHD-957-25 размер 9х14 mm SMD, 3.3V, HCMOS).
Первые три я не смотрел по даташитам.
Так у SiTime куча разных моделей и цены соответственно. Наш bmgplus хорошие генераторы выпускает, посмотрите ГК1109С — bmgplus.ru/images/pdf/pdf1109C.pdf
Какие резисторы ставить хорошие и куда?
Есть ли смысл менять Сильмик 1000 на БГ 2200?
PPS какую лучше брать? Сейчас стоит Самсунг, не сильно дорогой.
На данный момент 4493 уже уделал Сингхер сда2.
В стоке на панасах ФС, конечно был сильно хуже.
Какие ещё есть секреты в данной плате по улучшению звука?
Насчет pps, очень хорошее впечатление от ecpu1c105ma5. В аналоге, если стоят силмики, все таки лучше не уменьшать резисторы после стаба. 1R оптимально.Уменьшение номинала, улетает все в верх, с басом хуже.
Питание аналога оперов и в референс цапа. фото платы выкладывал.
А по резисторам как обстоят дела?
Имеет смысл ставить топовые?
Топовые, как понимать? На вегалабе есть не плохой BOM, можно отталкиваться от него.
поделитесь ссылкой, пожалуйста
forum.vegalab.ru/attachment.php?attachmentid=384723&d=1606422220
Например Vishay Foil
Насчет фольги, думаю перебор. Обычной точной тонкопленки.
Рекомендую использовать melf резисторы vishay. Когда в своем ЦАП поменял тонкопленку в фильтре на melf vishay MMA серии, по итогу получил ощутимый прирост разрешения. Покупал с точностью 1%, чтобы не переплачивать, потом из кучи подбирал тестером. Но в моей плате разводка сделана под резисторы типоразмера 1206.
В D6 мелкие резисторы типоразмера 0102 будет тяжелее найти.
Да типоразмер 1206 вполне даже можно на место 0802 впаять)
Я поддержу мнение, что "Обычной точной тонкопленки" достаточно. Не спорю, что улучшая элементную базу можно получить еще некоторый прирост качества, но это будет уход от изначальной идеи построения простого и достаточно бюджетного устройства с приличным уровнем звука.
Все должно быть гармонично, не вижу смысла пихать в двухслойную плату самого бюджетного для производства размера, что-то лучше.
Могу только порекомендовать тем, кто использует в звене вычитателя ОУ с биполярным входом (например OPA1611/OPA211) попробовать более низкоомные номиналы в обвязке "в звене разностной обработки 1.8k и 680pf", звено ФНЧ оставляем без изменений.
Андрей, а что на счет построение ЦАП-а с иным замыслом, ну с D6 скажем ясно, просто и со вкусом, но ведь душа просит большего)))
Это я на дескрет намекаю
А куда делся AH-D7?
Хотел собрать, а ссылка не активна...
Уже собрал 5 шт. AH-D6
Один для дома, на топе весь.
4 шт. для автоDSP на Шарке. Более лайтовые на Файн голде.
На месте в группе «тестирование и отладка»
audiohobby.ru/groups/debugging-and-testing/content/articles
Спасибо.
Изучаю.
Мне нужен сбалансированный ЦАП, не хотелось бы переключать под разную музыку...
4497 с ОУ я так понял, лучше ah-d6?
И на ОУ, динамичнее чем на транса?
Мне лично дискретный больше понравился чем остальные виды, по мне самый всеядный, транс и оу свои имеют как достоинства так и косяки.
Похоже ближайшее время отстроились мы цапы, чипы реально пропали из продажи, а те что продают стоят не гуманных конских денег!
какой-то 4490 стал почти штуку стоить, я их покупал за 300р 2 штуки.
В вычитателе рекомендуются ОУ: AD797, LT1468, посмотрел на них даташиты и что-то кажется мне, что нельзя их туда. Себе установил AD8065, хоть свиста и не слышно и микросхема вроде не греется, но и она здесь не в тему так-же, как и выше указанные мной ОУ. Думаю, что здесь хорошо встанет AD8610. Или я в чём-то не прав?
А почему нельзя LT1468, AD797? Мне чисто в образовательных целях интересно, на что смотреть в даташите? Сам непродолжительное время был владельцем Lynx D60, там стоял изначально LT1468 в этом же месте только в композите с AD811. Тут скажу, что пробовал разные замены, в итоге остановился на opa627. Звучок стал явно живее.
Почти одновременно стал владельцем D6 первой версии в топовой комплектации, покупал у Андрея. Была возможность выбрать ОУ в вычитателя opa827 или opa627 в soic8, я выбрал последнюю. Сравнивал оба ЦАП-а в итоге, не уловив принципиальной разницы, оставил себе D6, он воде детальнее был, а Линкса удачно продал. Долго слушал в авторском варианте, потом по наводке одного товарища поменял эту OPA627 на LM7171. Здесь об этом писал свой отзыв, пока в таком варианте и слушаю.
http://audiohobby.ru/articles/delimsja-otzyvami-i-...
Сейчас смотрю тут P5 нахваливают, все жду нормальные отзывы, стоит ли его пробовать вместо фильтра на ОУ? И еще вопрос, как его еще стыковать? не наловят ли провода помех? Вообще это как-то не эстетично, 3-х этажные конструкции тоже проходил, когда с китайскими платами возился, не хочется их опять лепить.
Потому, что они широкополосны и не любят больших емкостных нагрузок.
Любой опер не любит емкость на выходе. Если привели даташит, то может лучше почитать раздел
Capacitive Loading. Нет никакого криминала для 1468 в этом цапе. Я ее пробовал, работала стабильно. Для чего привели эту картинку, непонятно.
LT1468 закомпенсирована так, что переваривает нормально указанные емкости. Но пожалуй, соглашусь, что в эту схему далеко не самый лучший вариант.
1) во первых, для ОУ с биполярным входом правильнее было бы применить более низкоомные номиналы резисторов в обвязке
2) ну и с задачей разностной обработки, подавление синфазной составляющей, сломанный каскод не лучший вариант, имхо тут лучше справляются ОУ по схемотехнике opa627.
Но к сожалению, сейчас схемотехнику ОУ производители не раскрывают, поэтому приходится полагаться на свой слух.
Вот AD8610 по похожа по звуку на opa189, здесь хорошо применима.
Подключается на прямую к микросхеме цап, желательно проводами минимальной длинны, я пробовал и длинными витыми цеплять, разницы не уловил. Платка рядом с платкой цап и подключена проводами.Я сделал шлейфики по 2 сигнальных между 3мя земляными .
P5 стоит пробовать, однозначно.
Подскажите, вместо NE5532 могу AD8066 поставить? много их у меня.
Такой быстрый ОУ здесь может засвистеть, я не рекомендую.
Подскажите пожалуйста такую связку, чтобы басы были задраны высоко, а то колонки мои склонны к гудению и стены в помещении этому помогают, если недостаточно поднимаю басы, то по голове бьёт.
ора2132 — u10 u25
LME49870 — u9 u24
---
проверено — баса больше.
Вообще-то ОУ в данной схеме к эквализации отношения не имеют вообще, у них совсем другое назначение.
Может акустикой разобраться, опера не сильно помогут.
Тут акустикой помещения надо заниматься, 2 стены из 4 слишком музыкальные, с этим трудно бороться. Удалось сильно улучшить не переделывая ничего, помогла установка буфера на ОУ LM318 в инвертирующем включении, по сравнению с неинвертом подавление именно такое, как надо, в неинверте остаётся в звуке что-то неприятное, воспринимаемое на слух как искажения, причём хоть с дешовым оу хоть с дорогим.
Если на то пошло, ставьте многополосный эквалайзер, а не мучайте опера которые подбирались под свои задачи .
Здравствуйте форумчане. Как землю платы ЦАП к корпусу подключать? С выходных клемм? К клемме земли питания? Или не соединять с корпусом? БП тоже под вопросом. Шесть линий питания (5+ 1 аманеро) от одного трансформатора. Как все это дело организовывать?
И еще интересует один вопрос. Звук меняется (немного) от времени суток. EMI фильтров два: один общий на пять розеток, куда включено всё (комп, телек, ЦАП, усилитель), и один в ЦАПе. Но, видать по USB лезет бяка. Выход — защелки на кабель. Но есть еще вариант подсмотренный в устройстве отDjemshut.
Аналоговая земля к корпусу подключается. Если у вас
«Звук меняется (немного) от времени суток.», то уверен у вас постоянка в сети присутсвует, ставьте сетевой фильтр, который убирает постоянную составляющую.
На этом сайте народ выкладывал, вот — audiohobby.ru/articles/setevoi-filtr-dlja-cap.html
Что значит «аналоговую»? Сигнальная или силовая? Точка подключения какая? Дело в том, что я вообще «ни бум-бум». А трансформатор у меня R-Core, а еще я в первичку 10 Ом добавил (мощный он, транс, 30 ВА). Полагаю, ему перекосы (постоянка) в таком виде не страшны. Но обязательно попробую. И бусины в шину тоже, раз никто не против :)
Дошло, кажется. Силовую на корпус? Чтоб по сигнальной лишние потенциалы не бегали?
Просто возьмите землю с клемника ЦАП, куда заводятся линии питания аналога.
Спасибо, подкрепили мои домыслы
Не обязательно что цап чувствует изменение в сети, это запросто может тот же усилитель быть, что на много чаще бывает, он обычно на много чувствительнее к качеству сети.
Да, что то я в эту сторону не думал, а ведь там как раз мощный тор, и не только...
А я не писал, что это только ЦАПки касается. Я поставил эти фильтры везде, в усилитель, ЦАП и фонокорректор, даже в вертушку. В общем везде, где стоят обычные трансы, даже ш-образникам легчает, китайскому R-Core не помешает.
можно еще вообще развязывающий транс поставить на особо нежную вещь, штука весьма полезная
Например 220/10 -10/220 10Вт? Лежат два без дела. Хорошие трансы?
Этими трансами можно разве что зарядку для телефона питать и то на вряд хватит.
Я лично использую ТС160-2. Но тут тоже не все гладко, нужно коммутировать обмотки так, что бы на одной катушке была только сеть, а с другой снималось выходное напряжение, емкость транса так минимальна, но допустимая нагрузка самой слабой обмотки всего 0.25а . Мне для приборов и слаботочной нагрузки 60вт достаточно, для усилителя мало.
Хотите реально все хорошо развязать, мотайте сами свой транс на железе от латра, можно сразу несколько обмоток силовых делать под несколько нагрузок. Мощности железа точно хватит.
А вы сказали про «особо нежную вещь», вот я про ЦАП и подумал. А ЦАП ватт 5-6 наверное кушает (не больше десяти с аманерой). Никак до меня не дойдет, что усилитель — не слон, а нежная девушка :) , потому, что в моем случае он — первая моя поделка, и внутрь без слез не взглянешь. (JLH) Скоро заменю на YES-4М. Платы уже лежат.
У усилителя есть трансформатор у которого есть приличная емкость через которую и лезут помехи из сети. Никакой фильтр не поможет, экран между обмотками как-то помог бы, но его же нету !?
Цап побольше кушает вообще -то, только если так трансы соединить, у вас ничего не получится......
Потери скушают ваши 10 ватт, хорошо если там 2-3 ватта останется, напряжение тоже просядет.
Лучше оставьте эти трансы для другого цапа. От телевизора ТС поищите, для цапа и мелочевки точно хватит.
В этой теме это конечно OFF, но как вы считаете? При КПД 0.8 на выходе будет 64%. (0.8*0.8). Вроде так. И по ЦАП я так считал; 9 ОУ по 30 мА (в среднем) * 11 В = 3 Вт. Плюс стабы 9 шт и Чип — примерно столько же, но это конечно грубо, может и ошибаюсь.
Соедините и проверьте, в идеале примерно так, а в реале всегда по другому получается и потери заметно больше выходят.
Сам то цап мало ест, посчитай сколько на 9 стабах в тепло уходит. + аманера, + индикатор. Ватт под 10-15 минимум оно все ест.
смысл загоняться с этими трансами, пустая трата времени, лучше сразу поискать то что нужно
zaycev Спасибо за уточнение. Только сейчас дошло, что усилитель с телеком и ноутом никак не развязаны, ибо включены после общего фильтра.
Попробовал максимальную связку — красиво, но чего-то не хватает, на Depeche Mode слышен провал в середине. Думаю OPA2810 заменить на OPA1652, их я отслушал в другом месте, у них всё ровно, ничего не выпирает, не гудит, не бубнит, всем устраивает. Может кто пробовал связку OPA1652+OPA828? И может кто подскажет как звучит OPA828?
На мой взгляд это косяк 810-х (середина), особено это хорошо слышно если поставить их в вычитатель,
в фильтрах мне и привлеченным мной слушателям (когда экспериментировал) понравились OPA1656, они же в итоге и остались на постоянку,
а 810-е нашли свое место в буфере-повторителе
Пробовал 1656+828. Слишком мягко, но с красивым верхом. В итоге заменил 828 на 1611, так больше понравилось. 828 чем то напомнила по звуку пенсионера opa627.
Тогда мне видится такой вариант OPA1656+LT1468, тут всё должно быть ровно.
Этот вариант также пробовал, не плохо, но не то. Чем 1611 не устраивает? Отличный нейтральный, мощный опер, как раз на выход просится. В вычитатель на мой вкус в порядке убывания с 1656, что пробовал. opa1611-ad8610-opa828( эти с оговоркой, в фильтр просится нейтральный опер)-ора189-lt1468-ad8065. Это на мой вкус.
Не попадались мне 1611/1612, если верить отзывам на сторонних сайтах, то они немного НЧ поднимают, АС у меня нейтральные, даже небольшой подъём НЧ уже лишний, LT1468, AD8065/66 у меня есть, я их слышал, они никак ничего не меняют, но 8065 здесь вроде как нельзя, а 1468 можно. Если 1611 нейтрален, то надо попробовать.
Зачесались руки, решил попробовать максимальную связку 2810+828, не впечатлило. Вернул назад 1656+1611.
Пришли наконец-то OPA1656, сначала попробовал с LT1468, с ними всё вроде на месте, но есть в этом звуке что-то неслышимое и мерзкое, такое ощущение, что звук модулируется НЧ сигналом, аналогичное ощущается при неудачном включении интегратора, на выходе ему точно не место, его лучше включать в инверте, поэтому в фильтр он бы ещё пошёл (двойная версия 1469). На мой вкус идеальным вариантом в вычитателе был бы AD8065 (ставил, работало, опер не кипятился), найти похожий по звуку (холодный, отстранённый), подходящий сюда опер не просто, решил попробовать OPA828, на нём и остановился, красивый верх мне не мешает, т к на моих нейтральных АС не хватает остроты на ВЧ, баса больше не надо, в таком виде всё ровно. Если надо чуть больше баса, то лучше вместо 1656 поставить 1642. Альтернативы OPA828 для себя в этом цапе пока не вижу.
Хотел бы узнать, как звучат AD4627. Есть ещё LM4562, они двухканальные, их применяют на выходе в топовых OPPO, может существует одноканальная версия?
Вот честно говоря не понимаю — если устраивает AD8065 то почему не использовать его? Отличный ведь опер.
AD4627? Может ADA4627? Не советую, ему до AD8065 как до луны на четвереньках.
Одноканальная версия LM4562 зовется LME49710.
AD8065 очень шустрый, в даташите про ёмкостную нагрузку мало что сказано, посмотреть на предмет свиста не на чем, может есть у кого возможность поставить и посмотреть свистит или нет? Без замеров оставлять его тут не хотелось бы. Опер действительно стоящий, если не засвистит, то он здесь один из лучших по звуку.
Я ставил, у меня не свистел.
Прямоугольник смотрели, всё хорошо?
А, что им можно высмотреть? Только работу ц.ф. Керамику npo на верхние пады обязательно.
Ну, коли всё хорошо, поставлю их обратно, как по мне это лучший выбор.
«Одноканальная версия LM4562 зовется LME49710.» Двухканальная версия LME49710 зовётся LME49720
(холодный, отстранённый). Ну тогда, ad8610.)))
Это уже немного не то. Связка OPA1656+AD8065 самый лучший вариант для классики, джаза, если захочется послушать рок, попсу или электронику, то к ЦАПу просто подключается буфер на OPA1652 и бас становится таким, как надо.
Как говорится, на вкус и цвет. 1656 +8065 по памяти, очень ярко все играло, не мое. Нравится 8065, ставьте в свое удовольствие и слушайте))).
Цап должен играть все, не зависимо от жанра. Не нужны никакие буферы.
Всё верно, он всё и играет как надо, просто есть некоторые предпочтения, которые лучше реализовывать в предусилителе, а не в ЦАПе. В Преде у меня стоит OPA1602, меня всё устраивает, но иногда просят попсу включить да так, чтоб басом било по голове и соседи пугались, а эта связка так не может, бас в ней есть и его достаточно, но для попсы он «не то», тут и приходит на помощь 1652, а инструментал на 1652 уже не тот.
Для этих целей и нужен темброблок, когда качество второстепенно можно накрутить и бассу побольше. А в остальных случаях включать обход и тембра выключать.
Отличная идея сделать вместо буфера отключаемый темброблок именно на 1652.
тембра на чем угодно можно сделать, хоть пассивный, даже самые дешевые 4580 сойдут
Здравствуйте. Подскажите, пожалуйста, где ещё можно заказать резисторы 4к7(thin film)? В mouser и west-l не нашёл.
lcsc.com/products/Resistors_308.html
https://www.terraelectronica.ru/product/1196719
www.terraelectronica.ru/product/2156267
тонкопленочные резисторы Yageo не советую использовать. Был отрицательный опыт их использования в генераторе.
Я, извиняюсь, все номиналы тонкоплёночных в одном месте нет? 5 номиналов нашёл в трёх конторах. Спасибо.
на mouser все есть, только вот цены иногда кусаются
Скорее они там всегда кусаются.
Уважаемые форумчане, подскажите пожалуйста, не осталось ли у кого комплекта плат ЦАП+компактное питание+изолятор? Ну или хотя бы платы ЦАПа. Возможно у кого-то есть остатки самих чипов и ОУ, интересует в первую очередь 4493, но от 4490 тоже не откажусь.
только уже собранные платы на 4493
У меня остались. Но платы в Украине.
yuripetrivich@gmail.com
Да, это только если проездом летом буду в Киеве )) Проблем переслать сейчас, наверное, будет больше чем заказать в Китае
есть у меня платка AH-D5 c запаянным 4490 и atmega88, только сколько предложить сильно затрудняюсь сказать, чип который стоил 300р щас стоит полторы тысячи, есть еще полностью собранный и рабочий плата AH-D5, еще больше затрудняюсь цену назвать, там генераторы дорогущие голледжи стоят и остальная комплектуха хорошая
С пересылкой обычной почтой никаких проблем. В любой уголок России за 2-3 недели обычно посылка доходит. Минимальная стоимость пересылки около 600р.
тоже вариант хороший, только остальное по отдельности докупить и собрать.
Доброго времени суток всем!!! Подскажите правильную технологию запайки генераторов. Очень уж они мелкие.
Намучался припаивать ak4493, причем ak4495 я ранее паял и особых трудностей не возникало, в чем еще раз убедился собирая параллельно цап на 4495. Основная проблема — это то, что без лупы вообще ничего не видно. Хорошо, что платы качественные.
феном. Паяльником наверное никак.
да и паяльником припаять никаких проблем, главное иметь хороший паяльник, флюс и припой, вот выпаять без фена вообще никак
Я припаял тонкие проводки(от многожильного провода) к контактным площадкам на генераторе, согнул их в виде ножек и уже их припаивал на плату.При таком способе нет перегрева генератора и удобен демонтаж при надобности без фена.
просто тупо феном всегда припаивал и перепаивал, никаких проблем не было
То есть залудить, прижать и феном? Я пинцетом в статике держу не очень, обычно использую ИКЕЕвский карандаш. Второго шанса может не быть. Кто чем прижимает? На форумах еще пишут шарики закатать что имеют ввиду?
не нужно прижимать. только залудить, выставить ровненько и нагреть феном, он сам потом сядет(как правило, когда закипает флюс) как ему нужно.
Корпуса всех микросхем выводные, никаких bga, про шарики забудь.
Можно сверху на микросхему гайку на пример положить, нагреть и сама сядет. Я всегда припаивал просто паяльником.
Облуживать надо не только контактные площадки, но и ноги микросхемы, при этом нужно что бы лишнего припоя не было.
И почему второго шанса не будет? с чего? много раз приходилось самые разные микросхемы отпаивать по 2-3 раза и припаивать и все нормально было. Тут главное не перегреть и нагреть достаточно что бы все ноги отпаялись .
Выше речь про пайку генераторов шла,
паял свои как выше [только залудить, выставить ровненько и нагреть феном, он сам потом сядет] написали
температуру фена какую выставляли?
270-280 нормально будет.
я ставил 400 градусов. все норм.
Ну 400 как-то много, может калибровки нет, 300 градусов более чем достаточно. Долго греть тоже не стоит, олово поплыло, клоки стали на место и выключаем.
таки да, калибровки нет, фен китайский, дешевый.
пробовал когда-то строительным :) сдувает все со своего пути
Есть пара клоков NDK у меня которые пережили у меня с 10-к пересадок, так сказать тестовые экземпляры, никаких проблем не наблюдается.
Я все паял на 270 градусов.
Тоже есть вопрос по генераторам, кто на чем в итоге остановился? Присматриваюсь к продукции bmgplus. У них есть 2 подходящих варианта
У NZ2520SDA в даташите указано, как то в пс перевести не знаю
fs — фемтосекунда (1фс=10−15с) , а ps — пикосекунда (1ps=10−12с) . Т.е. 43fs=0,043ps.
Спасибо, теперь все понятно, просто для меня fs — это частота дискретизации :))
как вам такое? )
https://aliexpress.ru/item/4001225871317.html?spm=...
https://aliexpress.ru/item/4001232182339.html?spm=...
aliexpress.ru/item/1005001456440028.html?spm=a2g0o.productlist.0.0.73b75526c09J0Y&algo_pvid=1c651470-d5f8-4710-84f4-7733cd885e11&algo_expid=1c651470-d5f8-4710-84f4-7733cd885e11-0&btsid=0b8b035916142679190752127e8ca4&ws_ab_test=searchweb0_0,searchweb201602_,searchweb201603_&sku_id=12000016188709863
не думаю что они будут лучше чем те, которые Вы «сдуете» с аманеры китайской и перепаяете на плату ЦАПа
маркировку
NZ2520SD без А я то лично не видел, может и залипуха может и нет...
Посмотрел фото, решил проверить маркировку своих NZ2520SD. Брал на Веге пару лет назад. У меня вообще странная маркировка. Как мог, снял телефоном.
может это вообще не NDK?
это НЕ NDK! Во всяком случае, не SD/SDA. Лихо на веге людей разводят.
Никогда NZ2520SD(A) таких не видел, хотя брал первые SD лет 8 назад и в разных местах, а последние SDA с год назад и все более менее соответствовали по виду фото от Maksimus — http://audiohobby.ru/articles/vysokokachestvennyi-...
На 99% уверен, что это не NZ2520SD(A)
Вот и я засомневался в оригинальности генераторов, судя по вашим фото. Нашел другой ndk у себя, маркировка стандартная.
Присоединяйтесь к закупке, поменяете, ахнете от перемен в звуке ))
Думаю пока. Естественно, этот ген поставил в цап для самоуспокоения. Послушал записи 48,96,192 что у меня были. Разница на уровне, фиг его знает или кажется.
Вроде они вот с таких катушек
Смущает, что такого P/N в текущих даташитах NZ2520SD нету
Не знаю… У меня к алиэкспресс доверия как-то нету в плане оригинальных комплектующих. Несколько раз брал в разных магазинах с кучей положительных отзывов, все левак оказался.
Вот глянул ради интереса, насколько я вижу на оригинале маркировка должна быть выгравирована, на фото из заказа на Али непонятно, похоже на печать, но может это так снято и все зависит от угла света
NZ2520SDA c https://www.diyinhk.com (будем считать что это оригинал) также себя ведет, в контровом свете блестит белым, при взгляде в лобовой проэкции темным
Судя по информации производителя, в марте 2021 прекращают производство NZ2520SD, возможно китайцы скупают дисконт и навариваются
Вот ссылка на тему закупки наhttps://www.diyaudio.com/forums/group-buys/309435-...
Там есть фотка 100% оригинала, по сравнению на Али заметно смещение текста вниз и более тонкий шрифт вроде
на фото справа скорее всего левак, на оригинальных по бокам есть пазы (их видно на фото слева), которых нет (возможно не видно) на фото справа. Да и маркировка не на своём месте. Возможно это и NDK, но не SD/SDА, они делают кварцы и попроще
На фото самого продавана, вырезы вроде как есть, и маркировка рандомно расположена
очень похожи на оригинал, единственное, что смущает — маркировка в разных местах.
На отбраковку похоже с последующей как попало маркировкой упаковкой.
Кружок с квадратом на настоящих почти в плотную.
да, точно — кружок практически вплотную к логотипу должен быть.
По поводу генераторов, наверное, все же я не буду рисковать брать на али, а буду закупаться у diyinhk.
Создал тему для групповой закупки, чтоб здесь не засорять
audiohobby.ru/forum/555-gruppovaja-zakupka-kvarcev-ndk.html
Я подписываюсь на комплект
А вы когда общались diyinhk и покаким частотам? Просто сейчас позиции генераторов с частотами 22 и 24 имеют статус «Out of stock ...» на www.diyinhk.com.
Это NZ2520SD нету, а NZ2520SDA есть, частоты 24.576Mhz и 22.5792Mhz
www.diyinhk.com/shop/audio-kits/128-ndk-nz2520sda-33v-49152mhz-451584mhz-24576mhz-225792mhz-ultra-low-phase-noise-oscillator.html#/magnifier_option-null/frequency-22_5792mhz
недавно заказывал NZ2520SDA на https://www.diyinhk.com, выглядит вот так, извиняюсь за качество фото, как мог. выбирал дешевую доставку, шло оооооочень долго, через европу, в Болгарии только месяц пролежали.
В цап Ah-D6 v2 с АК4493 емкость керамического конденсатора С34 должна быть 1 мкФ, или 4,7 мкФ ?
Даташит открыть не? Там написано 1 uF (+-50%)
Обыскался на схеме с34, ужасная нумерация элементов, проще сразу сказать в каком узле стоит.
В фасовке этого КИТа указана ёмкость С34 4,7мкФ, вот поэтому и вопрос.
Емкость стоит на выходе встроенного LDO, даташит декларирует 1мкф, но если поставите 4,7мкФ, думаю, хуже не будет.
Даташит не изобилует данными о встроенном LDO, поэтому если отступать от требований даташита то я бы смотрел осциллографом что творится на этом конденсаторе. Тут довольно часто жалуются на возбуды LDO стабилизаторов, при этом не соблюдая требований даташита к ёмкости на входе и выходе.
Камрады! Ну поделитесь по сходной цене AK4493EQ, ну уж очень на нем хочется сделать, наверняка кто-то же купил про запас пару лишних :)
Наверно остались только такие -вариантыварианты
Это уж совсем для фанатов )) по сути у них разница на бумаге в пару дБ, не понимаю ажиотаж вокруг 4493, с учётом того, что даже сейчас 4490 не проблема взять за около 400р в том же чипдипе. Но вот послушать эту разницу жуть как охота :)
Вопрос к автору. А есть готовый вариант ЦАП AH-D6 и если да, то сколько будет стоить с доставкой в МСК.
У меня в наличии нет.
Доброго дня всем! Кто ставил в питание фильтра Nichicon KA/KT? Разница между сериями заметна?
Я не заметил, очень похоже звучали. 2200кт-3300ка. Единственно, что долго я их не слушал.
Сравнивал емкости в AH-P5 Pro, там больше возможностей услышать разницу, на мой вкус KZ > KA > KT > FW > панасоник FC. Кстати KA > KT отличаются и по качеству изготовления, KA даже визуально по качеству лучше сделаны, ножки более толстые и пленка нанесена ровнее, может заводы теперь разные. Но последние KT с маузера и с tme так же как и FW, какие-то непрезентабельные пришли в сравнении с KA и KZ. Еще замечу KZ требуют большего прогрева, чем KA, в начале ВЧ у них слишком зернистые, но с прогревом растет прозрачность.
В общем в P5 с потерей емкости все ж оставил KZ 220мкф 25В. С Elna не пробовал сравнивать, хотя народ хвалил.
За качество изготовления ка>кт, абсолютно согласен. ,, В питание фильтра" — не обратил сразу внимание. Если в блок питания, то FW думаю за глаза хватит.
Подскажите пожалуйста, кто где покупал WIMA SMD—PPS размера 2220? Я уже отчаялся найти. На что поменять, если без фанатизма? Как будет вообще без них? Я уже начал MKP10 — 0.1мф примерять.
Компэл (ДКО Электронщик) по парту SMDID03100QA00MP00, ставил также ECHU1H104GX9 от Panasonic в 1913 размере, разницы не заметил.
Здесь тоже -PANASONIC ECHU1H104GX9
стаивл панасоник pps покупал в терраэлектронике, там почему-то панасоники что электролиты что пленка очень вменяемуых денег стоят
Например на 16V, вот:https://www.electronshik.ru/item/PAN/ECHU1C104JX5
https://www.electronshik.ru/item/PAN/ECHU1C104GX5
https://www.electronshik.ru/item/PAN/ECPU1C104MA5
Имею OPA2810 + OPA828.
Имею замечательные OPA1656. Стою перед выбором что запаять, т.к. отзывы очень разные,
Прошу совета — что кому больше зашло. Готов еще потратиться на OPA1611.
Мне кажется однозначного ответа, который подходит именно Вам сложно дать. Надо попробовать самому и выбрать вариант, который будет лучше именно в Вашей системе. Мне OPA2810 приглянулись прозрачными ВЧ, но этого Вы можете и не услышать в своем сетапе, если по основному тракту грязи соберете. В питании у меня с ними блокировочная пленка по 1мкф PPS стояла.
Но соглашусь, они проваливают немного середину, да и НЧ тоже не их конек, так что выбирайте, что важнее. На моем тракте недостатка середины не наблюдаю, хотя если послушать в старых баерах DT990 (с их-то исходной провальной серединой), то нехватка СЧ ощущается остро до неприличия.
OPA1656 более ровная. А вообще по тональному балансу мне OPA1642 даже больше нравится, но ВЧ у нее грязнее.
Как получится OPA1656+OPA828? или лучше все же придерживаться проверенных Вами связок 2810+828 и 1656+1611?? Хотелось бы получить что-то среднее т.к. использую две АС у одной много баса, а другая полочная.
я бы рекомендовал оставить связку ОУ от автора. оптимальный выбор, как по мне, без ущерба для детализации и для частотного диапазона.
Рекомендую свой вариант OPA1656+AD8065, всё ровно, ничего не провалено, низов ровно столько сколько надо, АС у меня тоже басовитые, при неудачном выборе ОУ могут гудеть. УНЧ у меня с холодным отстранённым нейтральным звучанием, в преде OPA1602 он приближает сцену, такое сочетание как по мне лучшее для моих АС.
OPA1656+OPA828 имеет право на жизнь, но ВЧ не совсем такие, как надо, красиво, но не то.
«OPA1656+OPA828 имеет право на жизнь, но ВЧ не совсем такие, как надо, красиво, но не то.»
На мой слух получилось тут все наоборот, ВЧ у OPA828 более правильные в отличие от большинства ОУ. Вот по низам согласен, AD-ка лучше - «низов ровно столько сколько надо» у OPA828 немного не хватает.
По замерам искажений на частотах 15кГц и 19кГц OPA828 дает значительно меньший уровень гармоник и более короткий / спадающий спектр (абсолютный лидер из опробованных), чем AD8065.
Послушал я внимательно связку OPA1656+OPA828 уже в новом D6.1 (ЭП специально убрал, чтобы приблизить к D6). На мой слух, действительно, хорошая комбинация, пожалуй одна из лучших. К сожалению в D6 сразу не обратил на нее особо внимания.
В общем более внимательном прослушивании OPA1656+OPA828 показалась действительно лучше, чем 2810+828. Для D6 рекомендую. Послушал еще с AD8065 — не то, на мой слух резковата, но тоже имеет право на жизнь, кому такой звук ближе.
А ADA4627 уже совсем списали в утиль?
Этих нету на руках, поэтому в новый заход с тестированием ОУв D6.1 банально не попали. Отслушивал и обмерял, что было на руках: opa627, opa827, OP1611, lt1122, op42, ad744, lme49710, opa828, opa1641, ad8065, ada4898-1, opa189 (ранние и поздние, вот их действительно похоже надо списать в утиль и убрать из рекомендаций) и opa192 (осторожный оптимизм, очень понравились с ЭП, но опять же на руках ранние чипы). Из этой кучи с ЭП на выходе понравились в порядке убывания: opa192, opa828, op42, остальное ± вкусовщина. Без повторителя лучший вариант на слух и по замерам - opa828. А так многие ОУ просто распродал, хранить и покупать весь зоопарк, никаких денег не напасешься.
Довелось ещё немного поиграться, получил ещё опыт, делюсь. В фильтра крайне не рекомендую AD8066 и другие «прозрачные» ОУ, из-за их высоких полюсов звук смещается в НЧ область и становится похожим на звук из дешманского домашнего театра с выходом в классе D, аналогичный звук получается от встроенной звуковухи компа, он привязан к АС и далее его никак отвязать не получается, поэтому, как бы того не хотелось, а в фильтрах нужен ОУ, предназначенный для звука. Опер типа LT1469 с гудящими басами там тоже не рекомендуется по той-же причине. Наверное имеет смысл вынести такие ОУ в «не рекомендуемые» с указанием причины. Лучший вариант из известных мне в этом месте OPA1656, если не он, то я бы применил OPA1612 или другой с подобным звуком. В сумматоре могу рекомендовать только AD8065 или OPA828, может существуют и другие «прозрачные» ОУ, годные к применению в этом месте, но мне они неизвестны, возможно есть смысл придумать и собрать выхлоп на дискрете, за основу использовать схему мощника Холтона (2ДК+повторитель) или же придумать выхлоп так, чтобы все ОУ оказались включены в инверте. Если в фильтре применён OPA1612 и есть ощущение недостатка середины и высоких, то необходим пред на OPA1602 и OPA1642.
Надо ещё кое-что уточнить. Если делать дискретный выхлоп, то дискретная часть тут требуется только вместо ОУ сумматора, т к перечень ОУ, которые туда годятся для получения прозрачного звука совсем небольшой. Делать AH-P5 сразу для подключения к микросхеме ЦАП для себя не вижу смысла, т к будут всё те-же недостатки, что и с обычными ОУ, хотя он и многим нравится, но нужной прозрачности с ним быть не может. Лежит у меня китайский ЦАП на 4490 с фильтром на одном ОУ и получается так, что если воткнуть AD8065, то звук прозрачный, но с таким-же недостатком, что описан выше с AD8066, а если воткнуть ОУ sound+, то всё вроде бы хорошо, но нет прозрачности, глухой звук. С такой-же проблемой столкнётся и тот, кто будет делать AH-P5 или другой подобный выхлоп, тут выбор будет между двумя непреемлимыми для меня вариантами.
дискретный фильтр AH-P5 PRO v2.0 — есть на этом сайте, играет лучше фильтров на ОУ по моему мнению.
+1
играет лучше, если собран из качественных комплектующих.
Посмотрел, печально, что не выложена АЧХ с разомкнутой ООС, тут для прозрачного звука необходимо, чтобы первый полюс оказался выше слышимого диапазона частот, например на 40кГц и хорошая скорость нарастания. Каскод в УН в данном случае не лучшее решение, лучшее решение дифкаскад в УН.
Господа, с этими обсуждениями прошу в профильную статью -http://audiohobby.ru/articles/usilitel-dlja-naushnikov-s-balansnym-vhodom-diskretnyi-filtr-ah-p5-pro-v2-0.html
Мне очень понравилась OPA1642 в связке с OPA1602, только испытывал в усилителе, в ЦАПе можно попробовать OPA1602+OPA1641. Только если у АС много середины, то скорее всего не понравится, испытано на нейтральных.
На чужие мнения ориентироваться обычно неправильно, системы у всех разные и уши тоже с вкусовыми предпочтениями. Лично мне в фильтрах зашли OPA828, LT1122, LM6171 т.е. достаточно быстрые микросхемы с небольшим временем установления. А в каскаде разностной обработки больше зашли OPA828 и OPA1611 у первых лучше высокие у вторых бас, а к примеру OPA827 не понравились нигде, не очень то понравились AD8610 и OPA1641. OPA810/2810 и OPA1656 не пробовал.
хочу поставить в цап на 4497 ОУ Мусес8920.
может кто знает, их в пару с какими-бы поставить?
Граждане, приобрел кит, с паяльником дружу, но в схемотехнике так себе. BOM лист что выкладывали выше сходится с шелкографией на печатной плате. Или может у кого есть монтажная схема. Боюсь напортачить при сборке, спасибо
Паять лучше начать с смд, причем лучше плясать от узла, а не от нумерации элементов. Схему перед собой и паяй.
Проблем практически нет, за исключением кондеров: где-то нужно в два этажа, да и нужно определиться с PPS коденсаторами. В принципе, для запуска их можно не паять вообще(?), также лучше не паять до запуска все большие электролиты(8шт). Прошился. После всех проверок питалова впаял мс 4493. Проверил работоспособность и затем впаял элкапы и вторые этажи кондеров.
Неудобно перепаивать мс цапа и ррs кондеры на верхнем слое из-за трухольного окружения, все остальное проблем не вызывает.
может можно где надыбать подробное фото хотя бы с двух сторон, посмотрел схему принципиальную, путаюсь просто жесть))) честно сказать я думал будет попроще, а как начал вникать, так мамочки мои
Гляньте здесь, в комментах или на форуме или на веге, но как правило, по фотке очень сложно определить маркировку смд, особенно, когда ее нет(вся керамика и бусины). Внимательнее с генераторами и кремнием( по маркировке).
В принципе, если боитесь с хорошими деталями ошибиться, купите пару-тройку десятков самых дешевых кондеров 100н и(ли) 1мкф 0805 и запаяйте их везде кроме С34, на работоспособности это не скажется. Если запустится, то дальше вдумчиво сможете перепаять на те, что из кита.
В поиске уже полно можно найти их довольно разборчивые виды монтажа -ЦАП AH-D6 переключите на картинки
Адекватных отзывов о нём нет, мне он не попадался, но наигравшись с разными ОУ и усилителями я пришёл к выводу, что лучше всего поставить в ЦАП такие ОУ, которые ничего не добавляют, в этом плане хороши AD8066+AD8065 (холодный отстранённый звук) OPA1656+AD8065 (тёплый звук) это из проверенных лично, можно попробовать LM4562+AD8065 должен быть холодный отстранённый звук. Все обязанности по окрашиванию звука лучше возложить на усилитель и (или) предусилитель, в таком случае ЦАП становится универсальным источником сигнала, а не источником сигнала для для какой-то конкретной системы, при смене компонентов которой может потребоваться замена ОУ в ЦАП.
Исходя из недавно полученного опыта, я пришёл к выводу, что для нейтральных АС с холодным отстранённым УМ необходим пред на 3 ОУ, конкретный пример OPA1602+OPA1612+OPA1642, а для АС, у которых много середины нужен только 1 ОУ, который зовётся нейтральный (с уклоном в НЧ), например OPA134, OPA1612, LM318. Можно сократить количество ОУ в преде, если УМ построить на ОУ, или построить УМ так, чтобы он давал нужный окрас без ОУ.
щас стоят: OPA1612+ OPA1642.
отдавал ЦАП на прослушку, говорят не хватает эмоций.
пока muses8920 еще в пути, потом отпишу.
Тут не то, чтобы эмоций, не просто так автору нравится в сумматоре OPA828 а мне AD8065, применение других ОУ в этом месте приводит к потере прозрачности, вместе с ней уменьшается звонкость, колкость, резкость, звук становится как потухший, что-ли, наверное правильнее назвать приглушённый. Чтобы избавиться от данного эффекта при использовании любого ОУ в этом месте, необходимо включить данный ОУ в инверте, но это уже другая история, не знаю, на сколько разрешимая, но подумать над реализацией наверное стоит.
OPA1612+ OPA1642 оба же стерео, речь идет применительно к этой схеме?
Вообще в звене разностной обработки лучше применять ОУ с полевым входом, с хорошим выравниванием токов в плечах дифкаскада. muses8920 — стерео, в ФНЧ можно попробовать, но самое критичное звено это все же разностная обработка.
Для ОУ с входным каскадом на биполярных транзисторах, как показали последние эксперименты с дискретами, в вычитателе желательно применять низкоомный вариант фильтра, иначе искажения возникающие во входном каскаде (заметно растут у биполяров с увеличением номиналов резисторов, также как и шумы) начинают играть большую роль, чем искажения самого ВК, предпочтительнее попробовать варианты 2k и 470pf или 1.8k и 680pf. Но переборщить тоже нельзя, тут важно, чтобы ВК оу ФНЧ не перегрузить.
Как буду собирать новый проект ЦАП с подобным фильтром на ОУ, возможно, еще раз сделаю заход на прослушивание разных комбинаций ОУ. Благо теперь еще новый АЦП позволяет посмотреть циферки на уровне 0.00003% на небольших уровнях сигнала, что дает возможность поискать объективные отличия.
да. оба стерео, выхлоп сделан по этой схеме.
мне кажется что в идеале было бы ОУ использовать в ДИП корпусах, чтоб можно было с легкостью их поменять и выбрать для себя подходящий вариант.
В ДИП значительно меньше современных ОУ, переходники по мне тоже не лучший вариант. Кроме этого размеры и концепция платы не позволяли применить крупные корпуса.
«да. оба стерео, выхлоп сделан по этой схеме.»
— Полагаю у вас фильтр от D5.5 и все ж другая плата, так как иначе не представляю, как Вы сюда смогли втулить 2 стерео ОУ.
забыл написать об этом, исправлюсь.
плата на 4497, выхлоп от Д5.5
emon
почему вы решили вернуться к выхлопу на ОУ? У вас же имеется в наличии дискретный выхлоп АН-Р5, который, по отзывам, переигрывает в чистую выхлоп на самых лучших ОУ?
не думаю что muses8920 что-то принципиально изменят. Я попробовал бы LME49860. Пробовал их с AK4495 на своей версии платы АН-D5.5 в максимальной комплектации. Если сравнивать с другими ОУ, с ними разница наиболее ощутима и на мой слух звук наиболее эмоциональный, детальный и с шикарной сценой. Ещё могу сказать что звук АК4495 с LME49860 в выхлопе очень напоминает звук 4497 с «обычными» ОУ ОРА1642+ОРА1612, хотя и не дотягивает до него, так что может быть и перебор, если использовать 49860 с АК4497, но попробовать есть смысл.
Удивительно на сколько вкусы все разные. Мне LME49860/LM4562/LME49720 не понравились в тракте ни в каких применениях, вот LME49880 еще как-то зашла, при этом в оригинальности ОУ уверен на 100% т.к. этого добра набрал еще на фанреле, более того я их все ж использую, например в фильтре АЦП,. где как раз важны цифры, в питании. По замерам там полный порядок.
вотхорошая статья про ОУ
Не сказать что прям хорошая, на некоторые ОУ даже иной раз характеристики с даташита переписать не смогли, поприводили кучу незначащих характеристик для разных ОУ разные характеристики, не значения характеристик, а сам набор характеристик для разных оу разный, чем руководствовались не ясно, видимо ничем. А описание звука можно приводить вообще только указывая в какой системе и в каком конкретно месте эти ОУ стоят.
Особенно разные описания для одинаковых ОУ веселят, такие как OPA1612 и OPA2211, LM4562 и LME49720 с LME49860. и те и другие это один и тот же ОУ в разных сериях, специальные звуковые серии это же круто, MUSES не даст соврать, т.е. NJR, как совершенно заурядные ОУ можно дорого продавать под видом звуковой серии, правда остальные как NJR не наглеют.
да, странно, как вкусы отличаются, поэтому и нет смысла что-то рекомендовать, т.к. у всех разные тракты и уши. Это всегда компромисс — кто-то предпочтёт музыкальную середину, кто-то упругий динамичный бас, а для кого-то главное чистые высокие и т.д. и т.п. и всегда чем-то придётся жертвовать, и смириться с какими-то недостатками. Мне вот и LME49710 в металлических корпусах больше всего понравились в устарсе на АК4495, из всех что я пробовал.
Согласен, LME49860 далеко не идеальный, есть у него недостатки, которые напрягают, но и плюсы очевидны
В металле мне не попадались, вполне верю что LME49710 в металле будет лучше пластика. С opa627 такое проходил.
Предлагаю послушать совета отSerzhant808 «указывая в какой системе и в каком конкретно месте эти ОУ стоят» перебраться с обсуждением в веткуhttp://audiohobby.ru/articles/delimsja-otzyvami-i-...
А то такими темпами снова придется чистить комментарии и оставлять самое полезное. Столько настрочили, что на телефонах уже тормозит страница.
LM4562 я бы рискнул поставить в сумматор, они в топовых OPPO в этом же месте стоят, мне доводилось слушать такой OPPO, но не в своей системе, звучало как надо.
не вернулся. мне очень нравится выхлоп AH-P5. конечное устройство с ОУ и Дискретным выхлопом получается очень дорогим. для себя оставил дискретный и ОУ.
П.С. снабберы в питании ОУ удалил, звучит вроде лучше без них.
Спаял почти всю плату. Появился вопрос по поводу C72. По фотографиям кто-то его ставит, кто-то нет (рядом с ne5532). В таблице компонент он отсутствует. На схеме — не нашел. Какое либо упоминание — отсутствует. Для чего служит конденсатор и какой его номинал?
Блокировочная емкость по питанию ОУ стабилизатора, номинал можно от 0.1мкф до 4.7мкф.
Сильно ли вредно использовать обычные SMD-резисторы из чипа и дипа в ФНЧ вместо тонкопленочных? Тонкопленочные нужных номиналов без геморроя в РФ не купить, как я понимаю?
Ну разница есть, на слух уловима. Рекомендую при такой замене постарайтесь хотя бы тестером подобрать как можно точнее пары, или резисторы смотрите хотя бы с точностью не хуже 1%. И если уж брать thick film, то лучше от нормальных производителей, я обычно если ставлю, то PANASONIC / Bourns. Безымянные из ЧИПа уж точно брать не советую, то обкладки с дефектами, то маркировка смывается при первой же отмывке.
Тонкую пленку можно глянуть:
1) https://tmelectronics.ru/catalog/passivnyie-eliemi...
2)https://www.terraelectronica.ru/catalog/rezistory-...
Можно еще на толкучке на вегалабе глянуть у «Скарпа», но у него правда 0805 мало чего есть, поэтому в новых устройствах перешел на 1206, как раз у него недавно melf набрал под новый проект.
Понял, благодарю за ответ.
А Вы моете в УЗ ванне или вручную? Если в ванне, то генераторам это не вредит? Или их лучше запаивать после отмывки?
Отмывку делаю вручную, без УЗ, 80% раствором изопропилового спирта, на ватный диск, не вредит оно ничему.
Если в ванночке, то мыть следует только до впайки электролитов, а то вся «золотистая красота» смоется, особенно у панасов FM/FC и т.п. Дальше просто протирается плата ватным диском, чтобы убрать флюс от их пайки.
Я остатки флюса только 90% спиртом практикую, немного его в ванночку и мягкой зубной щеткой по пайкам, после просушка продувка не очень горячим феном. Не знаю на сколько этот спиртосвинус съедобный но смывает чудесно.
50%изопропил + 50%бензин калоша +погружение минут на 10+зубная щетка и ничего страшного ни пленочным кондерам, ни элкапам, ни резисторам. Смесь многоразовая. Потом вымыть чистым изопропилом.
И, еще, китайский жир типа «Amtech» использовать только для цифры, а опера и мелочь им лучше не паять. Если без него никак, то шприц с инсулиновой иглой с адской смесью использовать в качестве «брандспойта» отмывая ноги МС.
бензин или обезжириватель с добавкой обычного спирта, а потом обычная горячая вода+ файри на пример
Изопропиловый спирт в УЗ ванне. 5-10 минут и красота.
Мне изопропанол жалко так использовать, он ведь испаряется. К тому же он вроде сильно подорожал во время пандемии (или показалось). Я использую для УЗ отмывки раствор Solins-US в дистиллированной воде, раствор многоразовый. Канифоль смывает за 5 минут жужжания, в т.ч. из-под компонентов. Пайка блестит.
за 5-10 мин я обычной щеткой зубной его, без всяких уз ванн
вообще считаю УЗ ванну жестким испытанием для радиокомпонентов
Я медицинским мою кисточкой, расход небольшой, хотя может правильнее в ванночку наливать
Доброго времени суток. Сейчас собираю этот цап по BOM, найденому ниже в комментах («Фактический партлист»), изредка сверяясь с приложенным в конце статьи. Возник вопрос, на группу кондеров(С24, С29, С32 и т.д.), а так же группу кондеров(C23, C34, C75...) в партлисте предложено сделать «бутерброд» кондерами по 0,01 мкф, но если смотреть по листу, приложенному к статье, таких малоемких конденсаторов нет в принципе. Стоит ли делать сея «бутерброд», а главное как, просто напаять кондера поверх основных? Помимо этого не нашлись ни в одном из списков номиналы конденсаторов С20.1, С46.1, С61.1, С62.1, С8.1, С11.1 (все для поверхностного монтажа) и резитстора R19 (все детали для платы самого ЦАПа). Также возник вопрос где, а главное — какой приобрести кварцевый генератор в Мск, может кто-то уже разобрался с этим вопросом? Заранее благодарен за помощь!
Бутерброд не городил, но была рекомендация автора увеличить емкость С24/C48 (например GRM21BR71H105KA12L), C71/C106 (например GRM31CR71H105MA61K) до 1мкф в случае звона ne5534, у себя с таким не сталкивался, использовал такие:
C23, C72, C75… — GRM31CR71H475KA12L
C24, C29, C32… — GRM21BR71H104KA01L
С20.1, С46.1, С61.1, С62.1, С8.1, С11.1 — ECHU1H104GX9 (при их установке не нужно ставить дублирующую их керамику)
R19 — В описании указано «На плате предусмотрен разъем J9 / R19, в текущей прошивке никак не используются (и не планируется), поэтому распаивать его не следует.»
Генераторы брал тут (у Московских поставщиков чего-то вменяемого не удалось найти) www.diyinhk.com/, но вроде у них теперь только доставка Fedex, с ними бывает не мало проблем на таможне.
Бутерброды из керамики стараюсь не ставить особенно в аналоге
Дублировать керамику пленкой не следует, ставим что-то одно, уменьшать номиналы << 0,1u не рекомендуется,
в случае применения быстрых ОУ типа OPA828, AD8065 в позиции C11, C8, C61, C62 рекомендую поставить PPS пленку - 1мкф, я применял ECPU1C105MA5
обновил BOM, добавил 2 строчки с этими С20.1, С46.1, С61.1, С62.1, С8.1, С11.1 - ah-d6-components-list.zip
https://www.salonav.com/arch/2020/11/ozhidaetsya-d...
вот и закончились складские запасы — на алике ак4490- 50 баксов, дешевле купить готовый цап с ним и выпаять.
Зачем покупать на алике 4490 за 50, если там есть 4493 за 35?!
https://aliexpress.ru/item/1005001976737005.html?s...
https://aliexpress.ru/item/4001023210911.html?spm=...
Привет всем. Интересует вопрос по поводу подключения общего провода к корпусу и где его взять. Собираюсь сделать экран из железа для платы цап. Есть ли смысл?
Приборов не имею. Использую корпус из фанеры.
Спасибо
Я взял с клемников цапа на металлические стойки.
На корпус идет с минуса девяти вольт? А все минусы на плате сходятся? Будет больше шумов от не металлического корпуса?
Да взял с -9в, по сути с земляного полигона. На нем соединяются -9,-16,+16 вольт. На счёт не металлического корпуса, не думаю, что шумов будет больше, а вот защищённость от наружных помех( например трансформатор мощника, если поставите рядом) уже под вопросом.
Правильнее будет сказать, что все земли соединяются на плате, а то путаница начнется.
Брать заземление с клемника 6-pin с любого из клемов с обозначением GND. Больше ничего на корпус (цифру / аманерку) не заземлять.
Спасибо, пробывал кто экранировать шлейф от аманеро к плате цап?
А смысл?
Если шлейф длинный, смысл есть, I2S прилично фонит. Лучший вариант это максимально кроткий шлейф или еще лучше г-образные разъемы в стык.
Я застал еще времена LVDS, RS485, VIA Tremor и прочих радостей. Смысл в этом сейчас? Если только интерфейс отдельным блоком. Но смысл?
А так — наклеить на шлейф металлический скотч из диамагнетика. Типа медного. Не такой уж дефицит по нонешним временам.
И опять же: смысл? Если люди многократным преретыкиванием ОУ выхлопа гармонизируют под собственный слух звучание источника? Абсолютно не понимая то, что они делают.
вот такой транспорт с реклоком и гальваноразвязкой.
выход - распиновка как у аманеры
кто-то тестил?
очень удобно должно быть, там куча сервисов стриминговых.
А что это за устройство? Beaglebone/Antminer с прошивкой от Павла?
да.
плата бигльбон от майнера, сверху «плащ» с реклоком. в данный момен использую с его цапом, хочу прикрутить к этому.
Собрал, послушал немного. Пока в пассиве, тактирование от транспорта. Сразу возник вопрос — установка и изменение цифрового фильтра принимаются на лету или в какой момент?
на лету
Спасибо! Это приятно.
У меня стоят 1642, 1611. Сравнил с твикнутой EMU-0404 ( LM4562, убраны защитные диоды, почищено питание ). С двух ноутов включаю одновременно одну песню. Один комп с EMU, один с AK, переключаю входы на усилке (Никитин+). На слух показалось что EMU звучит немного звонче. Может такое быть? Или это особенность AK с его вельветовым звуком?
Измерения еще впереди, пока чистый субъективизм...
Давно была у меня EMU-0404, так что хорошо знаю, как она может звучать, имел дело и просто с ak4396. Сам D6 в хорошем исполнении звучит на много натуральнее мягче и прозрачнее. Чип ak4396 звучит более грубо с меньшей детальностью, но в то же время, звонче и резче. Вот бас у него интереснее, чем у 4490.
Что касается вашего исполнения, тут много вопросов. Как ни как в EMU-0404 асинхронный USB, который не ровня тому свистку, что на фото. Джамиконы в питании аналога, тоже удивляют, в общем из чего собрали, то и получили.
Ага, значит действительно звонче. Это не окончательная конструкция конечно. Запустил на том что есть сейчас под рукой чтобы понять потенциал :). Теперь можно поиграть с емкостями, тонкопленку поставить, гены, мастер ну далее по списку… Но даже в таком исполнении очень хорошо!
Какой фильтр вы бы порекомендовали включать для 16/44?
Спасибо за конструкцию и доступное к повторению описание !!!
на 4490 не могу сказать, что больше нравится,
на 4493 просто Slow предпочитаю
Вместо OPA1611 лучше всего применить AD8065 или OPA828, тогда звонкость прибавится, 1642 тут тоже не лучший выбор. Зазвенит, если вместо 1642 поставить 8066, может такой звук кому-то больше понравится, у меня некоторое время так и стояло, но потом заменил на 1656. Хочу попробовать 2604 или 1612 но как-то привык к 1656 и уже лень.
Здравствуйте. Кто что может сказать об ОУ LM6172.https://www.chipdip.ru/product/lm6172im-nopb
Руки чешутся попробовать высокоскоростной, и как раз в местном лабазе есть парочка за недорого.
Его в фильтр (сейчас стоит OPA1642), после него в вычитателе (уже стоит) AD8066.
Требует тантала по питанию(наверное можно и керамику), и компенсации входной емкости (стр.16 даташита).
здесь обсуждались
Спасибо. Значит в вычитателе можно пробовать. А в фильтр 8066 рокерну с вычитателя.
Помогите выбрать. В аналоговый фильтр встанет аксиальный конденсатор 4х10 мм 270 рФ (полистирол)?
Есть еще вариант 270 рФ с межвыводом 7.5 мм по углам корпуса. Как думаете, если ноги подогнуть к середкам сторон, то влезет?
Просто заказываю резисторы у Скарпа с Веги, и не знаю, какой вариант конденсаторов заодно лучше заказать.
У полистирола великоват допуск (10%), нужно будет брать с запасом и подбирать пары, если хочется туда полистирол, можно посмотреть FSCEX 270PF 1% 630V (установив вертикально). EMZ судя по маркировке 1%, но размер у них больше, а места на плате немного, красиво их не впихнуть.
Спасибо, только где этот секс - FSCEX? Тут дело в том, что только ради одного конденсатора заморачиваться; енто ж сколько девайс будет стоить если по одной детали заказывать с пересылкой?.. А выше означенные уже есть у Скарпа, и просто добавляются к основному заказу (за пересылку платить не надо). С допуском у полистирола вы правы. Возьму полипропилен и ноги ему
поотрываюзагну. Впихну невпихуемое.FSCEX есть в ДКО https://www.electronshik.ru/item/LCR%20COMP/FSCEX%20270PF%201%25%20630V
Но разницы с полипропиленом от Wima я не заметил, кроме стоимости не в пользу полистирола разумеется)
Да и я не гонюсь за полистиролом, просто растерялся — какой лучше (пространственно) приладить. Аксиальный конечно легко, но допуск, да и остальные стоят в фильтре (680р) полипропиленовые.
А в Электронщике тоже заказываю когда набирается на энную сумму. Но сейчас вот набралось на заказ в другом месте, поэтому пора времянку (220р МКР2+51р np0) убирать.
Я ставил в некоторые платы те, что рыжие. И гнул ноги.
Можно и аксиальные стоймя поставить.
Они в нормальном поле допуска. Больше 2% разбега не встречал.
Спасибо. Утвердили в уверенности насчет рыжих :)
день добрый
Подскажите как сделать балансный выход с этого цапа?
Здравствуйте! Нуждаюсь в помощи. Значит, собрал я звуковую карту, подключил модуль Amanero в мастер режиме все работает, правда помехи сильные. Потом помехи ушли когда я к Amanero приблизил свой усилитель. Наверно наводки какие… Так вот слушал целый день, все супер. На следующий день подключаю, снова наводки, но теперь усилитель не может их убрать, потом пропал звук в левом канале. Через какое то время вновь подключил, тишина. Проверяю осциллографом пины на AK4993 левого канала и правого — никакой реакции. Хотя питание аналога и цифры на него подаются. Так вот из-за чего эти наводки могут быть? Думал уберутся, когда я соберу плату гальваноразвязки, но теперь вообще ни каrого звука нет. Может кто знает как проверить звуковой чип AK4993? И куда подавать cигнал 1kHz, чтобы проверить работоспособность чипа? И еще хотел спросить, для чего нужны регулируемые резисторы на плате. Прошу прощения, если слишком ламерские вопросы задаю.
очень сложно будет Вам помочь. в идеале нужно брать осцилограф и проверять сигналы и точки питания.
как вариант — проверьте все точки питания, для начала.
Для начала выложите сюда -Часть 6. Ветка форума для обсуждению вопросов по отладке своих сборок AH-D6.0
фото вашего ЦАП + желательно общее фото в том виде как Вы его подключали, тогда можно будет что-то сказать
просто поделюсь
отправлял на обзор ЦАПы.вот здесь отзывы
Года полтора-два назад прикупил плату для этого ЦАПа, некоторые детали. Но вот «сердце» для него не прикупил (АК4490/4493). Сейчас смотрю - в проверенных магазинах этих чипов нет, а на ALI тоже выбор скудный, да и цены в районе 3900-4900 руб. Уж очень негуманные.
Подскажите, где найти чип? Или всё-же без вариантов — только на ali?
варианта два, либо али, либо купить портативный плеер чтоб выпаять чип оттудова
Ну выпаивать такой чип я бы наверное не решился… Тем более выигрыш в цене наверное невеликий будет!
В описании Контакт 7 — сигнал PCM/DSD. Уровень «0» определяет наличие DSD потока на выходе.
В доке на Аманеру - выход 7 «DSD ON» - This line is “1” when a DSD stream is detected. И действительно при PCM он в «0».
Значит для подключения к Цапу сигнал надо инвестировать, чтобы работало правильно?
Да, надо инвертировать. Используйте плату переходника, там все учтено
http://audiohobby.ru/articles/plata-adapter-dlja-u...
Может можно в прошивке сигнал DSD инвертировать, если переходник не используется?
Да, можно в прошивке, но не вижу а этом необходимости такие версии делать, только путаницы добавит. А у AK4493 есть автоопределение DSD.
Добрый день !
Подскажите по размерам ОУ. В В таблице ВОМ написан тип корпуса - SOIC-8/150mil, но везде (например в Чип Дип) пишут просто SOIC-8 (размеры 5 x 4 x 1.5мм). ОУ с такими размерами подойдут, или нужны принципиально SOIC-8/150mil ?
подойдут. Соик-8.
Добрый день !
Имеет значение какой микроконтроллер atmega 88 использовать. Например, какой лучше из двух.
я брал 88ра. Прошился с первого раза и без танцев с бубном
А что за зверь такой R9, R11 R-ARRAY 51 Ом? И на какое напряжение обмотки нужны реле K1, K2? Заранее спасибо.
r-array массив резисторов по 51 Ом
Реле 5В
Добрый день !
Можно конденсаторы с ТКЕ X7R заменить на X5R ?
Добрый день !
Я наверное задавал глупые вопросы! Теперь вопрос серьезный — можно генераторы купленные в diyinhk паять феном? Боюсь выкинуть 28 баксов !
Можно, при хорошем паяльном оборудовании, особых проблем не возникает. Если паять аккуратно, долго не греть, то бояться не стоит.
У меня тестовые клоки NDK пережили более 5 паек, при этом я их особо не щадил, те не менее под конец у одного из клоков поплыли параметры, пришлось выбросить.
Вот и боюсь, что клок будет работать, но что-то поплывет, а я этого не буду знать !
Так их и обычным паяльником при должном опыте можно запаять, без всякого фена. Еще можно напаять аккуратно проволочные выводы и потом их концами впаять в плату.
Можно тем же феном, но грея плату снизу, элементы с обратной стороны не распаиваем до посадки клоков. Чуть больше терпения и все паяется. Температура 310-330гр. Снимать клоки тоже рекомендую прогревом платы снизу.
я вот такую приблуду купил на алике:
a.aliexpress.com/_AEA6hN
Я припаивал тонкие проволочки к генераторам, изгибал вниз и наружу, после запаивал на плату.Очень удобно паять и легко выпаять, при надобности.
Легко паяется и паяльником: залуживаете площадки с капелькой припоя, флюс, ставите клок, придерживая пинцетом и паяльником с капелькой припоя греете большую плошадку, припой схватывает ногу, с остальными аналогично, только без пинцета.
Запаять таким образом не проблема, сложность может возникнуть, если понадобиться выпаять, не повредив генератор.А отпаять по очереди проводки, тонким жалом паяльника, быстро и без проблем.
Если один раз паять, можно и феном запаять, а если перепаивать по десять раз, лучше проволочные выводы сделать, хотя при хороших генераторах надобность их выпаивать пропадает совсем.
Спасибо за советы. Можно в ВОМ листе исправить корпус Q5.
Спасибо, поправил
Еще хочу прояснить один момент, много раз уже писали про «звон» ОУ NE5534 в стабилизаторах питания. Этот «звон» слышен ушами или его нужно смотреть осциллографом? И на какой частоте ?
Ушами явно не услышать, заметить можно при очном сравнении. Со звоном звук получается более утомляющий и плоский, высокие больше режут по ушам.
Смотреть осциллографом, частота пилы от 6 до 20мГц в зависимости от экземпляра ОУ, резистора стоящего в эмиттерной цепи выходного транзистора и параметров емкостей стоящий на входе и выходе. Амплитуда пилы может быть менее 1мв, далеко не каждый осциллограф позволяет хоть что-то увидеть. Если не хотите проблем не забывайте поставить емкость компенсации для NE5534 и не уменьшайте номиналы выходной керамики / пленки, также не следует ставить бутербродов разных из мелких номиналов.
Увеличение как в случае 1мкф PPS наоборот рекомендуется.
Добрый день! В ВОМ листе нет конденсатора С72.
C72 -4,7 мкф,smd 1206
Здрастуйте, терплю эту проблему уже пару лет, а именно: переодический щелчек в акустике, примерно раз в секунд 20, может больше, происходит хаотично, порода их высокочастотная, надоела уже. Цапом рад, спасибо большое автору! Может кто то сталкивался.
Приветствую. Длина шлейфов какая? Что является транспортом, есть ли дисплей, в общем поподробнее хотелось бы.
Пока автор молчит, здесь от его сборка наглядно, шлейфы бы в половину укоротитьhttps://audiohobby.ru/articles/vysokokachestvennyi-cap-ah-d6-versija-2-h.html#comment_10706
С втрое более длинными шлейфами и вообще без корпуса проблемы такой нет.
Здравствуйте, задавал уже тут вопрос по поводу шлейфов, его экрана и экранирования самой платы цапа, так как корпус у меня фанера. Понял, порою в эту сторону
1) Касательно соединения в первую очередь используйте нормальный шлейф! Не случайно в шлейфе между сигнальными линиями идут линии земли. У вас судя по фото на большей части соединения все разделено на отельные проводки, которые идут вперемешку.
2) При использовании длинного шлейфа рекомендую уменьшить номинал R9 до 33ом, аналогично на плате переходника.
4) Фейковая ADUM-ка (чаще попадается перемаркировка медленной в C-грейд) в качестве изолятора запросто может быть причиной.
3) Щелчки могут быть и от USB модуля, если есть возможность прошу проверить шнурки. Даже так называемый «аудиофильский USB кабель» может чудить на погоду. Также проверьте номиналы резисторов по USB входу в аманерке -https://audiohobby.ru/articles/dalneishaja-modifikacija-usb-transporta-amanero.html
Гальваноразвязка есть? проверьте, реально ли она отвязана, отдельное питание и остальное соблюдено ли .
Здравствуйте, да, линия питания транспорта и развязки одна
Может какой стаб возбуждается? Или непропай. Или электролит бракованный. Щелчок в обоих каналах?
В обоих, не зависимо друг от друга, его можно и не замечать. Хорошо слышен на спокойной музыке
Здравствуйте.
Собрал этот ЦАП, в качестве источника использую NanoPi-Neo,
http://forum.vegalab.ru/showthread.php?t=79888
с тактированием от ЦАП, и вот такая проблема: сразу при включении в динамиках слышен громкий звук, как зудение какое-то неприятное, но когда появляется музыка, это зудение пропадает совсем, если поставить плеер на паузу, появляется опять, так же появляется в паузах между песнями.
… Сначала грешил на источник, но выяснилось, что с другим ЦАПом НаноПи работает нормально.
Напряжения питания все в норме, правда, по максимуму, стабы, которые на плате, тоже выдают что им положено, не пойму, в чем дело?
Может, уважаемое сообщество подскажет, куда копать?
Добрый день! Столкнулся со следующей проблемой, имеется atmega88-20AU «честно купленая» в китае, которую программатор видит, прошивает, верифицирует, но при проверке работоспособности прошивки, на сигнальных линиях появляется 3,3 волта, но при замыкании control на землю реле не срабатывают, при принудительной подаче 3,3 вольта на резистор r19 реле срабатывают. Еще вопрос, при прошивке фьюзы Extended byte имеют значение HEX 01, на странице с примером стоит значение фьюзы F9.
Также вопрос по супервизору, у него на выходе 3,3 вольта — я так понимаю это не нормальное напряжение, или все таки не беспокоиться на этот счет? Может кто направит в нужное русло! Заранее спасибо!
«но при замыкании control на землю реле не срабатывают» а что в это время с пином rst творится?
На счет супервизора «у него на выходе 3,3 вольта» — нормально
Спасибо большое!
Вечером проверю!
Добрый день! Разобрался с проблемой, оказалось прошивку не ту «залил». Спасибо за участие!
Обнаружил, что на маске у верхней стороны PCB v.2 перепутаны местами обозначения С8 и С11 (в сравнении со схемой) — на них сверху удобно проверять напряжения на операционниках выхлопа и можно сильно удивиться смене полярности. Судя по фото на Pcbway, такая же ситуация и на платах v.2.1.
Вернул назад OPA2810. После года прослушивания, что-то OPA1656 мне на этом цапе не зашли.
ИМХО
Опять поставил opa1656. С гибридными Panasonic ZA так и оставлю
Выложил gerber-ы для самостоятельного заказа плат
Кто нибудь использовал MAX809 производителя UMW? Годные они?
В последнее время кто нибудь пробовал брать эти МАХы в чип и дипе? А то помню они что то левое вместо этих МАХов продовали.
Я брал вот эти, работают.
MAX809S, Формирователь импульса (сброса), 2.93В [SOT-23-3], UMW | купить в розницу и оптом (chipdip.ru)
Брал на али, пришло, запаял — работает. Если нужно могу ссылку прислать на то где брал.
Здравствуйте! Запустил свой экземпляр на 4490req, перемычки и ёмкость на первой ноге как для 4493, в другом варианте стартовать не захотела, в стабилизаторе питания пока что opa827, в тракте всё как в статье. Заиграла в слева, вроде не плохо. По req дата щита не нашёл. Хотел уточнить, собирал ли кто на ней и на сколько она хуже/лучше исходной?
Для 4490REQ, правильно сделали с ней как с 4493. Такое ощущение, что это один и тот же чип с 4493SEQ. Может какая-то отбраковка там и есть, но по разовым экземплярам я разницы между ними не заметил.
Cкидал все немного в корпус, немного послушал. Я таких эмоций не испытывал с того момента как в студенчестве передрал D29. Как определюсь с дисплеем и контроллером немного подвигаю все внутри.
При первом запуске была гробовая тишина отсутствие референса на конденсаторах, уже думал вырезать, но потом решил попробовать поэксперементировать немного с перемычками.
Огромное спасибо Вам и всем причастным!
Вижу новая прошивка появилась — v2.3
Подскажите пожалуйста, не нашел описания, чем отличается от v2.1?
Почти ничем, уменьшены программные задержки при старте, тем самым улучшена совместимость с Bolero v3.
Не только Bolero v3 стало лучше жить после вашей новой прошивки. Замечено что связка Amanero с плеером Volumio избавилась от «троекратного ура» (серия из трех щелчков реле) при переходе с одного DSD-трека на другой. Спасибо за прошивку.
Подскажите, имеет ли смысл замены в этом цапе операционников op07 на что-то более качественное и на что? Перечитал все ветки форума. Множество постов от «не влияет никак» до «стало намного лучше». В крайних цапах Андрея сразу идут opa1641 по умолчанию. Как обстоят дела на самом деле? Какие ОУ лучше применять?
Вроде уже отвечал, в аналоговом питании можно оставить op07. В цепи референса они не годятся, замена на opa1641 оправдана.
Да, нашел, спасибо: «Можно менять OPA1641 на OPA1611, еще возможные замены OPA189, OPA197 и если совсем дешево op07.
Замена OPA1656 на OPA1642 тоже — ок.»
Можно ли в цепи референса вместо opa1641 поставить opa627 или opa828? Они есть в наличии. ОУ из списка - непросто оригинальные купить
https://aliexpress.ru/item/33020371371.html?spm=a2...
(1641 )на эти отзывы хоть положительные, но маркировка стремная. Это семл?
По ссылке не SOIC, а другой же вариант корпуса — MSOP (по даташит opa1641 и в таком корпусе выпускают)
Opa1641 внезапно оказались в платане. Заказал там.
Имеет смысл. Замена на opa1611 и opa 1656 очень заметна на слух, что удивительно.
Спасибо, но просьба фотографии перенести в раздел фотоальбомы
https://audiohobby.ru/albums
Добрый день! Есть следующая проблема, запаяна atmega88PA-U куплена в китае, программатор её видит, прошивает, верифицирует, конфигурация фьюзов взята из статьи- «Прошивка микроконтроллера в цап -ах серии AH-Dx». При проверке работоспособности прошивки, сигнальные пины разъемов CONTROL / CONFIG подтянуты к логической «1», но при замыкании control на землю реле не срабатывают- нет лог. «1» на 12 ноге при этом появляется лог. «1»на 13 ноге . Менял atmega88 на из другой закупки, пробовал все прошивки, проверял монтаж, на выходе супервизора 3,3 вольта- всё тоже самое. Подскажите куда копать! Заранее благодарен!
А при этом пин rst разъема I2S замкнут на землю? 0 на нем присутствует?
Спасибо большое. так работает.
посмотрел ещё как работает «Плата адаптер для USB модуля Amanero для подключения к ЦАП» -При работе без модуля индикации требуется установить джампер на разъеме J3 (INDICATOR) для замыкания пина connect№9 с пином +5v № 10, если используется внешнее питание для подачи логической 1 на сигнал коннект. то есть нужно сразу замкнуть пин №3 на разъёме J4на DGND, а потом нажать сброспин rst разъема I2S.
единственное смущает уровни «логической 1»на разъёме J4, J6 — изменяются при разных включениях, наJ4-3.16v и на J6 от 2.9v до 3.16v
Есть желание немного улучшить звучание ЦАПа, идея убрать функцию фильтрации у U9 и U24 выпаяв C4 и C66, а функцию фильтрации возложить фильтр на выходе на R28, R24, C10 и R80, R95, C57 изменив номиналы емкостей (может и не менять). Хочется знать жизнеспособна ли эта идея и если да, то какие ёмкости должны быть в таком случае у C10 и C57?
Почему решили что убрав фильрацию в сумматоре звук улучшится? На мой взгляд не изменится. По крайней мере если емкости в сумматоре подобраны с точностью в 1%. А может и хуже станет.
Лучше сделайте предфильтрацию в виде RC цепочек 100 ом 4.7нФ на выходах микросхемы ЦАП. Как в фильтрах для AH-D16pro.
Мои опыты с фонокорректором и опыты собравших AH-D19-PRO показали, что активная фильтрация портит звук, и если делать фильтр активным, то желательно количество активных фильтров максимально уменьшить, лучший вариант не более одного.
Интересно так-же попробовать пассивный фильтр, ОУ при этом использовать как сумматор с небольшим коэффициентом усиления для компенсации потерь в фильтре.
«что активная фильтрация портит звук» — странный вывод, я с таким совсем не согласен.
Второй момент вы хотите убрать функцию фильтрации с определенного звена но при этом само активное звено остается, ну очень странная интерпретация мнений народа по D19.
Ранее, я жаловался на недостаточное количество баса в этом цапе. (Особенно по сравнению с D 5.5). Менял операционники, (особенно мало его было с 2810), все было не то. Сейчас поставил вместо ne5532 имеющийся opa2810. Теперь баса стало даже слишком много, нужно опять подбирать опера. Наверно 2810 вместо 1656 будет хорошо.
А можно просто сверху поставить модуль на ad744+кп902 (очень музыкальный и сбалансированный). Да и он очень чуток к конденсаторам в питании )))
У меня тут случай на прошлой неделе был. Шарахнула молния во дворе и отключили свет. На следующий день свет дали. Включаю музыку, не работает. Начал разбираться, дело в цапе( ah-d6 ). В итоге, вылетел контролер на цапе атмега и свисток xmos. Цап восстановил, заменил контролер и поставил Аманеро. Xmos скорей всего померла. Надо искать донора. Странно, но на индикацию режимов контролер оказался цел. В общем случай очень не приятный.
Здравствуйте. Прошло много времени и этот цап у меня собран, я его услышал. Есть проблема, не нашёл про неё, чтобы на выходе появился сигнал нужно подать питание, потом выключить и снова подать. Что с этим делать?
Добрый день, у ЦАП-а такой проблемы быть не должно, проверьте, что установлен правильный супервизор U19 на пороговое напряжение 2.93в, если с ним проблем нет, то смотрите интерфейсный модуль.
Thank you
Спасибо за вашу разработку — пользуюсь уже около года. Сделал «полный комплект»: ЦАП, модуль индикации, стоит адаптер для развязки Amanero, на котором сделан аппаратный перевод в Slave. Звук очень детальный и качественный.
Раньше не замечал одну особенность, но недавно, после перехода на уже нарезанные файлы flac, обнаружил, что (скорее всего) Amanero глушит начало трека, если там есть тишина (причем независимо от длительности). Т.е. с вывода 11 Amanero идет сигнал Mute. На экране вижу надпись DAC muted (даже если трек начал воспроизведение).
Но когда тишина исчезает, Amanero (или DAC?) выходит из режима Mute, но из-за задержки обрезается начало трека на несколько сотен миллисекунд. Можно ли это исправить прошивкой самого DAC? Прошивка для DAC у меня сейчас стоит последней версии. Поможет ли поменять прошивку на версию 1.5 (как там обрабатывается сигнал Mute)?
Еще раз спасибо!
А что за плеер используете, на каком формате pcm или dsd? Какая частота дискретизации материала. Пока не вижу в этом вообще проблемы. Задержки такие не случайные, а связаны с тем что всякие недоплееры типа фубара, в определенных версиях или конфигурациях вставляют между треками кусок тишины с ЧД 44.1 в итоге имеем двойную подачу сигнала сброса подряд с примерно с разницей 500мс, поэтому в прошивку и введена была задержка со сбросом mute в эти самые пол секунды, чтобы уменьшить возможные артефакты от таких двойных переключений. Для дсд задержка составляет 1.5с
Воспроизведение пробовал и из Moode Audio, и из Aimp, также из стандартного плеера Windows. Пробовал откатить прошивку до 1.5, результатов не принесло. Проблема частично решилась прошивкой Amanero до 1090/2011be. Задержки стали меньше (до 50-100 мс), но все же остались. Вторая плата Аманеро ведет себя после прошивки аналогично. Так что проблема точно в Аманеро, но можно ли это как-то побороть прошивкой самого ЦАП, в этом вопрос.
Да никак. Причем тут прошивка самого цап, если основной косяк в прошивке аманеро. Из-за его чудес я и отказался от аманеро.
Приветствую. Подскажите Crystek CCHD-575 с гашением генерации или нет? Если ставить эти гены, надо запивать электронные ключи U11 / U12? Спасибо.
CCHD-575 генерацию не гасят
Ещё вопрос появился: звено разностной обработки — это C4, C18, C54, C66 + R23, R24, R37, R38, R70, R71, R82, R83 их номиналы нужно менять при низкоомной версии фильтра?
К сожалению не хватает знаний, чтобы разобраться какие конкретно детали входят в ФНЧ и Звено разностной обработки, подлежащие замене. Я об этих рекомендациях: «ФНЧ 5,36k ->4,7k и 2,7k -> 1k, емкости 680pf -> 1,5n и 270pf -> 470p, в звене разностной обработки 2k и 470pf (или 3,3k и 330pf)»… и т.д. На какой из приложенных схем правильно выделены блоки для изменений номиналов?
На верхней.
Спасибо!
Опыта в сборке и настройке ЦАП нет, поэтому внимательно проштудировал содержание статей и комментарии к AH-D6. Ниже выкладываю сводную информацию в формате PDF(загрузить на сайт не удалось, поэтому предлагаю скачать с моего Янд.диска). Там собрано то, что показалось наиболее важным с этой страницы, а также отсюда:
https://audiohobby.ru/articles/vysokokachestvennyi-cap-ah-d6-s-podderzhkoi-dsd-i-pcm-2-in-1-na-ak4493ak4490.html
https://audiohobby.ru/articles/delimsja-otzyvami-i-vpechatlenijami-o-zvuchanii-nekotoryh-ou.html
По сути – это скопированные тесты с сохранением орфографии оригинала, чтобы можно было при помощи поиска по странице сайта быстро найти нужное место и ознакомиться подробнее. Так же указал кому именно принадлежит та или иная рекомендация.
ЦАП AH-D6 + БП PW-5_BOM c комментариями:
https://disk.yandex.ru/i/ryrdH2ax6q9nsQ
AH-D6 v.2.х — Полезное:
https://disk.yandex.ru/i/YmuxfTGpdSXxxw
AH-D6 v.2.х – ОУ:
https://disk.yandex.ru/i/w3weAVXBLB8T1A
Если кому-то поможет мой труд — буду только рад.