Модуль питания для ЦАП/АЦП AH-PW6-mini v3.0/3.1

Хочу представить Вашему внимаю компактны универсальный модуль питания AH-PW6 mini v3.0.
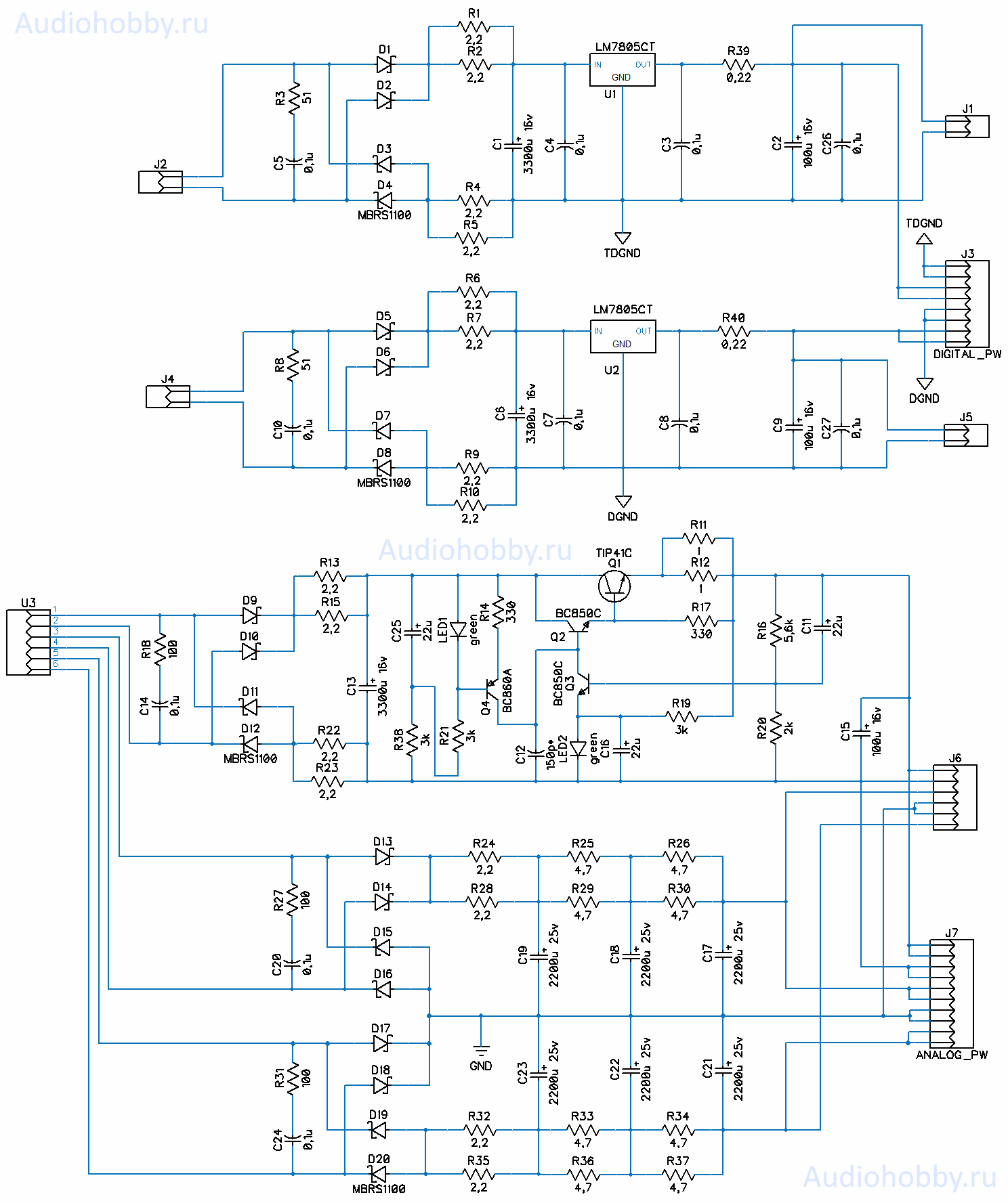
СхемаAH-PW6 mini v3.0

СхемаAH-PW6 mini v3.1
В новой версии добавилась дополнительная R-C цепочка R38 + C25, для снижения пульсаций на LED1.

Расчет выходного для стабилизированной линии аналогового питания аналогичен — audiohobby.ru/articles/modul-pitanija-ah-pw16-max-v1-0.html
Вложение:
Вложение:
Вложение:
А если объединить цифровое питание а аналог сделать раздельным ?
Еще интересно как себя проявило бы батарейное питание, даже можно сделать на время измерения отключать трансформатор а оставлять аккумуляторы, сразу 2 источника помех исключается, трансформатор и диоды.
Объединить можно, у меня на самом деле так и сделано, плата АЦП позволяет, там перемычка есть (jp1). Тут как раз никак на замерах объединение питания цифры и клока не сказывается.
Освободившуюся линию питания я использую для питания транспорта (т.к. если делать гальваническую развязку, которую пока не ставил, разделять обязательно придется).
В процессе сборки этого блока питания, естественно возникает вопрос с выбором не больших маломощных трансформаторов, немного подумав про свои запасы вспомнил я про уже ненужные компактные приборы, изъятые ТР оказались пригодные, с отдельными обмотками - 2x15v мощности для питания АЦП тоже будет достаточно, испытал их и на ушнике AH-P5 MAX совсем немного тепленькие за один час примерно работы под нагрузкой, еще измерил ради любопытства добытые там же электролиты, вполне годные 2500-2600 мкф, замер на 100 гц.
«В виду ограничения в 4 независимые обмотки, было предпринято решение объединить питания аналога AK5572EN и самого входного фильтра. Что и стало причиной наличия в спектра помех в районе < 1 кГц, кратных 50Гц.»
Я пожалуй сразу у себя это исправлю, сделаю питание аналога AK5572 от отдельного трансформатора, на другой плате выпрямителей и фильтров.
Обновил статью, выложил финальную рабочую схему, для платы 3.0 с полным разделением линий питания.
архивная осталась вложении - ah-pw6-mini-v2-0-scheme-old-version.png
Это для D5.5 D6 подходит? в отличие от прежних PW6 смущает общая земля на линии питания аналоговых фильтров.
«смущает общая земля», а в чем проблема?, тут зато пара перемычек и можно на диодах сэкономить, сделав со средней точкой.
т.е. трансформатор со средней точкой? Выбираю PW5 или PW6 мини, что все же лучше будет по звуку? (собираю D5,5)