Опыт сборки гибридного цирклотрона без ООС класса "А"

Несмотря на кажущуюся простоту исходной схемы («Радиохобби», №3, 2008, с.54-55) конструкция получилась довольно сложной, а стоимость всех комплектующих, включая корпус, составила порядка $1000. Честно говоря, в процессе сборки я не раз жалел о том, что затеял это дело, но конечный результат порадовал: усилитель звучит непревзойдённо детально и чисто на средних и высоких частотах, а также обладает мощными басами. Спасибо Дмитрию и Артёму за ценные советы. Полезная ссылка.

Измеренная амплитудно-частотная характеристика усилителя:

Нижняя граница АЧХ составляет 10 Гц при спаде -2дБ и примерно 20 Гц при спаде -1 дБ, а верхняя граница доходит практически до 100 кГц, однако синусоида заметно не искажается только до 50 кГц. Максимальная выходная мощность на нагрузке 8 Ом составляет 20..25 Вт с последующим очень плавным ограничением:

Чувствительность по входу около 1В.
Цирклотрон собран в относительно небольшом (по сравнению с авторским вариантом) корпусе WA130 шириной 430 мм, глубиной 412 мм и высотой 150 мм. Из-за очень плотного монтажа без принудительной вентиляции обойтись не удалось. Однако, благодаря использованию сверхтихих вентиляторов «Noctua» шума практически не слышно. Так, вентилятор «Noctua» NF-S12A ULN диаметром 120 мм (виден на фото над двумя тороидальными силовыми трансформаторами) совместно с шумопонижающим адаптером Low Noise NA-RC12 обладает уровнем шума всего 6,7 дБ. Скорость вращения вентиляторов зависит от температуры (управление осуществляется через ШИМ), которая определяется несколькими термодатчиками DS18B20, установленными внутри корпуса. Для поступления снизу холодного воздуха в нижней крышке корпуса сделано достаточное количество вентиляционных отверстий. Воздушные потоки нагретого воздуха, направляемые вентиляторами, движутся к верхней крышке, имеющей вентиляционные прорези. Кроме того, вентиляционные отверстия для тёплого воздуха проделаны и в задней стенке корпуса там, где расположены лампы.
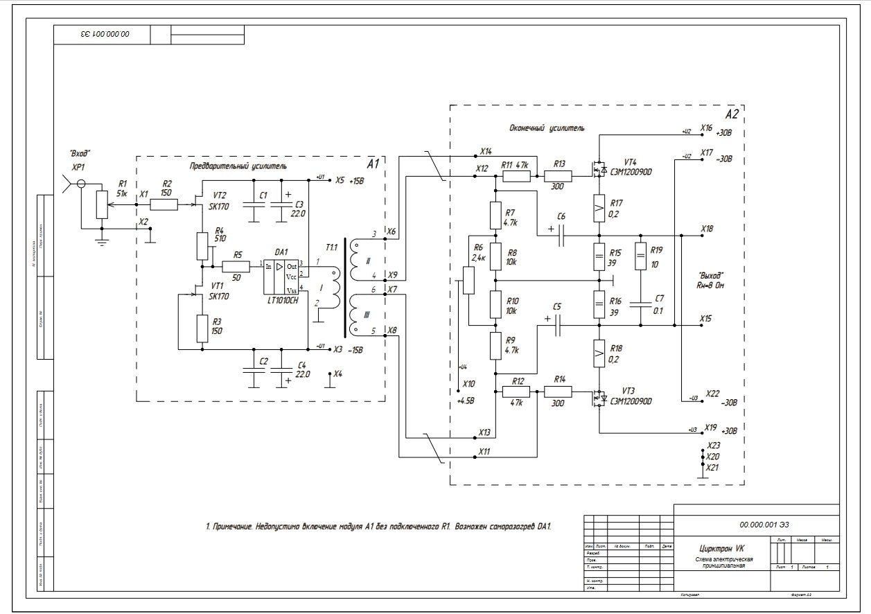
Рассмотрим основную схему:

В качестве ламп были применены рекомендованные в статье пентоды IL861 (производства ГДР), обладающие выдающимися характеристиками, в том числе сроком службы 10000 ч (подобранные пары таких ламп были приобретены на eBay). Во вложении приведён мой собственный перевод с немецкого описания этой лампы. Ток анода лампы составляет 20 мА, ток катода (с учётом тока защитной сетки) — 25 мА.

Ламповые каскады смонтированы на половинках алюминиевого корпуса G0123F без крышки (так как верхняя и боковая грань получаются расположенными не точно под прямым углом, под ламповые панельки с одной стороны пришлось подложить проволочные скобы, чтобы лампы устанавливались строго вертикально):


В конструкции применены небольшие готовые межкаскадные трансформаторы Lundahl LL1671/30mA, работающие в режиме 4:(1+1). Трансформаторы помещены в стальные колпаки размерами 70x70x80 мм (правда, пришлось сделать небольшие вырезы в крепёжных уголках колпаков). Первичная обмотка межкаскадных трансформаторов имеет индуктивность около 40Гн, что обеспечивает нижнюю границу звукового диапазона 10 Гц.


Особо следует остановиться на RC-цепочках C12, R18 и C13, R19. В исходной схеме их не было. Однако при проверке усиления прямоугольного сигнала на фронтах были обнаружены довольно значительные выбросы:

Именно поэтому первоначальное звучание усилителя мне не очень понравилось — оно было каким-то «шумноватым». Подбором номиналов указанных RC-цепочек удалось снизить выбросы и сделать звучание гораздо более приятным на слух:

Но и этого для идеального звука оказалось не достаточно: почему-то на высоких частотах в некоторых случаях отмечалась режущая слух резковатость (об устранении этого эффекта — в самом конце).

Кстати, звучание цирклотрона станет ещё лучше (особенно в области басов), если в катодные цепи ламп на место C1 установить электролитические конденсаторы 1000 мкФ x 16В Elna Cerafine, шунтированные полипропиленовой плёнкой ёмкостью 1..3,3 мкФ.
Выходные каскады цирклотрона собраны на полевых транзисторах 2SK1058, установленных через тонкие слюдяные прокладки с термопастой на боковых радиаторах. Ток покоя выходных каскадов пришлось снизить до 1А, чтобы уменьшить их нагрев — при указанном токе сохраняется высокое качество звучания усилителя при приемлемом температурном режиме. При токе покоя 1,3А нагрев транзисторов доходил почти до 70 градусов (это допустимый предел), и усилитель снаружи и внутри нагревался так, что на корпусе было невозможно держать руку, а вентиляторы при этом не спасали. Рядом с транзисторами каждого выходного каскада размещается термодатчик, а под каждой платой выходного каскада — по вентилятору «Noctua» NF-A4x10 FLX с адаптерами Low Noise NA-RC11 (соответственно под каждой платой выходного каскада в нижней крышке проделаны вентиляционные отверстия, а нагретый воздух движется не только вверх, но и к отверстиям в задней стенке). Платы выходных каскадов прикреплены к нижней крышке нейлоновыми стойками М3 длиной 50 мм.
Напряжение смещения выходных каскадов, которое определяет их ток покоя, формируется узлом стабилизатора накала ламп, и может управляться от микроконтроллерного сервисного блока цирклотрона (рассмотрен ниже).
В данной конструкции я применил в цепях питания плёночные конденсаторы с диэлектриком PPS: они установлены как на платах стабилизаторов для питания выходных каскадов, так и в цепях формирования смещения для выходных каскадов, а также в фильтрах по питанию непосредственно на платах выходных каскадов. Эти конденсаторы позволяют получить очень чистое и яркое звучание на ВЧ, но здесь надо действовать осторожно, чтобы не «переборщить», так как, с одной стороны, эти конденсаторы могут придать звучанию лишнюю окраску, с другой — сделать заметными недостатки звукового тракта. В данной конструкции на платах выходных каскадов (C6, C7) первоначально мной была установлена керамика NP0 0,1 мкФ x 50V, однако её «невнятное» звучание мне не понравилось.
В усилителе изначально как необязательный предусматривался узел защиты нагрузки от постоянного напряжения, описанный в аналогичной конструкции (см. в конце). При проверке оказалось, что в случае пропадания напряжения одного из плеч питания выходного каскада (например, при перегорании предохранителя) второе плечо закрывается, и напряжение на нагрузке становится нулевым. И хотя усилитель не чувствителен к короткому замыканию в нагрузке, этот узел решено было оставить на случай пробоя одного из выходных транзисторов (чего в принципе исключить нельзя).
Блок питания цирклотрона получился сложнее основной схемы:

Для питания выходных каскадов применены два тороидальных трансформатора (Tr1, Tr2), каждый из которых имеет по две обмотки ~25В. Трансформаторы намотаны на кольцах типоразмера К116x60x20 от УМЗЧ ВВ Н.Сухова (данные сердечников приведены в журнале «Радио», №1, 1990, с.78), и обладают пониженной индукцией: первичная обмотка содержит 2130 витков провода ПЭВ-2 0,45, а вторичные обмотки намотаны в два провода ПЭВ-2 1,17 по 235 витков. Трансформаторы размещены один над другим и накрыты стальным кожухом диаметром 140 мм и высотой 74 мм. Первичные обмотки трансформаторов включены параллельно в противофазе для снижения магнитного поля.
Для уменьшения размеров конструкции и облегчения работы выходных каскадов последние питаются от 4-х стабилизаторов с выходным напряжением 24В. За основу схемы стабилизаторов взята конструкция «Мощного стабилизатора двухполярного напряжения для УМЗЧ» — А.Кузьминов, «Радио», №5, 2012, с.18-20. Эти стабилизаторы обеспечивают малый уровень пульсаций при минимальной разнице между входным и выходным напряжениями всего около 1В, поэтому нагрев этих узлов минимален. Управляющие полевые транзисторы стабилизаторов каждого плеча прикручиваются к боковым радиаторам через изолирующие силиконовые прокладки рядом с 4-мя диодами Шоттки в пластиковых корпусах (без прокладок) винтами М3, имеющими шестигранный шлиц. Для уменьшения занимаемого объёма платы стабилизаторов обоих плечей каждого канала монтируются в два «этажа», с установкой между платами нейлоновых стоек М3 длиной 60 мм.

Анодный стабилизатор и стабилизатор накала лампы собран на одной плате отдельно для каждого канала. Для питания ламповых каскадов использован промышленный трансформатор ТАН45, который почти идеально подошёл для этой конструкции. Трансформатор закрыт стальным кожухом размерами 107x107x115 мм.

За основу высоковольтного стабилизатора взят соответствующий блок из конструкции «Современный, ламповый...». Исходный вариант такого стабилизатора описан здесь. В анодных стабилизаторах предусмотрена защита от перегрузки и короткого замыкания, а также задержка подачи напряжения после включения (целесообразно увеличить ёмкости конденсаторов C10 до 100 мкФ для увеличения времени задержки). Напряжение между входным и выходным напряжением стабилизатора должно быть не менее 15В, иначе стабилизатор может выйти из нормального режима, и на выходе усилителя появится фон частотой 100 Гц. По этой причине напряжение на выходе стабилизатора установлено равным +188В (потенциометром R18) — в этом случае работоспособность узла сохраняется при просадке питающего напряжения сети до ~194В, что составляет примерно -11% относительно номинала ~220В.

Накалы ламп питаются постоянным стабилизированным напряжением 20 вольт (ток накала 120 мА), с плавным нарастанием после включения, для продления срока службы ламп. В фильтрах стабилизаторов накала применены аудио электролиты, так как выходное напряжение этих стабилизаторов используется для формирования стабилизированного напряжения смещения для выходных каскадов. Сигналы управления напряжением смещения поступают от сервисного блока:
- сигнал /On с активным низким уровнем подаёт напряжение смещения — сразу после включения имеет высокий уровень и остаётся таким в течение 40 секунд, предотвращая появление фона на выходе усилителя до прогрева ламп;
- сигнал /Low с активным низким уровнем переключает выходной каскад в экономичный режим с пониженным током покоя; при указанных на схеме номиналах на выходе стабилизатора +A5V (BIAS) формируется напряжение +4,2В при высоком уровне сигнала /Low (ток покоя 1А) и напряжение +2,6В при низком уровне сигнала /Low (ток покоя 0,4А); напряжения BIAS1, BIAS2 на затворах транзистороввыходного каскада будут при этом составлять +2,2V (для тока 1А) и +1,4V (для тока 0,4А).
Все блоки цирклотрона оснащены элементами индикации на светодиодах, позволяющих провести быструю диагностику и определить возникшую неисправность, поэтому на некоторых фотографиях конструкция может быть похожа на «звездолёт» :)
Платы анодных и накальных стабилизаторов для обоих каналов цирклотрона расположены одна над другой с установкой нейлоновых стоек М3 длиной 40 мм. Управляющие элементы стабилизаторов в пластиковых корпусах (VT4, VT5, DA3, DA4) прикручены к радиаторам в форме алюминиевых брусков (от неисправных компьютерных источников бесперебойного питания), которые, в свою очередь, прикручиваются к общему радиатору из профиля AB0099 размером 100x90x26 мм, прикреплённому к нижней крышке корпуса. Сверху над платами стабилизаторов размещается плата сервисного блока.

Рассмотрим схему сервисного блока на микроконтроллере:
Сервисный блок обеспечивает:
- задержку подачи напряжения смещения для выходных каскадов на 40 секунд после включения питания для прогрева ламп;
- управление током покоя выходных каскадов в зависимости от положения перемычки JMP1 (используется трёхпозиционный тумблер на задней панели): в верхнем положении тумблера «H» (правое положение перемычки) ток покоя максимальный (1А), в нижнем положении тумблера «L» (левое положение перемычки) ток покоя минимальный (0,4А), в нейтральном (среднем) положении тумблера (нет перемычки) ток покоя определяется наличием выходного сигнала усилителя (режим «A» — «Авто»): при отсутствии выходного сигнала в течение более 5 минут ток покоя снижается, при появлении (порог срабатывания примерно ~1В) — возрастает до максимального значения;
- опрос до 5 температурных датчиков DS18B20, включённых параллельно, с целью контроля максимальной температуры критичных узлов (используются три датчика: два — возле транзисторов выходных каскадов и один непосредственно у сервисного блока);
- управление скоростью вращения вентиляторов с помощью ШИМ в зависимости от текущей температуры термодатчиков (используется три малошумящих вентилятора, включённых параллельно);
- формирование сигнала аварии /Alarm с активным низким уровнем в случае перегрева хотя бы одного из датчиков до 70 градусов;
- индикацию режима работы с помощью двухцветного светодиода, выведенного на переднюю панель (HL5, HL6): мигание — режим прогрева (40 секунд после включения), непрерывное свечение зелёным — максимальный ток покоя, непрерывное свечение жёлтым — пониженный ток покоя; непрерывное свечение красным — перегрев (выходные каскады отключаются);
- быструю разрядку конденсаторов задержки подачи анодного напряжения после выключения питания (через контакты реле K1).

Сервисный блок имеет отдельный блок питания со стабилизаторами для питания цифровой части +D5V и +D12V (при подборе вентиляторов необходимо проконтролировать, чтобы потребляемый ими максимальный ток не превышал 150мА).
Рассматривался также вариант сервисного блока без использования микроконтроллера, однако его схема получилась очень сложной и не гибкой. Исходный текст программы управления сервисного блока и готовая прошивка прикреплена в архиве. Её можно модифицировать по своему усмотрению. Также программа может представлять интерес для применения в других устройствах в части опроса нескольких датчиков, подключённых по шине 1-Wire, и ШИМ-управления вентиляторами.
В заключение рассмотрим ещё один необязательный блок, который реализован в данной конструкции — блок включения и аварийного отключения:
Этот блок необходим, если используется узел защиты нагрузки от постоянного напряжения: в случае аварии усилитель полностью обесточивается с формированием звукового сигнала. Если к этому блоку подключить сигнал /Alarm от сервисного блока, то в случае перегрева (70 градусов) усилитель также полностью отключится с выдачей звукового сигнала. Для повторного включения усилителя его нужно выключить и включить снова.
Для коммутации мощной нагрузки использован принцип, описанный здесь. При подаче питания благодаря цепи сброса R2, C3, VD1 триггер на элементах DD1, DD2 устанавливается в исходное состояние с высоким уровнем на выходе DD1/4, и через малое прямое сопротивление диода VD3 транзистор VT2 через оптрон OC2 практически сразу включает симистор VS1, а затем, с небольшой задержкой, определяемой номиналами R4, C5, включается реле K1, замыкая своими контактами уже открытый симистор. В результате при включении контакты реле не подгорают. Кроме того, включение всегда происходит при переходе синусоиды питающей сети через ноль (на фотографии показан сигнал на вторичной обмотке одного из тороидальных трансформаторов питания выходного каскада):

В случае поступления сигнала аварии с активным низким уровнем на вход 2 логического элемента DD2 триггер переходит в нулевое состояние на выходе DD1/4, и транзисторный ключ VT1 через малое прямое сопротивление диода VD2 сразу же обесточивает реле K1, контакты которого размыкаются, но параллельно им остаётся включённым открытый симистор VS1. Симистор, в свою очередь, отключается (также в момент перехода синусоиды через ноль) через время задержки цепи R5, C6, когда контакты реле уже разомкнуты, и усилитель полностью обесточивается. За счёт такой последовательности действий искрение контактов реле исключается. При появлении на выходе DD1/4 низкого уровня инверсный выход триггера DD2/4 переходит в состояние логической единицы, включая аварийный звуковой сигнал с помощью активного излучателя HA1 через транзисторный ключ VT3 с задержкой примерно 1,5 секунды (R6, C8). Эта задержка необходима для того, чтобы исключить непреднамеренное срабатывание звуковой сигнализации во время переходных процессов при обесточивании усилителя с помощью общего выключателя SW1.
При отключении питания с помощью выключателя SW1 блок функционирует несколько по иному. Первым должно разомкнуться реле K1, а затем уже можно отключать симистор VS1. Для получения такого результата обмотка реле запитывается от отдельного выпрямителя со сглаживающим конденсатором небольшой ёмкости C11, отделённым от конденсатора большой ёмкости C10 диодом VD6, и, как только питание пропадает, контакты реле K1 размыкаются, но симистор VS1 при этом ещё включён. Отключение симистора VS1 происходит позже, по мере разряда конденсатора C10, когда снизится напряжение питания ключа VT2. В этом случае контакты реле K1 также защищены.
Как это ни странно, в процессе отладки данного узла удалось устранить резкость звучания усилителя на высоких частотах. Дело в том, что несмотря на предпринятые меры по защите от помех (элементы C1, R3, C2, C4) иногда наблюдались ложные срабатывания системы защиты (/R/S-триггер на элементах DD1, DD2), например, при включении бытового вентилятора, подключённого к той же розетке, от которой запитан усилитель. Полностью избавиться от этого недостатка удалось добавлением сетевого LC-фильтра: схема его подключения показана на схеме блока включения и аварийного отключения. В результате прекратилось не только срабатывание защиты в результате помех от бытовых приборов, но и улучшился звук на ВЧ — к нему теперь просто невозможно придраться! Как объяснить причину этого явления, не совсем понятно.

В архиве прикреплены рисунки печатных плат и гербер-файлы.
Так выглядит цирклотрон совместно с автотрансформаторным регулятором громкости:

Разница звучания в экономичном и максимальном режиме, по-моему, небольшая, и я много раз себя ловил на том, что автоматический переход усилителя из максимального в экономичный режим(а это происходит примерно при выходной мощности менее 125 мВт при среднем положении переключателя режима) на слух почти незаметен.
Результаты измерений спектра гармоник гибридного Цирклотрона показали(использовался измерительный комплекс Шмелёва на базе ноутбука Lenovo Ideapad S10), что при выходной мощности усилителя около 1 ватт (я слушаю обычно на такой громкости) в спектре гармоникприсутствует только 2-я и 3-я гармоники, и соответствующие коэффициенты гармоник Кг≈0,15% (при токе покоя ВК 0,4А) иКг≈0,11% (при токе покоя ВК 1А) почти равны, поэтому звучание цирклотрона в этих режимах практически не различимо на слух (на рисунке ниже показан спектр при токе покоя 1А и выходной мощности 1 ватт; при токе 0,4А уровень 3-й гармоники становится чуть выше уровня 2-й):

При увеличении выходной мощности до 5 ватт коэффициент гармоник возрастает до Кг≈0,56% и Кг≈0,26% соответственно для токов покоя 0,4А и 1А (на рисунке ниже показан спектр при токе покоя 1А и выходной мощности 5 ватт):

При выходной мощности 10 ватт коэффициенты гармоник становятся соответственно Кг≈1% иКг≈0,48% для токов покоя 0,4А и 1А (на рисунке ниже показан спектр при токе покоя 1А и выходной мощности 10 ватт):

Очевидно, что спектр гармоник ограничен преимущественно 2-й, 3-й и 5-й гармониками.
При мощности 20 ватт коэффициент гармоник Кг≈2% независимо от тока покоя ВК (на рисунке ниже показан спектр при токе покоя 1А и выходной мощности 20 ватт):

К спектру выходного сигнала добавляются гармоники высших порядков, причём нечётные имеют больший уровень, чем чётные.
При максимальной выходной мощности 25 ватт (когда уже наступает плавное ограничение синусоиды) коэффициент гармоник Кг≈10% (изображение со спектром не сохранено).
Просто великолепная конструкция!!! Вызывает зависть и загоняет в уныние....
Спасибо! Но уныние и всё такое, наверное, в данной ситуации лишнее, хотелось, чтобы была какая-то польза...
Ну у меня пока есть достижимая цель, собираю еще один D7, ждю платки для дискретного фильтра к нему, в общем есть чем пока заняться. Если победю боль с корпусами, вообще нормуль будет.
А Вы лукавите! там на много по боле 1000$ будет.
Чтоб такое техно чудо собрать, это нужно пол жизни повышать свой уровень знаний и возможностей терпение и умение, с очередным достижением Вас!
Спасибо!
Поздравляю с очередной отличной конструкцией! Работа проделана серьезная.Совет на будущее: чтобы было видно меньше винтов на задней панели, ставить за ней фальшпанель и крепить узлы на нее.Я корпуса, ручки.ножки и прочее делаю сам, благо есть токарный станок и приспособа для фрезерования к нему(сделал сам).
Спасибо за совет, возьму на вооружение!
nikolay002, A Фото своей фрезерной приспособы можете показать (в личку)?
Компактно ухоженно и почти все что нужно!
Это вот прямо тот академический случай когда «простая схема» выливается конструкционно в «монстрика». Огромное спасибо за описание, я в искреннем восхищении.
Есть еще столярная мастерская, поменьше токарный в гараже и еще несколько разных маленьких самодельных станочков.Позже выложу в разделе мастерская радиолюбителя.
Полезная спасибо информация «Мощного стабилизатора двухполярного напряжения для УМЗЧ» — А.Кузьминов, «Радио», №5, 2012, с.18-20, надо бы примеры ваших плат объединить в одну двухполярную для применения в AH-AMP1.
У меня есть рисунки плат двухполярного стабилизатора по этой схеме, который используется у меня в другом усилке, могу выслать.
Все красиво, спасибо за Ваш труд!
Здравствуйте, шунт верхнего диода, в диодном мосту (4.7 Ом + 10нФ) и снаббер (4.7 Ом + 5нФ) параллельно «разряжающему» диоду (параллельно электролиту), не смотря на шоттки, выбросы уменьшатся.
И вопрос, 100мкФ после стабилизатора — достаточно? Групповой дроссель не рассчитывали применить (после диодного моста, после стабилизатора)?
И LT1084 почти не дорого (через шунт электролиты заряжать, если «не запускается», реле в КЗ, через 1 минуту, как допы). У Лао запросил LT1083, есть, где то по 500р выходят (от 8шт)
Здравствуйте! 100 мкФ на выходе стабилизатора вполне достаточно. Как раз одной из причин использования стабилизаторов была возможность отказаться вообще от дросселей, так как места в корпусе очень и очень мало. Честно говоря, залезать вовнутрь и что-то переделывать нет никакого желания, как говорится: работает — не трогай (а работает очень хорошо, надо сказать).
Очередной проект на сайте — «к чему стремиться» (и учиться)
Исправил график АЧХ цирклотрона — оказалось, что первоначально я измерил её с закрытым входом осциллографа...
Доброго времени суток. Исправьте, пожалуйста, включение VD2 на самой первой аналоговой схеме. Я так понимаю, что тот, кто решится собирать этот усилитель, должен уметь читать схемы и исправлять их ошибки ) Но всё-же ошибки есть ошибки...
Здравствуйте! Действительно, спасибо большое за подсказку, исправил.
Если и так применены вентиляторы то лучше было использовать четыре системы охлаждения от процессоров и установив на каждый без прокладок по выходнику и его мост питания.
Вполне возможно. Но и описанная система показала свою высокую эффективность и бесшумность в течение длительного времени.
Вообще здесь система охлаждения нужна не столько для локального обдува (массивные радиаторы справляются), сколько для хорошей циркуляции воздуха внутри и главное бесшумная.
Я планирую применить «башни» и установить сверху корпуса вместе с лампами.
Самый большой нагрев идет от транзисторов выходных каскадов, и при большом токе токоя более 1А система вентиляции уже не справляется. Сами лампы греются, но от них идет меньше тепла.
Подскажите, а более бюджетные межкаскадные трансформаторы какие можно применить? За исключением самодельных.
Более бюджетного и подходящего из трансформаторов я ничего не нашёл. Пытался поначалу намотать сам, но бросил эту затею. Большие размеры получались, и качество не очень. Тем более, что со мной поделился опытом один товарищ, сказал, что с фирменными трансформаторами Lundahl звучит лучше, чем с самодельными.
Здравствуйте.
Не могу понять принципы выбора сопротивлений в затворах и истоках транзисторов выходного каскада: у Нагорного и у вас это 270 / 36 Ом соответственно, у Чуффоли почему-то
220 / 90 Ом — версия 2011 г.
и 900 / 90 Ом в версиях 2021 и 2022 г., (правда уже на ECW20N20).
У себя воткнул 560 /? потому что в закромах нашлись уж очень высококачественные советские углеродистые прецизионники.
Зачем Чуффоли так сильно ограничивает ток затворов?
И почему он выбрал сопротивление кидающее истоки на землю смещения в 3 раза выше?
П. С. Около года собираю этот проект, но на водяном охлаждении, межкаскадные трансформаторы приобрёл в эстонском магазине https://www.audiohobby.eu/ru/ без посредников — они не только сами отправляют в Россию, но даже принимают карты МИР. Взял версию LL1671 на 20 мА, а вообще там огромный список вариантов, хоть на 18, хоть на 10 мА. Сначала попробовал макет повторителя А класса — работает, но не понравилась потребность использовать проходные конденсаторы по цене тех же 1671.
А вот ECW20N20 заказанные через посредника до меня так и не доехали.
Думаю точные номиналы этих сопротивлений не принципиальны, важен их порядок. Токи затвора всё-таки у MOSFET небольшие. А, например, истоковые резисторы в Цирклотроне КП1 вообще по 200 Ом, и всё работает. Вообще, этот гибридный вариант цирклотрона, конечно, хорош, но, на мой взгляд, есть конструкции попроще, и подешевле, с очень хорошим качеством звучания. Я имею в виду Цирклотрон КП1 с латералами на выходе. Хотя, дефицитных деталей (jfet транзисторов) там тоже хватает.
Вот тоже ощущение что номиналы выбраны из деталей в наличии.
Буду доделывать вариант Чуффоли, очень понравилось использование межкаскадного трансформатора в качества фазорасщепителя, да и уже сделаны шасси, ламповая часть, фильтр высокого и стабилизатор 6,3 В.
Силовая часть - трансформатор с четырьмя обмотками 30,3 В и 16 спаренными диодами шоттки в выпрямителях.
Мотал все обмотки, включая первичку проводом 1,12 мм, но пожадничал с амплитудой индукции — 0,773 Тл, в итоге сопротивления вторичек около 0,45 Ом, что не очень хорошо учитывая отсутствие стабилизации.
Да и напряжение высоковато — 40 В под нагрузкой 1,5 А.
Сопротивления вторичек получились очень маленькие, это очень хороший вариант, а вот напряжения, конечно, великоваты, под нагрузкой и 25 вольт вполне хватило бы, учитывая сильный нагрев выходных транзисторов. Я не смог довести ток покоя больше 1А — несмотря на относительно большой корпус усилитель нагревался так, что руку нельзя было держать. С другой стороны, я обнаружил впоследствии, звучание усилителя при токах покоя 400 мА и 1А практически одинаковое, я разницы не слышу (а вот при токе 150 мА, который был установлен ранее, звучание получается хуже).
В качестве радиаторов транзисторовводоблоки для оперативной памяти. К ним помпа D5, радиатор 180х180 мм с вентилятором. Радиатор справлялся с 200-300 Вт ядра видеокарты при приемлемой температуре теплоносителя, а отвести тепло от мосфетов намного проще за счёт меньшего теплопотока на единицу площади. Изоляторы -нитрид алюминия 0,6 мм + термопаста. У AlN теплопроводность под 260 Вт/(мK), для сравнения у меди 400 Вт/(мK) против 0,6 Вт/(мK) у слюды — на два порядка раз хуже. Видел, вы расщепляете слюдяные пластинки менее 0,1 мм, но даже у пластинки 0,05 мм теплопроводность всё ещё хуже чем у 0,6 мм нитрида, как ни парадоксально.
«звучание усилителя при токах покоя 150 мА и 1А практически одинаковое»
Выбор такого низкого тока покоя в экономичном режиме очень удивил. Возможно звучание не меняется за счёт стабилизации напряжений выходных каскадов: при открытии транзисторов свыше тока «псевдокласса А» напряжение плеч не проседает. Ваша статья очень помогла, спасибо. Неоднократно гуглил по запросу «цирклотрон», но почему-то раньше эти материалы не попадались.
Звучание при разных токах не меняется из-за особенностей транзисторов 2SK1058 — была где-тостатья про оптимальные токи покоя, для этих транзисторов как раз 150 мА.
P.S. Впоследствии выяснилось, что приведённые в этой статье сведения не соответствуют действительности: транзисторы 2SK1058 «звучат» гораздо лучше, начиная от токов покоя 0,3..0,4А (а транзисторы IRFP240, рассмотренные в статье, для звука вообще не годятся ни при каких токах покоя).
Спасибо! Странно что 2SK1058 так проиграли по искажениям даже обычным IRFP240.
Субъективно они звучат гораздо лучше IRFP240, даже сравнивать нельзя. Это один из примеров того, что объективные показатели не всегда являются определяющими для звука.
Бесспорно, в цирклотроне только применимы только латералы.
Объективные всё-таки определяющие, потому что «нельзя услышать то что нельзя измерить». Другое дело — методика измерений. Реальный музыкальный сигнал далёк от синусоиды, тем более при работе УМЗЧ на АС.
Я, в своё время изготовил несколько подобных усилителей, которые рознились межкаскадными трансформаторами и лампами для работы с ними. Очень не плохие оказались трансформаторы от компании Георг Ом, что была в Харькове. Трансформаторы заказывал под лампу 6Н30-ДР с габаритными размерами ТС-180. Усилитель работает уже около 10 лет и его высокое качество оценено многими. Так что рекомендую как менее дорогую альтернативу Luhdahl.
Написал им ответа нет.
Юра ( основатель компании) часто бывает в разъездах, так как основное направление у него не домашний сектор а PRO.
Возможно в разъездах, а может что ещё, время сейчас не спокойное. Вроде бы где то был его Скайп, поищу, если что...
Познакомился с Юрой ещё в конце 90х когда совместно выставлялись на Росхаенде, с тех пор несколько раз заказывал у него разные трансформаторы, всё было нормально...
Сейчас поискал, обнаружил его в Телеграме
George Ohm Audio
Добрый вечер, хочу собрать такой усилитель можете описать этапы настройки усилителя. Давно не собирал транзисторные усилитель не охота нажеть гору транзисторов при настройки
Здравствуйте! Боюсь, сейчас для такого усилителя вы не найдёте комплектующие. Это в первую очередь касается латералов 2SK1058, согласующих трансформаторов Lundahl и ламп IL861. Этапы настройки: сборка и проверка источников питания, сервисного блока, лампового каскада, выходного каскада. Подробнее даже не представляю, как это описать. Конструкция довольно сложная получилась. Можно почитать исходную статью Ю.Нагорного.
Добрый день, меня интересует настройка только
лампового каскада, выходного каскада, лампы есть на истоке, межкаскадник сделает Николай он хорошо делает,
2SK1058 есть на чипедипе
блоки питания сделать нет проблем есть опыт сборки ламповых усилителей сам сделал 4шт с работе еще 2шт, давно не собирал транзисторные усилители забыл как настраивать.
Настройка лампового каскада заключается в выборе катодного резистора для получения требуемого анодного тока. Я его сразу поставил номиналом 120 Ом согласно даташита на лампу. Нужно только проверить, что действительно получился требуемый ток анода 20 мА (либо по падению напряжения на первичной обмотке трансформатора при известном её сопротивлении, либо по падению напряжения на катодном резисторе за вычетом тока экранной сетки 5 мА).
Настройка выходного каскада (ВК) заключается в установке требуемого тока покоя ВК (1А или 0,4А) и балансировке (установке нуля на выходе). На слух я не могу различить звучание усилителя при указанных токах покоя ВК. Поэтому, думаю, можно ограничиться током 0,4А, правда, это не совсем класс А получается… Может быть, при токе покоя ВК 1,1А..1,5А он будет ещё лучше звучать, но нагрев при этом получается слишком сильный (выше 70 градусов), и в таком варианте послушать его мне не удалось. Для тока покоя ВК 0,4А напряжение смещения BIAS на затворах транзисторов ВК составляет +1,4В, для тока покоя 1А - +2,2В (для моих экземпляров транзисторов). При токе покоя 0,15А (этот вариант тоже проверялся) усилитель «звучит» хуже.
Следует учитывать, что усилитель чувствителен к «просадкам» напряжения сети, приводящим к снижению входного напряжения для анодных стабилизаторов, в результате анодные стабилизаторы выходят из режима стабилизации, и появляется фон частотой 100 Гц. Поэтому напряжение на выходах анодных стабилизаторов я установил +188V. При этом допускается «безболезненная» «просадка» сетевого напряжения 220VAC на -10% (примерно до 194VAC).
Что касается 2SK1058 в ЧиД — их там уже давно нет. В настоящий момент их можно купить в магазине Отрон (я их там покупал производства Renesas) по довольно внушительной цене (и то, надо уточнять наличие). И больше я их в последнее время нигде не встречал.
Добрый день, вы можете рекомендовать какие транзисторы можно установить в место 2SK1058.
Здравствуйте! Сюда подойдут только MOSFET транзисторы с горизонтальной структурой, типа латералов. Их сейчас, конечно, найти очень проблематично. До недавнего времени 2SK1058 ещё продавались в магазине Отрон. Из отечественных КП904А - при включении пар в параллель, с подбором по начальному току стока — так себе затея. Если поставить обычные MOSFETы с вертикальной структурой, то на хороший звук можно не расчитывать.
До недавнего времени 2SK1058 ещё продавались в магазине Отрон.
Пишут что есть в наличии
Как раз там я их и покупал, правда, когда они были подешевле. Хорошие, производство Renesas. Больше их купить негде.
В Митино есть по 410р уpl1
Из 4-х купленных там транзисторов два оказались подделкой, а один из них вообще неисправным. Так что там покупать небезопасно. Отправил два контрафактных назад, обещали выслать из партии исправных (говорят, что они их проверить не могут).
Прислали два нормальных транзистора взамен и даже вернули деньги за обратную отправку неисправных. Так что вопрос решился положительно :)
Следует отдать должное сотрудникам магазинаPL1: кроме того, что они прислали мне взамен два нормальных оригинальных транзистора 2SK1058 и компенсировали мне затраты на возврат неисправных, мне ещё и вернули стоимость двух транзисторов!? Удивительно, что такое вообще бывает.
Добрый день, Владимир можно у Вас попросить файлы для плат, блока питания на +-25 и выходной каскад, или купить у Вас готовые
Здравствуйте! Рисунки печатных плат с гербер-файлами приложены к статье в приватных вложениях (требуется регистрация). Готовые пустые платы остались только для выходных каскадов (не считая плат стабилизаторов питания ламп и сервисных узлов), плата для блока питания +-25В всего одна оставшаяся лежит.
Подскажите, а возможно увеличить мощность данного усилителя, повышением напряжения питания и увеличением числа транзисторов? Возможно ли получить мощность 100вт в классе АБ?
Насчёт 100 ватт сомневаюсь. Думаю, что увеличения мощности можно добиться параллельным включением выходных транзисторов. Можно ещё почитать, что пишет Андреа Чифолли по «полезной» ссылке в начале статьи. Я так думаю, что если бы крутизна транзисторов была бы побольше, с этим проблем бы не было. А повышать напряжение выходного каскада смысла особого нет, так как всё равно входное напряжение ограничено. Я так думаю.
Как вариант, можно попробовать заказные трансы с катодными обмотками.
У товарища ламповый двухтакт на 6П14П и трансформаторы с катодными обмотками.
Очень положительно повлияли на звук.
Хотелось бы увидеть спектр усилителя на разной выходной мощности и узнать выходное сопротивление.
Спектры аналогичного усилителя можно посмотретьздесь (указанная ссылка приведена в самом начале статьи). На своём экземпляре я спектр не снимал. Выходное сопротивление усилителя, по-моему, около 2,5 Ом.
Аналогичные материалытут.
Измеренные спектры гармоник добавил в конец статьи.
Добрый день! Если не секрет, как Вы подключали звуковую карту (АЦП) к цирклотрону ?
Здравствуйте! Для начала собрал согласующее переходное устройство, как рекомендовано здесь:Первое знакомство и здесь:Подробное знакомство. Получился примерно такой адаптер, входы которого нужно откалибровать, а также нужно настроить программу комплекса на используемые устройства конкретной звуковой карты:
Для измерения спектра мостового УМЗЧ (цирклотрона) я подключал адаптер к выходу только одного из его плеч («верхнего» по схеме), при этом измеряемое напряжение просто получится в два раза меньше. Нагрузку (8 Ом) подключал, как и положено, между выходами плеч цирклотрона, а параллельно нагрузке включал мультиметр для контроля действующего значения выходного переменного напряжения, чтобы правильно идентифицировать выходную мощность. Уровень входного сигнала цирклотрона изменяется потенциометром, подключённым к выходу ЦАП звуковой карты.
Приведу здесь схему переходного согласующего устройства, «выдранную» из видео по одной из указанных ссылок:
Добрый день! Спасибо за подробный ответ. Но я спросил не просто так. Д. Андронников в своей статье про Lynx PA21 пишет, что достоверное измерение параметров усилителя, ни один из выходных проводов которого не связан с общим проводом, является достаточно сложным процессом, связанным с выполнение ряда противоречивых требований как методологических, так и чисто технических! На форумах предлагают поставить на входе АЦП (звуковая карта) дифференциальный усилитель или сигнальный трансформатор для гальваноразвязки. Получается, что Вы один провод выхода усилителя соединили с одним каналом линейного входа компьютера, а второй провод выхода усилителя — с «землей» компьютера? А на вход усилителя подали сигнал с того же компьютера! Поэтому, через компьютер, один провод выхода усилителя замкнулся на землю усилителя. Может быть это не сильно влияет за замеры, но я у себя делал так: Ноутбук работал от аккумуляторов! А на вход усилителя я подключал генератор, который тоже работал от своего аккумулятора.
Да, погрешности измерений, безусловно будут. Но параметры моего измерительного комплекса, мягко говоря, оставляют желать лучшего: его собственные искажения и шумы находятся на уровне -90 дБ при Кг=0,02%. Главное для меня было в целом понять картину происходящего в усилителе и сравнить его с другими конструкциями, в том числе цирклотронами, по одинаковой методике, которая для этих целей оказалась вполне пригодной.
Всё понятно, благодарю за ответ.
Хочу намотать межкаскадный трансформатор на Нано-аморфном кольце размером 64х40х20. Может кто подскажет, количество витков первичной обмотки для такого кольца?
Там же трансформатор с зазором должен быть, так как присутствует постоянное подмагничивание анодным током порядка 25 мА.
Кольцо нельзя. А какие размеры сердечника?
Посмотрите авторскую статью в «Радиохобби», №3, 2008, с.54-55, там в конце описан вариант намотки трансформатора. Сердечник довольно большого размера. Цитата: «Такой межкаскадник лучше исполнить на ПЛ-железе. Хорошо подойдёт железо ПЛ22x32 с окном 22x59 мм от трансформаторов ТС70, ТС80, ТС90. Габарит намотки 9x54 мм на каждой катушке. Первичка: две секции по 5x166 витков проводом 0,28 (0,325) мм, между ними вторичка — провод 0,4 (0,45) мм, 7x120 витков на каждой катушке. Всего в первичке 3320 витков, во вторичке 1680 витков (2x840). Ктр 4:1+1. Активное сопротивление первичной обмотки 140 Ом (70+70), вторичной — 17,6+17,6 Ом». Первоначально я так и рассчитывал мотать.
Извините на перёд, может вопрос и глупый. Кольцо в пластиковом коробе. Если залить туда эпоксидную смолу. А когда застынет сделать прорезь алмазным диском 0.3мм. Может пройти такой вариант? Или разрезать пополам и склеить через прокладки. Пойдет такой вариант? Всё таки в кольца проницаемость очень большая, и будет лучше простого железа?
Теоретически так сделать, конечно можно. Я знаю одного специалиста, который делает выходные тороидальные трансформаторы с разрезом сердечника, правда, на обычном железе. Насчёт данного конкретного случая трудно сказать, но мне кажется, что габаритов вашего кольца не хватит по мощности. У описанного в авторской статье сердечника площадь сечения составляет 7 кв.см, а у вашего всего 2,4 кв.см. Намотка сложная, секционированная, видимо, для уменьшения ёмкости. Как её реализовать на тороиде, не совсем понятно. И насчёт зазора 0,3 мм вопрос, не многовато ли будет (по-моему там примерно 0,1 мм должно быть, иначе магнитные свойства сердечника сильно ухудшатся). Наверное, можно и на две части распилить, а потом склеить через тонкие прокладки. В общем, думаю так, хотя могу ошибаться.
Если есть транс без зазора, то проще, чем пилить, использовать входной каскад без постоянки на выходе...
Как пример:
В этом входном каскаде по любому постоянка будет, мизерная но будет. Без наличия серво ОУ который следит и компенсирует, хоть как балансируй, какие угодно подобранные JFET ставь, но все равно плыть будет.
Вообще секционирование преследует цель улучшить потокосцепление между обмотками улучшив его частотные свойства. Это дело на тороиде намотать без станка очень проблематично.
Протекание постоянного тока в первичке полезно еще одним моментом, транс работает без перемагничивания.
Приобрести оригинальные 2sk1058 ещё тот геморрой. Китайцы прислали на вид класс, а оказались даже не мофсеты а биполярные. В другом интернет магазине прислали мосфеты, но явно левые, ёмкость затвора 4800 pf. Нашёл продавца, с б/у парами транзисторов с разборки. В общем один канал запустил с 2sk1058 , работает. остались 2sj162. Хочу попробовать их на второй канал с разворотом питания. Прошу подсказать, а питание BIAS тоже нужно полярность поменять?
Да, если ставить 2SJ162, надо полностью менять полярность как в цепях сток-исток, так и в цепях исток-затвор, т.е. в цепи питания затворного смещения.
P.S. Здесь на сайте было объявление о продаже 2SK1058, а также они вроде бы сейчас есть в магазине Отрон. Я, кстати, там и покупал в своё время.
Понял, Большое Спасибо.